×
Buy Suzuki SV Parts Online
home
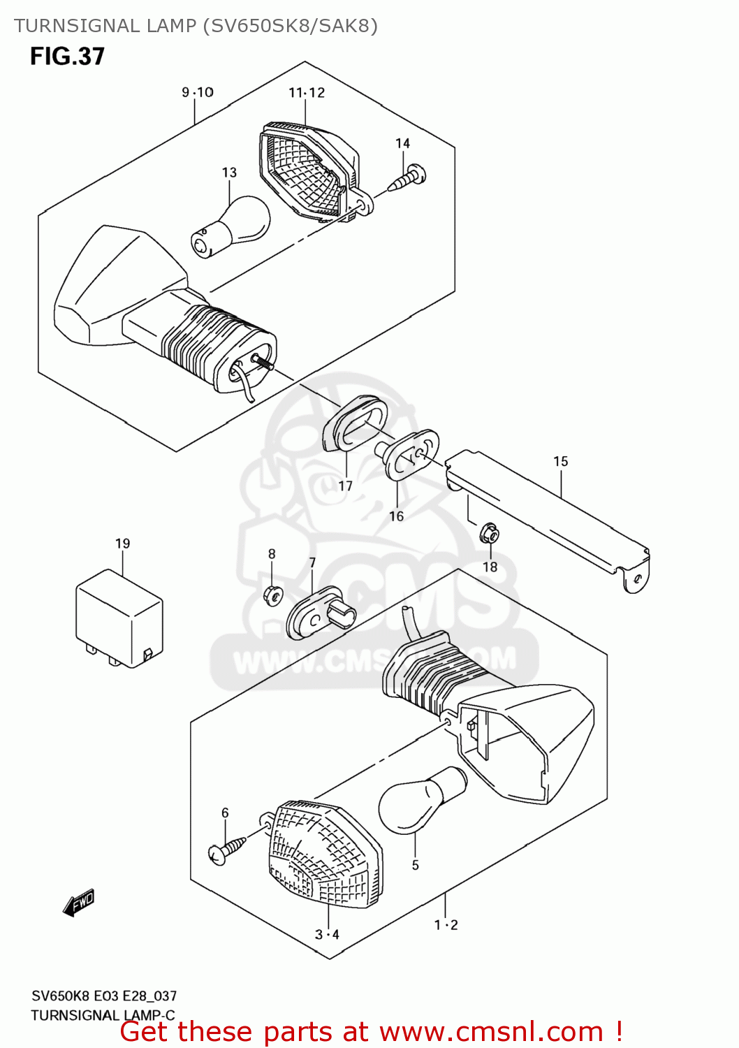
TURNSIGNAL LAMP (SV650SK8/SAK8)
SV650S 2009 (K9) USA (E03)
Turnsignal lamp (sv650sk8/sak8) diagram SV650S 2009 (K9) USA (E03)
TURNSIGNAL LAMP (SV650SK8/SAK8) SV650S 2009 (K9) USA (E03)
×
prices are in EUR
ref
part #
description
quantity
1
3560116G10
ref: 1
LAMP ASSY,FR TURN,R
€ 75.00
2
3560216G10
ref: 2
LAMP ASSY,FR TURN,L
€ 71.00
3
3561231F30
ref: 3
LENS
€ 8.00
4
3563231F30
ref: 4
LENS
€ 8.00
5
0947112045
ref: 5
BULB(12V21W)
€ 5.00
6
032410416B
ref: 6
SCREW
€ 2.00
7
3562931F40
ref: 7
PLATE,TURNSIGNAL LAMP
€ 3.50
8
083161005B
ref: 8
NUT
€ 3.00
9
3560316GC0
ref: 9
LAMP ASSY,RR TURNSIGNAL,R
€ 103.00
10
3560416GC0
ref: 10
LAMP ASSY,RR TURNSIGNAL,L
€ 103.00
11
3563231F30
ref: 11
LENS
€ 8.00
12
3561231F30
ref: 12
LENS
€ 8.00
13
0947112045
ref: 13
BULB(12V21W)
€ 5.00
14
032410416B
ref: 14
SCREW
€ 2.00
15
3562016G00
ref: 15
BRACKET,RR TURNSIGNAL
€ 14.50
16
3562916G00
ref: 16
PLATE,RR TURN SIGNAL
€ 4.50
17
3564716G00
ref: 17
CUSHION,RR
€ 6.00
18
083161005B
ref: 18
NUT
€ 3.00
19
3861003F00
ref: 19
RELAY ASSY,TURNSIGNAL LAMP
€ 96.00
up
all assemblies
2ND AIR
AIR CLEANER
BATTERY (SV650/SV650S)
BATTERY (SV650A/SV650SA)
CAM CHAIN
CAMSHAFT / VALVE
CLUTCH
COWLING BODY (SV650S/SAK8)
COWLING BODY (SV650S/SAK9)
COWLING INSTALLATION PARTS (SV650S/SA)
CRANKCASE
CRANKCASE COVER
CRANKSHAFT
CYLINDER
ELECTRICAL
EVAPO SYSTEM (E33)
FOOTREST
FRAME
FRAME COVER
FRONT BRAKE HOSE (SV650K8/SK8/K9/SK9)
FRONT BRAKE HOSE(SV650AK8/SAK8/AK9/SAK9)
FRONT CALIPER (SV650AK8/SAK8/AK9/SAK9)
FRONT CALIPER (SV650K8/SK8/K9/SK9)
FRONT CYLINDER HEAD
FRONT DAMPER
FRONT FENDER (MODEL K8)
FRONT FENDER (MODEL K9)
FRONT MASTER CYLINDER (SV650AK8/AK9)
FRONT MASTER CYLINDER (SV650K8/K9)
FRONT MASTER CYLINDER (SV650SAK8/SAK9)
FRONT MASTER CYLINDER (SV650SK8/SK9)
FRONT WHEEL (SV650AK8/SAK8/AK9/SAK9)
FRONT WHEEL (SV650K8/SK8/K9/SK9)
FUEL PUMP
FUEL TANK (MODEL K8)
FUEL TANK (MODEL K9)
GASKET SET
GEAR SHIFTING
HANDLE LEVER
HANDLE SWITCH (SV650K8/K9/AK8/AK9)
HANDLE SWITCH (SV650SK8/SK9/SAK8/SAK9)
HANDLEBAR (SV650/A)
HANDLEBAR (SV650S/SA)
HEADLAMP (SV650K8/K9/AK8/AK9)
HEADLAMP (SV650SK8/SK9/SAK8/SAK9)
HEADLAMP HOUSING (SV650/A)
HYDRAULIC UNIT(SV650AK8/SAK8/AK9/SAK9)
LABEL
LOWERS (SV650SF)
MAGNETO
MUFFLER
OIL COOLER
OIL PUMP
RADIATOR
RADIATOR HOSE
REAR CALIPER (SV650AK8/SAK8/AK9/SAK9)
REAR CALIPER (SV650K8/SK8/K9/SK9)
REAR COMBINATION LAMP
REAR CUSHION LEVER
REAR CYLINDER HEAD
REAR FENDER (SV650/S)
REAR FENDER (SV650A/SA)
REAR MASTER CYLINDER (SV650AK8/SAK8/AK9/SAK9)
REAR MASTER CYLINDER (SV650K8/SK8/K9/SK9)
REAR SWINGING ARM
REAR WHEEL (SV650AK8/SAK8/AK9/SAK9)
REAR WHEEL (SV650K8/SK8/K9/SK9)
SEAT
SEAT TAIL COVER (SV650K8/AK8)
SEAT TAIL COVER (SV650K9/AK9)
SEAT TAIL COVER (SV650SK8/SAK8)
SEAT TAIL COVER (SV650SK9/SAK9)
SPEEDOMETER (SV650AK8/AK9)
SPEEDOMETER (SV650K8/K9)
SPEEDOMETER (SV650SAK8/SAK9)
SPEEDOMETER (SV650SK8/SK9)
STAND
STARTER CLUTCH
STARTING MOTOR
STEERING STEM (SV650K8/AK8/K9/AK9)
STEERING STEM (SV650SK8/SAK8/SK9/SAK9)
THROTTLE BODY
THROTTLE BODY FITTING
TRANSMISSION
TURNSIGNAL LAMP (SV650K8/AK8)
TURNSIGNAL LAMP (SV650K9/AK9)
TURNSIGNAL LAMP (SV650SK8/SAK8)
TURNSIGNAL LAMP (SV650SK9/SAK9)
WATER PUMP
WIRING HARNESS (SV650AK8/AK9)
WIRING HARNESS (SV650K8/K9)
WIRING HARNESS (SV650SAK8/SAK9)
WIRING HARNESS (SV650SK8/SK9)
up