×
Buy Suzuki TC Parts Online
home
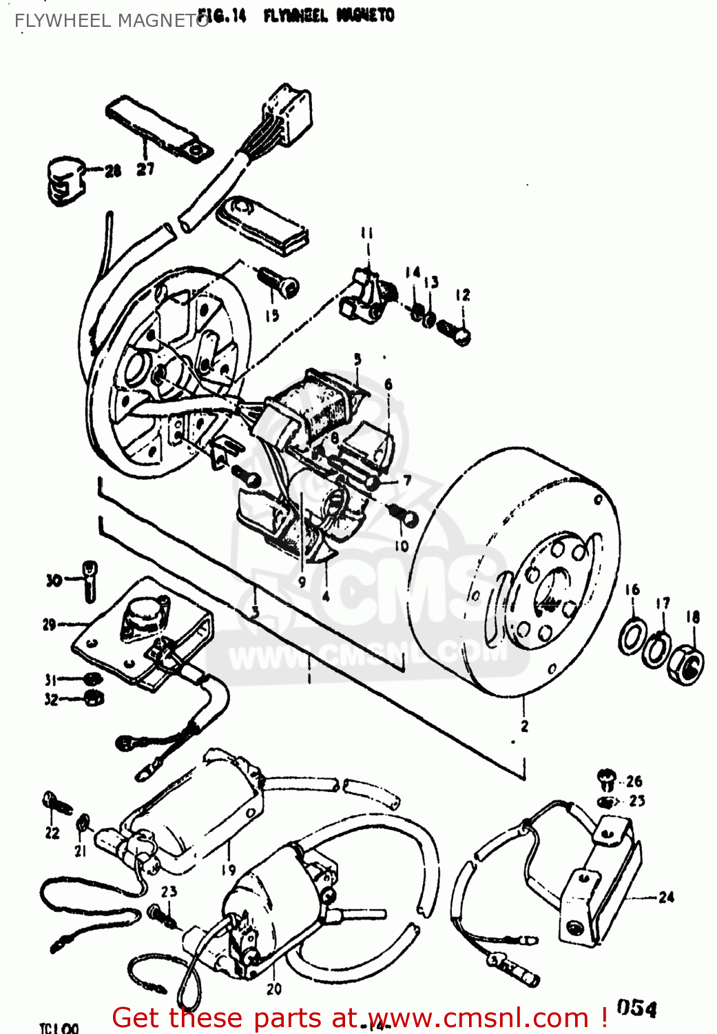
FLYWHEEL MAGNETO
TC100 1975 (M) USA (E03)
Flywheel magneto diagram TC100 1975 (M) USA (E03)
FLYWHEEL MAGNETO TC100 1975 (M) USA (E03)
×
prices are in EUR
ref
part #
description
quantity
1-1
3210025611
ref: 1-1
MAGNETO ASSEMBLY
€ 77.00
1-2
3210025612
ref: 1-2
32101-25611
MAGNETO ASSEMBLY
€ 77.00
1-3
3210025613
ref: 1-3
MAGNETO ASSEMBLY
€ 0.00
2-1
3210225010
ref: 2-1
ROTOR ASSEMBLY
€ 62.50
2-2
3210225612
ref: 2-2
ROTOR ASSEMBLY
€ 62.50
2-3
3210225613
ref: 2-3
ROTOR ASSEMBLY
€ 0.00
3-1
3210125611
ref: 3-1
STATOR ASSEMBLY
€ 77.00
3-2
3210125612
ref: 3-2
STATOR ASSEMBLY
€ 58.00
4-1
3212025611
ref: 4-1
COIL,LIGHTING
€ 41.50
4-2
3212025612
ref: 4-2
COIL,LIGHTING
€ 11.50
5-1
3213025611
ref: 5-1
COIL,LIGHTING
€ 18.00
5-2
3213025612
ref: 5-2
COIL
€ 14.00
6-1
3214025611
ref: 6-1
COIL
€ 44.00
6-2
3214025612
ref: 6-2
COIL
€ 19.50
7
0211104258
ref: 7
SCREW
€ 2.00
8
0832121048
ref: 8
08321-0104A
LOCK WASHER
€ 2.00
9-1
3234112010
ref: 9-1
32341-12011
CONDENSER
€ 18.00
9-2
3234112011
ref: 9-2
CONDENSER
€ 18.00
10
0211104107
ref: 10
02112-04107
SCREW
€ 2.00
11
3224028010
ref: 11
32240-43012
POINT ASSEMBLY,CONTACT
€ 18.50
12
0231104108
ref: 12
02112-0410A
.SCREW
€ 1.00
13
0832121048
ref: 13
08321-0104A
LOCK WASHER
€ 2.00
14
0832221048
ref: 14
08322-01047
WASHER
€ 2.00
up
all assemblies
AIR CLEANER
BATTERY
CARBURETOR
CLUTCH
CRANKCASE
CRANKCASE COVER
CYLINDER
FLYWHEEL MAGNETO
FRAME - OIL TANK
FRONT FENDER - CONTROL CABLE
FRONT FORK
FRONT WHEEL
FUEL TANK
GEAR SHIFTING
GRIP - HANDLE SWITCH
HEADLAMP
KICK STARTER
MUFFLER
OIL PUMP
PISTON - CRANKSHAFT
REAR COMBINATION LAMP
REAR COMBINATION LAMP (TC1000)
REAR FENDER
REAR SWINGING ARM
REAR WHEEL
REDUCTION SHIFTING
SEAT - CARRIER
SPEEDOMETER (MADE BY NIPPON DENSO)
SPEEDOMETER (MADE BY NIPPON SEIKI)
SPEEDOMETER (TC100X)
STAND - BRAKE FEDAL
TRANSMISSION
TURN SIGNAL LAMP
WIRING HARNESS
up