×
Buy Suzuki TS Parts Online
home
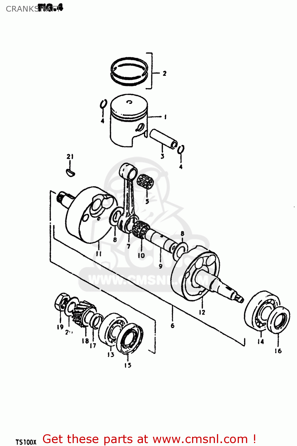
CRANKSHAFT
TS100 1980 (T) USA (E03)
Crankshaft diagram TS100 1980 (T) USA (E03)
CRANKSHAFT TS100 1980 (T) USA (E03)
×
prices are in EUR
ref
part #
description
quantity
1-1
1211048100
ref: 1-1
12110-48101
PISTON
€ 43.50
1-2
1211048100050
ref: 1-2
12100-48100-050
PISTON (OS:0.5)
€ 78.50
1-3
1211048100100
ref: 1-3
12100-48100-100
PISTON (OS:1.0)
€ 58.50
2-1
1214028630
ref: 2-1
RING SET,PISTON
€ 56.50
2-2
1214028630050
ref: 2-2
RING SET,PISTON(OS:0.50)
€ 50.50
2-3
1214026530
ref: 2-3
12140-40B30-100
RING SET,PISTON
€ 56.50
3
1215107000
ref: 3
12151-23400
PIN,PISTON 14MM
€ 10.00
4
0938114001
ref: 4
RING,SNAP 14MM
€ 2.00
5
0926314006
ref: 5
09263-14022
BEARING
€ 11.00
6
1220048001
ref: 6
12200-48002
CRANKSHAFT ASSEMBLY
€ 598.00
7
1216112002
ref: 7
12161-39300
CONNECTING ROD
€ 59.00
8
0916019001
ref: 8
WASHER(19X32X1)
€ 4.00
9
1221148000
ref: 9
12211-48001
PIN,CRANK
€ 32.50
10
0926319009
ref: 10
BEARING(19X25X16)
€ 16.50
11
1222148000
ref: 11
CRANKSHAFT,R
€ 101.00
12
1226148001
ref: 12
12261-48002
CRANKSHAFT,LEFT
€ 88.00
13
0926220009
ref: 13
09262-20073
BEARING
€ 19.00
14
0926225049
ref: 14
BEARING(25X62X17)
€ 23.50
15
0928326007
ref: 15
SEAL,OIL(26X52X8)
€ 8.00
16
0928325066
ref: 16
SEAL,OIL(25X44X7)
€ 8.00
17
0918020037
ref: 17
SPACER(20X28X7)
€ 8.50
18
2111128000
ref: 18
21111-28001
GEAR,PRIMARY DRIVE
€ 45.50
19
0914018002
ref: 19
NUT
€ 4.50
20
0916618001
ref: 20
WASHER
€ 3.50
21
0834131059
ref: 21
KEY
€ 3.00
up
all assemblies
AIR CLEANER
BATTERY
CARBURETOR
CLUTCH
CRANKCASE
CRANKCASE COVER
CRANKSHAFT
CYLINDER
ELECTRICAL
FRAME
FRAME COVER (TS100T)
FRAME COVER (TS100X)
FRONT FORK
FRONT WHEEL
FUEL COCK
FUEL TANK (TS100T)
FUEL TANK (TS100X)
GEAR SHIFTING
HANDLEBAR
HEADLAMP
HEADLAMP HOUSING - FRONT FENDER
KICK STARTER
LEFT HANDLE SWITCH
MAGNETO
MUFFLER
OIL PUMP
OIL TANK
REAR BRAKE
REAR COMBINATION LAMP
REAR FENDER
REAR SWINGING ARM
REAR WHEEL
RIGHT HANDLE SWITCH
SEAT
SPEEDOMETER
STAND
TRANSMISSION
TURN SIGNAL LAMP
WIRING HARNESS
up