×
Buy Suzuki TS Parts Online
home
TS185 1971 1972 (R) (J) USA (E03)
CYLINDER
23 products
CRANKCASE
18 products
CRANKCASE COVER
13 products
PISTON - CRANKSHAFT
26 products
CARBURETOR
29 products
AIR CLEANER
10 products
MUFFLER
21 products
OIL PUMP
21 products
CLUTCH
21 products
TRANSMISSION
33 products
GEAR SHIFTING
33 products
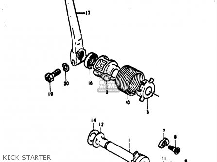
KICK STARTER
20 products
MAGNETO
9 products
SPEEDOMETER - TACHOMETER
16 products
HEADLAMP
7 products
TURN SIGNAL LAMP (OPTIONAL)
9 products
REAR COMBINATION LAMP (TS185R)
12 products
REAR COMBINATION LAMP (TS185J)
17 products
ELECTRICAL (1)
14 products
ELECTRICAL (2)
17 products
BATTERY
9 products
FRAME
10 products
FOOTREST
17 products
REAR BRAKE
13 products
FUEL TANK
7 products
FUEL COCK
8 products
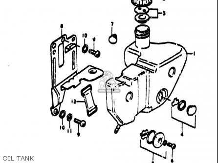
OIL TANK
11 products
SEAT
9 products
FRAME COVER
2 products
FRONT FORK
25 products
FRONT FENDER
9 products
FRONT WHEEL
27 products
HANDLEBAR
23 products
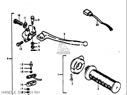
HANDLE SWITCH RH
19 products
HANDLE SWITCH LH
19 products
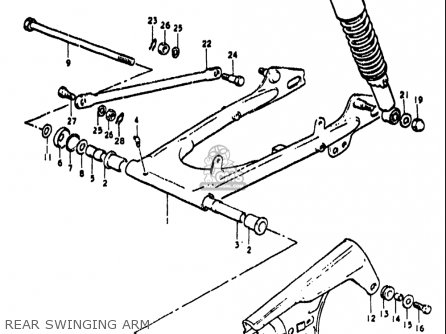
REAR SWINGING ARM
26 products
REAR FENDER
13 products
REAR WHEEL
36 products
OPTIONAL
7 products
up
popular products
0949125009
JET,MAIN(125)
Suzuki
2541105100
SHAFT,GEAR SHIFT FORK
Suzuki
0947106011
BULB(6V17W,STANLEY,A4513A)
Suzuki
0946200001A
BAND
Suzuki