×
Buy Suzuki TS Parts Online
home
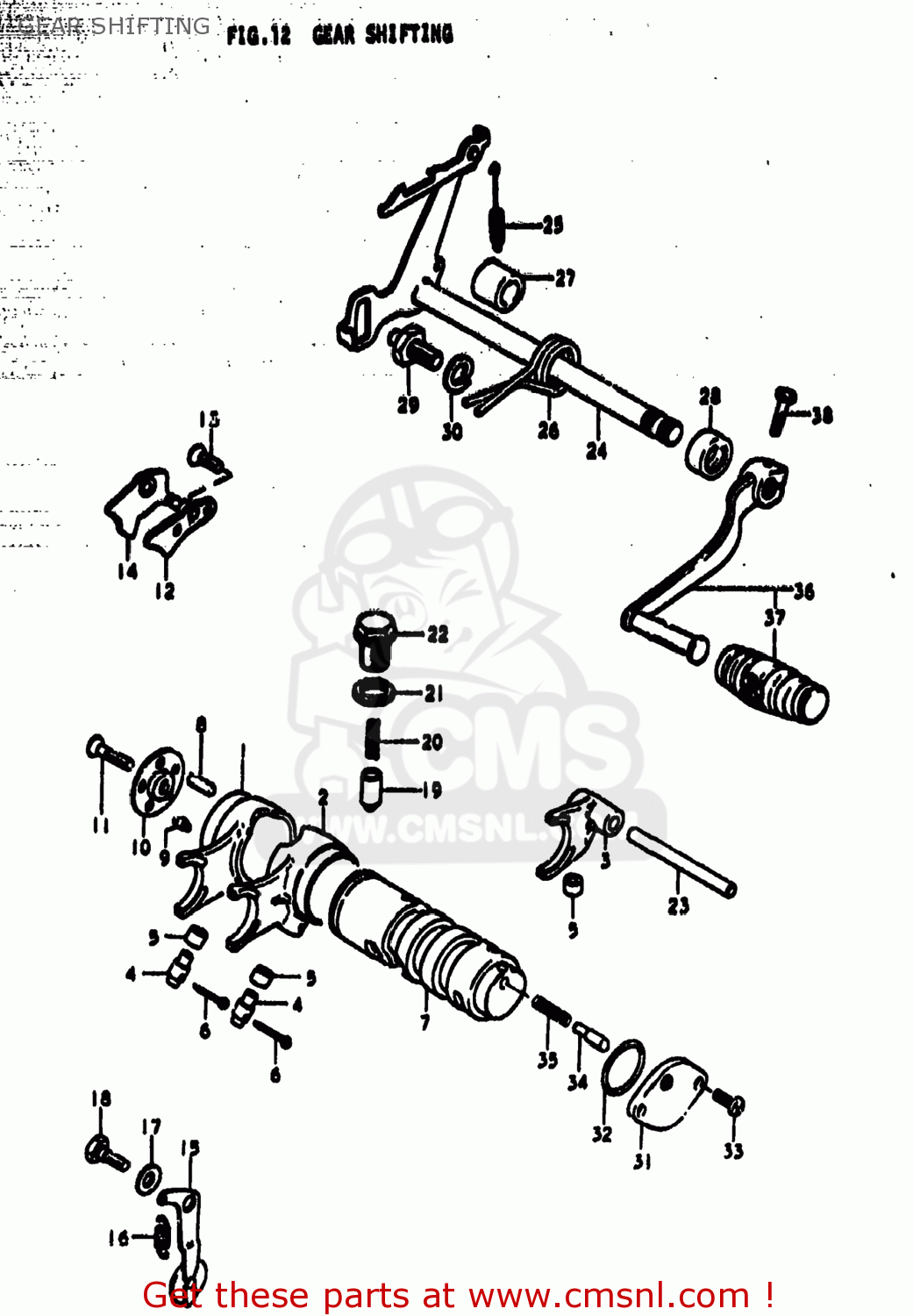
GEAR SHIFTING
TS185 1977 (B) USA (E03)
Gear shifting diagram TS185 1977 (B) USA (E03)
GEAR SHIFTING TS185 1977 (B) USA (E03)
×
prices are in EUR
ref
part #
description
quantity
1
2521128001
ref: 1
25211-28002
FORK,GEAR SHIFT NO.1
€ 58.50
2
2522128001
ref: 2
25221-28002
FORK,GEAR SHIFT NO.2
€ 25.00
3
2523128002
ref: 3
25231-28003
FORK,GEAR SHIFT NO.3
€ 38.00
4
0920910002
ref: 4
PIN
€ 9.50
5
0918006004
ref: 5
09180-06086
SPACER
€ 2.50
6
0411125208
ref: 6
04111-2520A
PIN 25X20
€ 2.00
7
2531129300
ref: 7
25311-29301
CAM,GEAR SHIFT
€ 66.00
8
0926104002
ref: 8
ROLLER(4X13.8)
€ 1.50
9
0920904012
ref: 9
PIN
€ 3.00
10
2532228030
ref: 10
RETAINER,GEAR SHIFT CAM DR PIN
€ 6.50
11
0212206208
ref: 11
02122-0620A
SCREW
€ 2.50
12
2534012101
ref: 12
GUIDE,GEAR SHIFT CAM
€ 11.50
13
0212206168
ref: 13
02122-06167
SCREW
€ 2.50
14
2537012101
ref: 14
PAWL,GEAR SHIFT CAM STOPPER
€ 8.00
15
2535028001
ref: 15
STOPPER,GEAR SHIFT CAM
€ 12.00
16
0944307014
ref: 16
SPRING
€ 2.00
17
0916006022
ref: 17
WASHER(6.5X16X2.3)
€ 1.50
18
0911106003
ref: 18
BOLT(6X16.1)
€ 2.00
19
2535118000
ref: 19
25351-39300
STOPPER,GEAR SHIFTING
€ 5.00
20
0944005018
ref: 20
SPRING
€ 1.50
21
0916814004
ref: 21
GASKET(14X19.2X2) (NAS)
€ 2.50
22
2535211000
ref: 22
25352-11010
BOLT,GEAR SHAFT CAM STOPPER
€ 5.00
23
2541105100
ref: 23
SHAFT,GEAR SHIFT FORK
€ 4.50
24
2551029300
ref: 24
SHAFT,GEAR SHIFT
€ 80.00
25
0944306008
ref: 25
SPRING
€ 11.50
26
0944426008
ref: 26
SPRING
€ 4.00
27
0918012068
ref: 27
SPACER(12X20X15.3)
€ 3.50
28
0928512002
ref: 28
09285-12006
OIL SEAL
€ 7.00
29
2567119000
ref: 29
STOPPER,GEAR SHIFT ARM
€ 5.50
30
0916210003
ref: 30
08321-01107
WASHER
€ 2.50
31
3772029350
ref: 31
BODY,GEAR SHIFT SWITCH
€ 11.50
32
0928026003
ref: 32
09280-26005
O-RING (D:2.4 ID:26.2)
€ 3.00
33
0211205128
ref: 33
02112-05127
SCREW
€ 2.50
34
0920905011
ref: 34
PIN(5X15.5)
€ 2.00
35
0944004010
ref: 35
SPRING
€ 2.00
36
2560029300
ref: 36
25600-29310
LEVER ASSY,GEAR SHIFT
€ 33.00
37
2565216500
ref: 37
RUBBER,GEAR SHIFT PEDAL
€ 4.50
38
0110706208
ref: 38
01500-06207
BOLT
€ 2.50
up
all assemblies
AIR CLEANER
BATTERY
CARBURETOR
CLUTCH
CRANKCASE
CRANKCASE COVER
CRANKSHAFT
CYLINDER
ELECTRICAL
FRAME
FRONT FENDER
FRONT FORK (TS185B)
FRONT FORK (TS185C)
FRONT FORK (TS185N)
FRONT WHEEL (TS185B TS185C)
FRONT WHEEL (TS185N)
FUEL COCK
FUEL TANK
GEAR SHIFTING
HANDLEBAR
HEADLAMP
KICKSTARTER
LEFT HANDLE SWITCH
MAGNETO (TS105B)
MAGNETO (TS185C TS185N)
MUFLER
OIL PUMP
OIL TANK - FRAME COVER
REAR BRAKE
REAR COMBINATION LAMP
REAR FENDER
REAR SWINGING ARM
REAR WHEEL
RIGHT HANDLE SWITCH
SEAT
SPEEDOMETER (TS185N)
SPEEDOMETER - TACHOMETER (TS185B TS185C)
STAND - FOOTREST
TRANSMISSION
TURN SIGNAL LAMP
WIRING HARNESS
up