×
Buy Suzuki TS Parts Online
home
TS250 1974 (L) USA (E03)
AIR CLEANER
17 products
BATTERY
14 products
CARBURETOR (TS250A)
61 products
CARBURETOR (TS250K
37 products
CHAIN CASE
13 products
CLUTCH (TS250A)
25 products
CLUTCH (TS250K
22 products
CRANKCASE
22 products
CRANKCASE COVER (TS250A)
18 products
CRANKCASE COVER (TS250K
27 products
CRANKSHAFT
34 products
CYLINDER
43 products
ELECTRICAL (1)
14 products
ELECTRICAL (2)
35 products
FRAME
24 products
FRAME COVER
16 products
FRONT FENDER
24 products
FRONT FORK (TS250K)
44 products
FRONT FORK (TS250L
59 products
FRONT WHEEL (TS250K
60 products
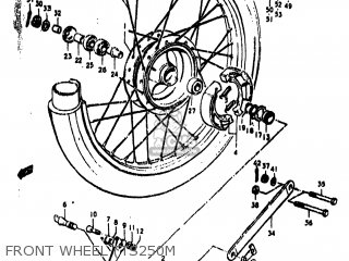
FRONT WHEEL (TS250M
60 products
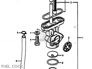
FUEL COCK
10 products
FUEL TANK
36 products
GEAR SHIFTING
43 products
HANDLEBAR
46 products
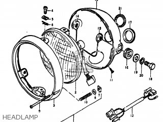
HEADLAMP
39 products
KICK STARTER
20 products
LEFT HANDLE SWITCH
44 products
MAGNETO
24 products
MUFFLER
36 products
OIL PUMP
42 products
OIL TANK
14 products
REAR BRAKE
14 products
REAR COMBINATION LAMP (TS250K)
18 products
REAR COMBINATION LAMP (TS250L
21 products
REAR FENDER (TS250A)
21 products
REAR FENDER (TS250K)
26 products
REAR FENDER (TS250L
28 products
REAR SWINGING ARM
36 products
REAR WHEEL
65 products
RIGHT HANDLE SWITCH
27 products
SEAT
16 products
SPEEDOMETER - TACHOMETER
36 products
STAND - FOOTREST
43 products
TRANSMISSION
49 products
TURN SIGNAL LAMP (TS250A)
25 products
TURN SIGNAL LAMP (TS250K
31 products
WIRING HARNESS
24 products
up
popular products
5115316511
SEAL,OIL
Suzuki
0926104005
ROLLER(4X23.8)
Suzuki
1214030600
RING SET,PISTON
Suzuki
1326630650
GASKET,TOP (NAS)
Suzuki