Buy Suzuki VS Parts Online

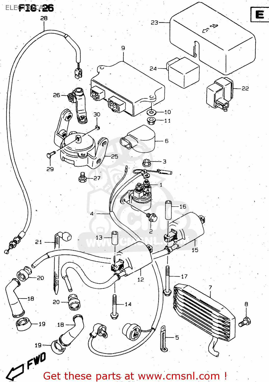
ELECTRICAL

VS1400GLP 1999 (X) (E02 E04 E17 E22 E24 E34)

Electrical diagram VS1400GLP 1999 (X) (E02 E04 E17 E22 E24 E34)

ELECTRICAL VS1400GLP 1999 (X) (E02 E04 E17 E22 E24 E34)
ELECTRICAL VS1400GLP 1999 (X) (E02 E04 E17 E22 E24 E34)
ELECTRICAL VS1400GLP 1999 (X) (E02 E04 E17 E22 E24 E34)
prices are in EUR
ref
part #
description
quantity
1
3180049100
ref: 1
RELAY ASSY,STARTING MOTOR
3180049100
€ 97.00

2
0155006103
ref: 2
BOLT
0155006103
€ 3.00

3
0836135068
ref: 3
NUT
0836135068
€ 2.00

4
3385038B00
ref: 4
WIRE,STARTER MOTOR LEAD
3385038B00
€ 57.50

5
0940406432
ref: 5

<-09404-06401
CLAMP(L:65)
0940406432
€ 3.00

6
3362449401
ref: 6

<-33624-49420
CAP,STARTER RELAY TERMINAL
3362449401
€ 6.00

7
3280012E01
ref: 7
RECTIFIER ASSY
3280012E01
€ 390.00

8
0150006103
ref: 8
BOLT
€ 2.00

9
3290038B41
ref: 9
IGNITOR ASSY
€ 832.00

10
0916006017
ref: 10

MODEL T
WASHER (6.5X13X2.3)
0916006017
€ 2.00

10
0916006115
ref: 10

MODEL V
WASHER
€ 2.50

10
0916006131
ref: 10

MODEL W/X
WASHER(6.5X16X4)
0916006131
€ 2.50

11
0831610063
ref: 11
NUT
0831610063
€ 2.50

12
3341038B00
ref: 12
COIL ASSY,IGNITION RR
3341038B00
€ 159.50

13
0918006178
ref: 13
SPACER(6.4X10X22)
0918006178
€ 5.00

14
0157005453
ref: 14
BOLT
€ 2.50

15
3342038B00
ref: 15
COIL ASSY,IGNITION
3342038B00
€ 159.50

16
0918006179
ref: 16
SPACER(6.4X10X32)
0918006179
€ 5.50

17
0157005553
ref: 17
BOLT
€ 2.50

18
3351038B00
ref: 18
CAP,SPARK PLUG
3351038B00
€ 23.50

19
3354124510
ref: 19
SEAL,SPARK PLUG CAP
3354124510
€ 8.00

20
3354238B00
ref: 20
SEAL,HIGH TENSION CORD
3354238B00
€ 5.00

21
0940714403
ref: 21
CLAMP(L:125)
0940714403
€ 2.50

22
3395038B00
ref: 22
RELAY ASSY,FUEL CUT
3395038B00
€ 97.00

23
3395138B00
ref: 23
COVER,RELAY
€ 21.00

24
3291024B10
ref: 24
CONTROL UNIT,DECOMP
3291024B10
€ 76.00

25
3397038B00
ref: 25
SOLENOID ASSY,DECOMP
3397038B00
€ 290.00

26
3397138B00
ref: 26
BRACKET,DECOMP SOLENOID
€ 13.50

27
0155006123
ref: 27
BOLT
0155006123
€ 3.00

28
5890038B01
ref: 28
CABLE ASSEMBLY,DECOMPRESSION
5890038B01
€ 57.50

29
0920904020
ref: 29
PIN(4X12.5)
0920904020
€ 6.50

30
0833211033
ref: 30
E RING
0833211033
€ 1.50