Buy Suzuki VZR Parts Online

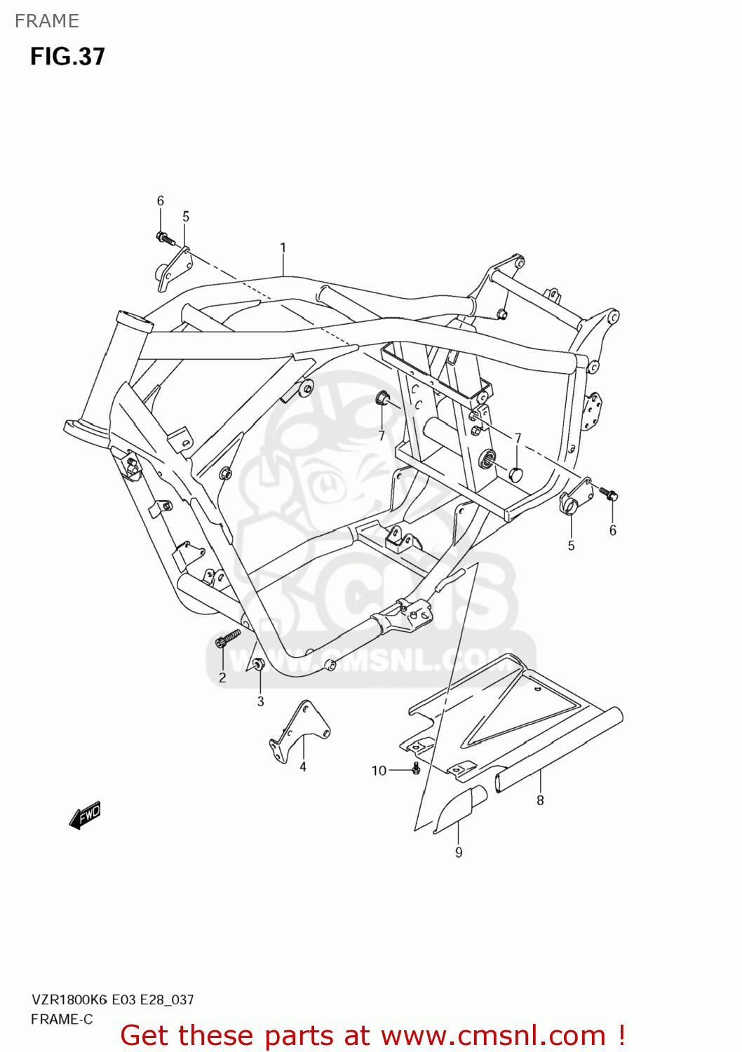
FRAME

VZR1800N BOULEVARD M109R 2007 (K7) CALIFORNIA (E33)

Frame diagram VZR1800N BOULEVARD M109R 2007 (K7) CALIFORNIA (E33)

FRAME VZR1800N BOULEVARD M109R 2007 (K7) CALIFORNIA (E33)
FRAME VZR1800N BOULEVARD M109R 2007 (K7) CALIFORNIA (E33)
FRAME VZR1800N BOULEVARD M109R 2007 (K7) CALIFORNIA (E33)
prices are in EUR
ref
part #
description
quantity
1-1
4110048G00019
ref: 1-1

41100-48G10-019
FRAME (BLACK)
€ 3,598.00

1-2
4110048G10019
ref: 1-2
FRAME(BLACK)
€ 3,598.00

2
071301035B
ref: 2
BOLT
071301035B
€ 3.50

3
083193110A
ref: 3
NUT
083193110A
€ 3.50

4
4192048G00
ref: 4

41920-48G10
PLATE,ENG MTG
€ 24.00

5
4193148G00
ref: 5
PLATE,ENG MTG RR
€ 77.50

6
015800830A
ref: 6
BOLT
€ 2.50

7
4358548G00
ref: 7
CAP,ENG MTG BOLT
4358548G00
€ 13.00

8
4256048G00
ref: 8
COVER,UNDER
€ 108.00

9
4256748G00
ref: 9
RUBBER,UNDER COVER
€ 17.50

10
015500612A
ref: 10
BOLT
015500612A
€ 2.50

all assemblies