×
Buy Suzuki A Parts Online
home
A100 1975 (M) UNITED KINGDOM (E02)
* COLOR CHART *
0 products
* CATALOG PREFACE *
0 products
* CONVERSION CHART *
0 products
CYLINDER - CRANKCASE
42 products
FOR SPECIAL MARKET (E2)
28 products
FOR SPECIAL MARKET (E2)
48 products
FOR SPECIAL MARKET (E2)
38 products
AIR CLEANER
16 products
MUFFLER
13 products
OIL PUMP
24 products
CLUTCH
27 products
TRANSMISSION
37 products
GEAR SHIFTING (A100-4,K,L,M)
35 products
KICK STARTER
17 products
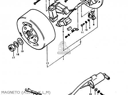
MAGNETO (A100-4,K,L,M)
20 products
TURN SIGNAL LAMP
16 products
WIRING HARNESS
3 products
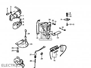
ELECTRICAL
28 products
FRAME
21 products
STAND
28 products
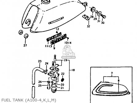
FUEL TANK (A100-4,K,L,M)
14 products
OIL TANK (A100-4,K,L,M)
5 products
SEAT
4 products
FRONT FORK (A100-4,K,L,M)
20 products
FENDER
9 products
FRONT WHEEL (A100-4,K,L,M)
34 products
HANDLEBAR
31 products
HANDLE SWITCH
40 products
REAR SWINGING ARM
31 products
REAR WHEEL
50 products
OPTIONAL
22 products
OPTIONAL
23 products
up
popular products
5141022011
STEM,STEERING
Suzuki
2124125300
PLATE
Suzuki
2474125000
PLATE,COUNTERSHAFT BEARING
Suzuki
2123125040
DAMPER,PRIMARY DRIVEN GEAR
Suzuki