×
Buy Suzuki DR Parts Online
home
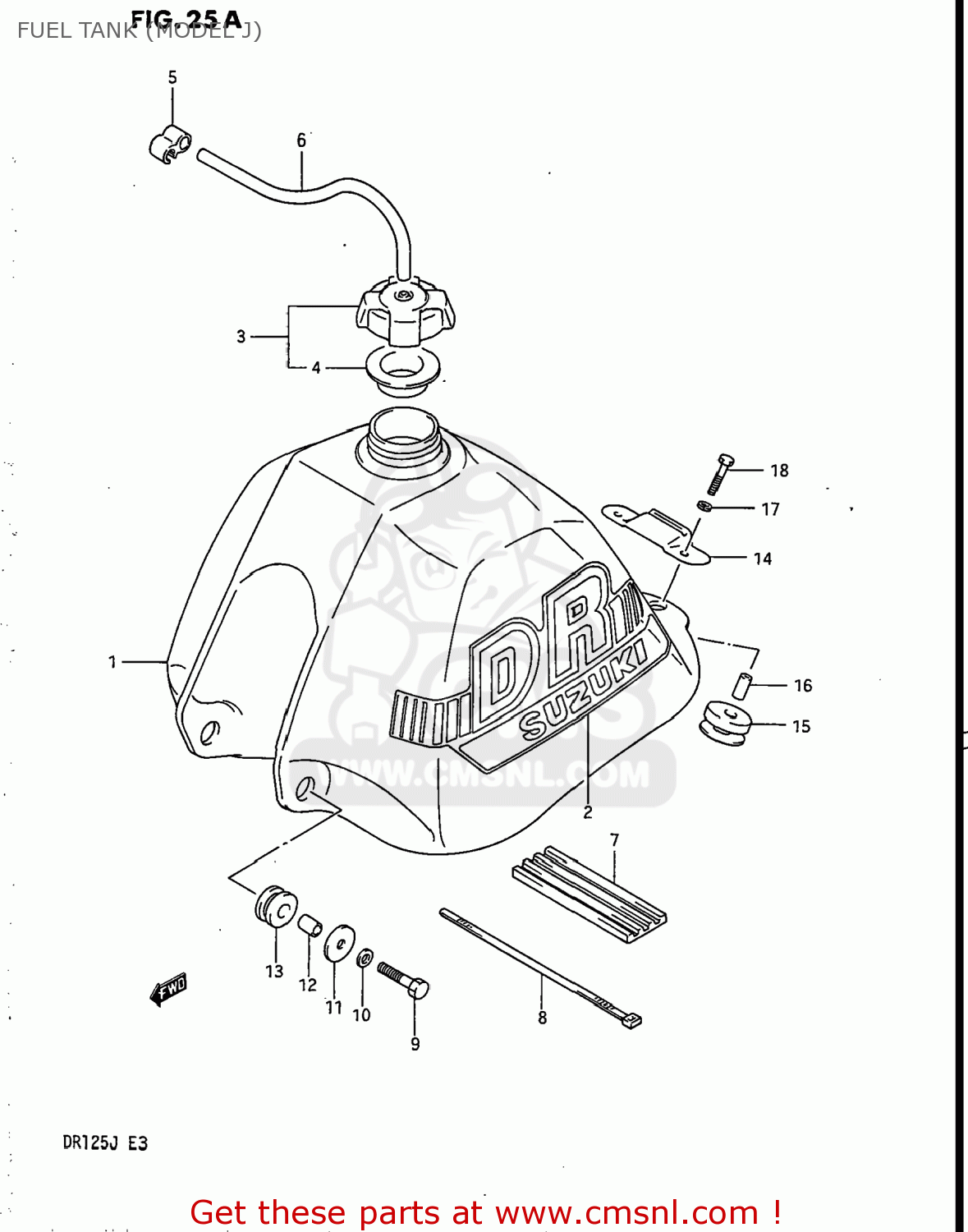
FUEL TANK (MODEL J)
DR125 1988 (J) USA (E03)
Fuel tank (model j) diagram DR125 1988 (J) USA (E03)
FUEL TANK (MODEL J) DR125 1988 (J) USA (E03)
×
prices are in EUR
ref
part #
description
quantity
1
4410042A2025Y
ref: 1
TANK ASSEMBLY,FUEL
€ 0.00
2
6811044A609UP
ref: 2
TAPE SET,FUEL TANK STRIPE
€ 0.00
3
4420014820
ref: 3
44200-27870
CAP SET,FUEL TANK
€ 21.00
4
4424840400
ref: 4
44248-05210
GASKET,FUEL TANK CAP (NAS)
€ 5.00
5
4448632101
ref: 5
CLAMP,FUEL TANK BREATHER HOSE
€ 4.50
6
0934305129
ref: 6
44420-44AR0
HOSE
€ 14.00
7
4454114500
ref: 7
CUSHION,FUEL TANK UPR FR
€ 4.50
8
0940720401
ref: 8
09407-25402
CLAMP
€ 5.00
9
0110708307
ref: 9
01500-08307
BOLT
€ 3.00
10
0832121088
ref: 10
08321-01087
LOCK WASHER
€ 2.50
11
0916008002
ref: 11
09160-08135
WASHER (8.5X29X1.6)
€ 2.00
12
0918008003
ref: 12
09180-08191
SPACER (8.8X12X13.5)
€ 6.00
13
0932012030
ref: 13
CUSHION
€ 4.00
14
4511942A00
ref: 14
PLATE,SEAT FR HOOK
€ 5.00
15
0932009025
ref: 15
CUSHION
€ 4.50
16
0918006072
ref: 16
09180-06271
SPACER
€ 2.50
17
0832121066
ref: 17
08321-0106A
WASHER,LOCK
€ 2.50
18
0110706306
ref: 18
01500-0630A
BOLT
€ 2.50
up
all assemblies
AIR CLEANER
CAM CHAIN
CAM SHAFT - VALVE
CARBURETOR
CLUTCH
CRANKCASE
CRANKCASE COVER
CRANKSHAFT
CYLINDER
CYLINDER HEAD
ELECTRICAL
FOOTREST
FRAME
FRAME COVER
FRONT BRAKE HOSE
FRONT CALIPER
FRONT FENDER
FRONT FORK
FRONT MASTER CYLINDER
FRONT WHEEL
FUEL COCK
FUEL TANK (MODEL G/H)
FUEL TANK (MODEL J)
GEAR SHIFTING
HANDLEBAR
HEADLAMP
HEADLAMP HOUSING
KICK STARTER
LIGHT HANDLE SWITCH
MAGNETO
MUFFLER
OIL PUMP
REAR COMBINATION LAMP
REAR CUSHION
REAR FENDER
REAR SWINGING ARM
REAR WHEEL
RIGHT HANDLE SWITCH
SEAT
STAND - REAR BRAKE
STEERING STEM (MODEL G)
STEERING STEM (MODEL H/J)
TRANSMISSION
TRIP METER
WIRING HARNESS
up