×
Buy Suzuki DR Parts Online
home
MAGNETO
DR125 1988 (J) USA (E03)
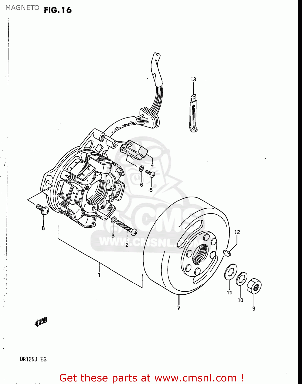
Magneto diagram DR125 1988 (J) USA (E03)
MAGNETO DR125 1988 (J) USA (E03)
×
prices are in EUR
ref
part #
description
quantity
1-1
3210144A21
ref: 1-1
32101-44A22
STATOR ASSEMBLY
€ 148.00
1-2
3210144A22
ref: 1-2
STARTER ASSY
€ 148.00
2
0211205308
ref: 2
02112-0530A
SCREW
€ 2.00
3
0832121057
ref: 3
08321-0105A
LOCK WASHER
€ 2.00
4
3215022A01
ref: 4
COIL,PICK UP
€ 66.50
5
0211204128
ref: 5
02112-0412A
SCREW
€ 1.50
6
0832121047
ref: 6
08321-0104A
WASHER,LOCK 4M
€ 2.50
7-1
3210244A20
ref: 7-1
32102-44A02
ROTOR ASSEMBLY
€ 128.00
7-2
3210244A22
ref: 7-2
32102-44A02
ROTOR ASSEMBLY
€ 128.00
8
0913905011
ref: 8
SCREW(5X14)
€ 3.50
9
0914010003
ref: 9
09140-10041
NUT (10MM)
€ 4.50
10
0832121107
ref: 10
08321-01107
WASHER,LOCK,10
€ 2.50
11
0832221108
ref: 11
08322-01107
WASHER
€ 2.50
12
0834131039
ref: 12
KEY
€ 2.00
13
0940406404
ref: 13
09404-06433
CLAMP
€ 3.50
up
all assemblies
AIR CLEANER
CAM CHAIN
CAM SHAFT - VALVE
CARBURETOR
CLUTCH
CRANKCASE
CRANKCASE COVER
CRANKSHAFT
CYLINDER
CYLINDER HEAD
ELECTRICAL
FOOTREST
FRAME
FRAME COVER
FRONT BRAKE HOSE
FRONT CALIPER
FRONT FENDER
FRONT FORK
FRONT MASTER CYLINDER
FRONT WHEEL
FUEL COCK
FUEL TANK (MODEL G/H)
FUEL TANK (MODEL J)
GEAR SHIFTING
HANDLEBAR
HEADLAMP
HEADLAMP HOUSING
KICK STARTER
LIGHT HANDLE SWITCH
MAGNETO
MUFFLER
OIL PUMP
REAR COMBINATION LAMP
REAR CUSHION
REAR FENDER
REAR SWINGING ARM
REAR WHEEL
RIGHT HANDLE SWITCH
SEAT
STAND - REAR BRAKE
STEERING STEM (MODEL G)
STEERING STEM (MODEL H/J)
TRANSMISSION
TRIP METER
WIRING HARNESS
up