×
Buy Suzuki DR Parts Online
home
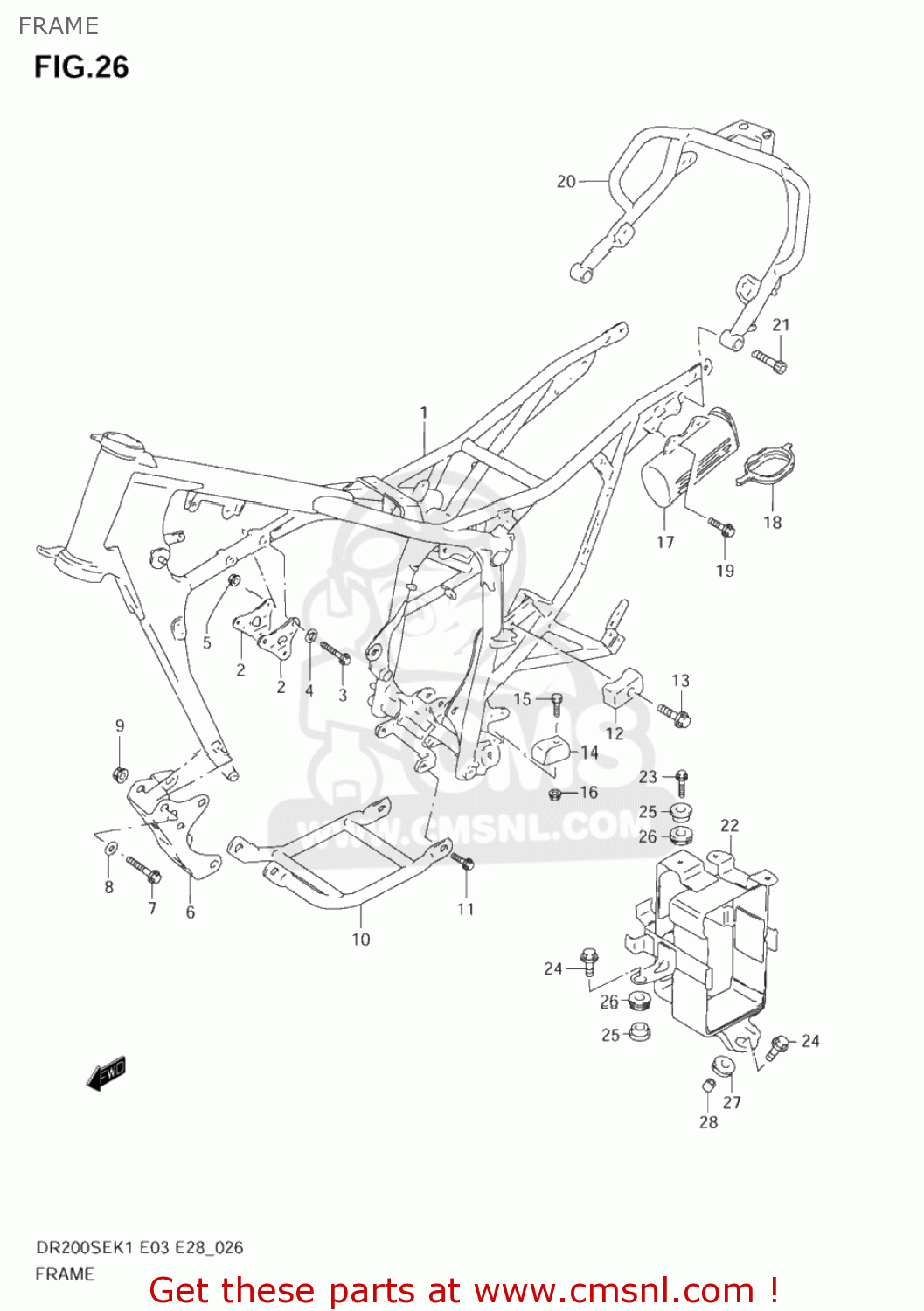
FRAME
DR200SE 2005 (K5) USA (E03)
Frame diagram DR200SE 2005 (K5) USA (E03)
FRAME DR200SE 2005 (K5) USA (E03)
×
prices are in EUR
ref
part #
description
quantity
1-1
4110044AB024K
ref: 1-1
41100-44AB1-24K
FRAME(CHARCOAL)
€ 0.00
1-2
4110044AB017U
ref: 1-2
41100-44AB1-17U
FRAME(GRAY)
€ 860.00
1-3
4110044AB0YU8
ref: 1-3
41100-44AB1-YU8
FRAME (GRAY)
€ 0.00
1-4
4110044AB1YU8
ref: 1-4
FRAME(GRAY)
€ 0.00
1-5
4110044AD024K
ref: 1-5
41100-44AD1-24K
FRAME COMP
€ 731.00
1-6
4110044AD017U
ref: 1-6
41100-44AD1-17U
FRAME
€ 731.00
1-7
4110044AD0YU8
ref: 1-7
41100-44AD1-YU8
FRAME(SILVER)
€ 0.00
1-8
4110044AD1YU8
ref: 1-8
FRAME (GRAY)
€ 731.00
2
4199142A00291
ref: 2
PLATE,ENGINE MOUNT UPR
€ 15.00
3
0910308332
ref: 3
BOLT(8X53)
€ 4.00
4
0832101083
ref: 4
08321-0108A
LOCK WASHER
€ 2.50
5
0831931083
ref: 5
08319-3108A
NUT
€ 3.00
6-1
4199244AA124K
ref: 6-1
PLATE,ENGINE MOUNT LWR
€ 54.50
6-2
4199244AA117U
ref: 6-2
PLATE,ENG MTG LWR
€ 0.00
6-3
4199244AA1YU8
ref: 6-3
PLATE,ENG MTG LWR
€ 0.00
7
0910308328
ref: 7
BOLT(8X65)
€ 4.00
8
0832101083
ref: 8
08321-0108A
LOCK WASHER
€ 2.50
9
0831931083
ref: 9
08319-3108A
NUT
€ 3.00
10-1
4251044AA024K
ref: 10-1
PROTECTOR ENGINE(CHARCOAL)
€ 114.00
10-2
4251044AA017U
ref: 10-2
PROTECTOR,ENGINE(GRAY)
€ 0.00
10-3
4251044AA0YU8
ref: 10-3
PROTECTOR,ENGINE(SILVER)
€ 0.00
11
0155110163
ref: 11
01551-1016A
BOLT
€ 2.50
12
4391144A00
ref: 12
GUIDE,CH CONTROL UPR
€ 11.50
13
0158006353
ref: 13
01580-0635B
BOLT
€ 3.50
14
4391242AA0
ref: 14
GUIDE,CHAIN CONTROL LWR
€ 18.00
15
0912806006
ref: 15
09128-06057
BOLT(6X20)
€ 2.00
16
0831931063
ref: 16
08319-3106A
NUT
€ 2.50
17
4155138200
ref: 17
41551-38201
HOLDER,TOOL
€ 18.50
18
4155237210
ref: 18
CAP,HOLDER
€ 5.50
19
0911606165
ref: 19
BOLT(6X16)
€ 3.00
20-1
4398044AB224K
ref: 20-1
GRIP,RR
€ 189.00
20-2
4398044AB217U
ref: 20-2
GRIP,RR
€ 0.00
20-3
4398044AB2YU8
ref: 20-3
GRIP,RR
€ 0.00
21
0910608105
ref: 21
BOLT(8X30)
€ 3.50
22
4154044AA0
ref: 22
HOLDER,BATTERY
€ 67.00
23
0155006203
ref: 23
01550-0620A
BOLT
€ 2.50
24
0911606131
ref: 24
BOLT(6X25)
€ 2.50
25
0916906065
ref: 25
WASHER
€ 4.00
26
0932008021
ref: 26
CUSHION
€ 4.50
27
0932010501
ref: 27
CUSHION
€ 6.00
28
0918006285
ref: 28
SPACER(6.5X10X9)
€ 3.00
up
all assemblies
AIR CLEANER
BATTERY
CAM CHAIN
CAM SHAFT/VALVE
CANISTER (E33)
CARBURETOR
CLUTCH
CRANKCASE
CRANKCASE COVER
CRANKSHAFT
CYLINDER
CYLINDER HEAD
ELECTRICAL
FOOTREST
FRAME
FRAME COVER
FRONT CALIPER
FRONT DAMPER
FRONT MASTER CYLINDER
FRONT WHEEL
FUEL COCK
FUEL TANK (MODEL K1/K2/K3)
FUEL TANK (MODEL K4/K5)
GASKET SET
GEAR SHIFTING
HANDLE LEVER
HANDLE SWITCH
HANDLEBAR
HEADLAMP
HEADLAMP COVER
KNUCKLE COVER (OPTION)
LABEL
MAGNETO
MUFFLER
OIL PUMP
REAR COMBINATION LAMP
REAR CUSHION LEVER (MODEL K1/K2/K3)
REAR CUSHION LEVER (MODEL K4/K5)
REAR FENDER
REAR SWINGING ARM
REAR WHEEL
SEAT (MODEL K1)
SEAT (MODEL K2/K3/K4)
SEAT (MODEL K5)
SPEEDOMETER
STAND
STARTER CLUTCH
STARTING MOTOR (MODEL K1)
STARTING MOTOR (MODEL K2/K3/K4/K5)
STEERING STEM
TRANSMISSION
TURN SIGNAL LAMP
WIRING HARNESS
up