×
Buy Suzuki DR Parts Online
home
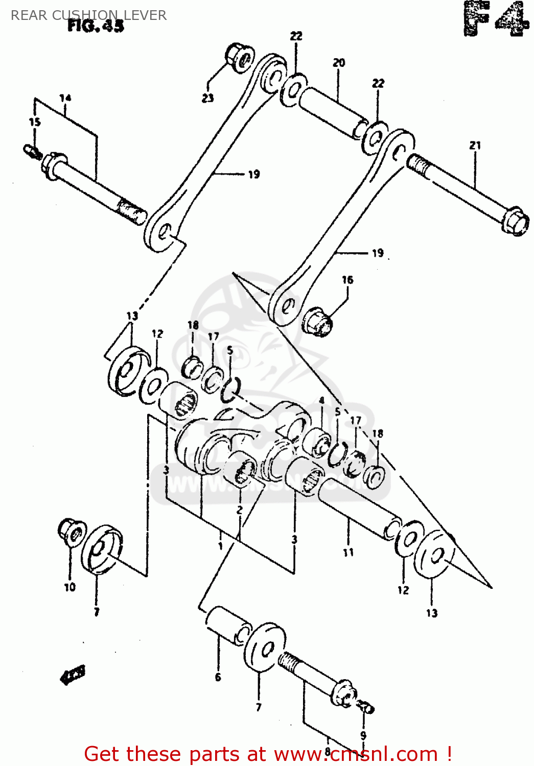
REAR CUSHION LEVER
DR350 1991 (M)
Rear cushion lever diagram DR350 1991 (M)
REAR CUSHION LEVER DR350 1991 (M)
×
prices are in EUR
ref
part #
description
quantity
1
6260214850
ref: 1
LEVER SET,RR CUSHION
€ 282.00
2
0926320074
ref: 2
BEARING(20X27X32)
€ 27.00
3
0926320071
ref: 3
BEARING(20X27X23.5)
€ 23.50
4
6217500B00
ref: 4
BEARING,RR CUSHION LEVER
€ 72.00
5
6265734A01
ref: 5
RING,STOPPER
€ 2.00
6
6231705D00
ref: 6
SPACER,RR CUSHION LEVER FR
€ 20.00
7
6216228C01
ref: 7
SEAL,REAR CUSHION LEVER
€ 7.00
8
6265014D00
ref: 8
BOLT,RR CUSHION LEVER FR
€ 17.50
9
0835121008
ref: 9
GREASE NIPPLE
€ 2.00
10
0831931128
ref: 10
NUT 12MM
€ 4.50
11
6262614D00
ref: 11
SPACER,RR CUSHION LEVER CTR
€ 22.00
12
0821114321
ref: 12
WASHER
€ 4.00
13
6268327C00
ref: 13
SEAL,RR CUSHION LEVER
€ 7.00
14
6262014D00
ref: 14
BOLT,RR CUSHION LEVER CTR
€ 28.50
15
0835121008
ref: 15
GREASE NIPPLE
€ 2.00
16
0831931148
ref: 16
NUT
€ 10.00
17
0928517001
ref: 17
SEAL,OIL(17X24X3)
€ 4.50
18
6268427C10
ref: 18
COLLAR
€ 9.00
19
6264014D00
ref: 19
ROD,RR CUSHION
€ 52.50
20
6264614D00
ref: 20
SPACER,RR CUSHION ROD
€ 17.00
21
6262214D10
ref: 21
BOLT,RR CUSHION ROD
€ 29.50
22
0821114323
ref: 22
WASHER
€ 3.50
23
0831931148
ref: 23
NUT
€ 10.00
up
all assemblies
* COLOR CHART *
* CATALOG PREFACE *
* CONVERSION CHART *
CYLINDER HEAD
CYLINDER
CRANKCASE
CRANKCASE COVER
CRANKSHAFT
CRANK BALANCER
CAM SHAFT - VALVE
CAM CHAIN
CARBURETOR (MODE
AIR CLEANER
MUFFLER
OIL PUMP
OIL COOLER (OPTI
CLUTCH
TRANSMISSION (E.
GEAR SHIFTING
KICK STARTER
MAGNETO (MODEL P
ELECTRICAL
TRIP METER
HEADLAMP
TAIL LAMP
WIRING HARNESS
FRAME
STAND - REAR BRA
FOOTREST
GRIP - CARRIER
FUEL TANK (MODEL
FUEL COCK
FRAME COVER (MOD
HEADLAMP COVER (
FRAONT FENDER
HANDLEBAR
RIGHT HANDLE LEV
LEFT HANDLE LEVE
REAR FENDER - LA
SEAT
FRONT FENDER (MO
STEERING STEM
FRONT WHEEL
FRONT CALIPER (M
FRONT MASTER CYL
REAR SWINGING ARM
REAR SHOCK ABSORBER
REAR CUSHION LEVER
REAR WHEEL (MODEL)
REAR CALIPER (MODELE
REAR MASTER CYLINDER
OPTIONAL
up