×
Buy Suzuki DR Parts Online
home
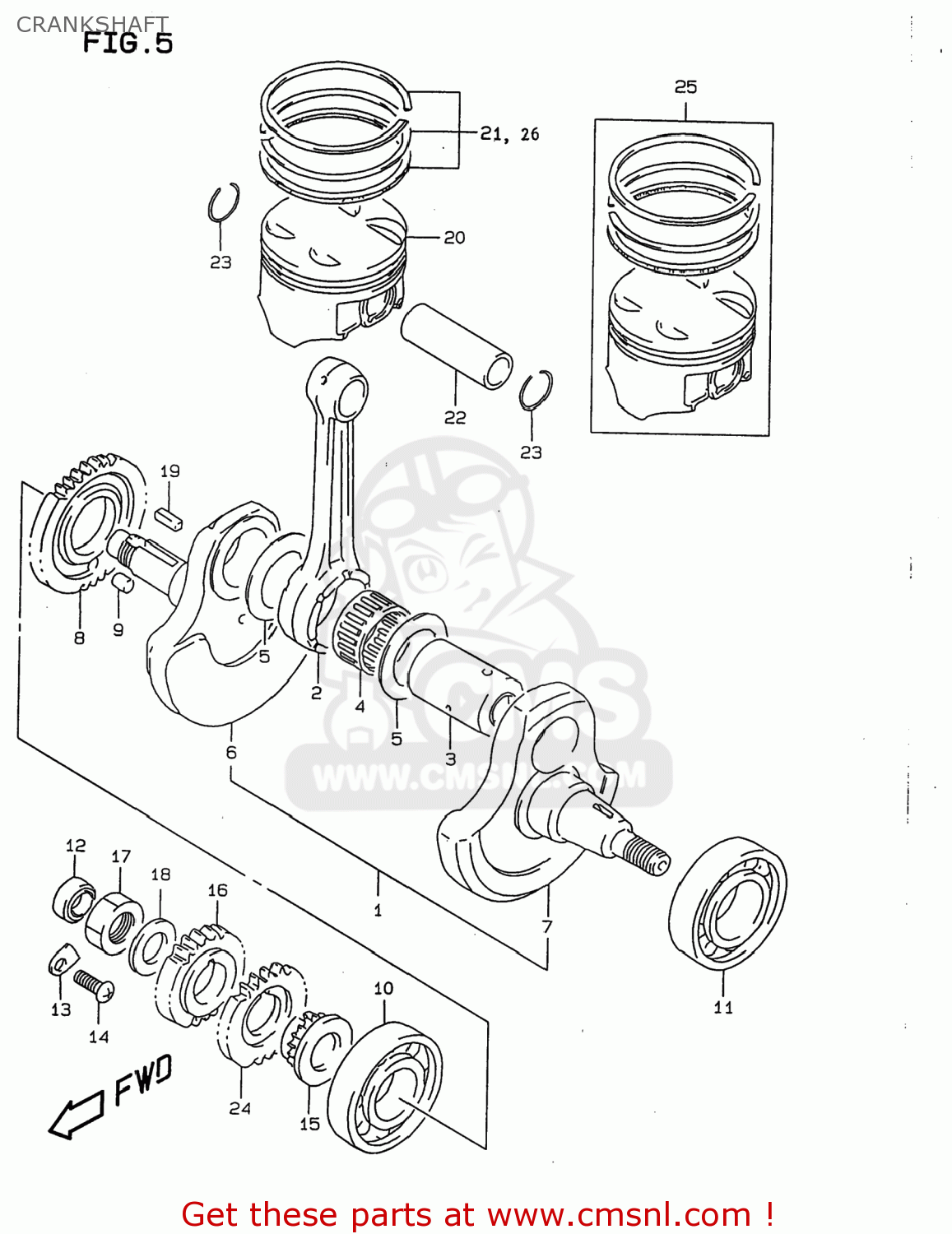
CRANKSHAFT
DR350 1998 (W) USA (E03)
Crankshaft diagram DR350 1998 (W) USA (E03)
CRANKSHAFT DR350 1998 (W) USA (E03)
×
prices are in EUR
ref
part #
description
quantity
1
1220014D00
ref: 1
CRANKSHAFT ASSY
€ 695.50
2
1216114D00
ref: 2
ROD,CONNECTING
€ 107.00
3
1221014D02
ref: 3
12210-14D03
PIN COMP,CRANK
€ 61.00
4
0926334005
ref: 4
BEARING(34X43X22)
€ 49.00
5
0916034003
ref: 5
WASHER(34X52X1)
€ 7.00
6
1222114D01
ref: 6
CRANKSHAFT,R
€ 321.00
7
1226114D00
ref: 7
CRANKSHAFT,L
€ 204.50
8
1266114D00
ref: 8
GEAR,CRANK BAL DRIVE(NT:37)
€ 128.00
9
0422108149
ref: 9
PIN
€ 2.50
10
0926230077
ref: 10
BEARING(30X72X19)
€ 51.50
11
0926235039
ref: 11
09262-35038
BEARING 35X72X17
€ 38.00
12
0928214003
ref: 12
SEAL,OIL(14X24X6)
€ 8.50
13
2474218A00
ref: 13
RETAINER,BEARING
€ 2.00
14
0211206123
ref: 14
02112-0612A
SCREW
€ 1.50
15
1273114D00
ref: 15
SPROCKET,CAM CHAIN DRIVE
€ 54.50
16-1
2111115D20
ref: 16-1
21111-15D21
GEAR,PRIMARY DRIVE (NT:
€ 50.00
16-2
2111115D21
ref: 16-2
GEAR,PRIMARY DRIVE
€ 50.00
17
0914018012
ref: 17
NUT
€ 8.50
18
0916418007
ref: 18
09164-18001
WASHER
€ 3.00
19
0942105009
ref: 19
KEY
€ 8.50
20
1211114D030F0
ref: 20
PISTON
€ 88.50
21
1214014D10
ref: 21
RING SET,PISTON
€ 62.00
22
1215124A00
ref: 22
PIN,PISTON
€ 20.00
23
0938120004
ref: 23
CIRCLIP,PISTON PIN
€ 2.00
24
1632115D00
ref: 24
16321-15D01
GEAR,OIL PUMP DRIVE (NT
€ 36.00
25-1
1210014D01050
ref: 25-1
PISTON SET(OS:0.5)
€ 141.50
25-2
1210014D01100
ref: 25-2
PISTON SET (OS:1.0)
€ 107.00
up
all assemblies
AIR CLEANER (E3
AIR CLEANER (E33)
CAM CHAIN
CAM SHAFT - VALVE
CARBURETOR (E3
CARBURETOR (E33)
CLUTCH
CRANK BALANCER
CRANKCASE
CRANKCASE COVER
CRANKSHAFT
CYLINDER
CYLINDER HEAD
ELECTRICAL
FOOTREST
FRAME
FRAME COVER
FRONT CALIPER
FRONT DAMPER
FRONT FENDER
FRONT MASTER CYLINDER
FRONT WHEEL
FUEL COCK
FUEL TANK (MODEL V/W)
FUEL TANK (MODEL X)
GEAR SHIFTING
HANDLEBAR
HEADLAMP
HEADLAMP COVER
KICK STARTER
LABEL
LEFT HANDLE LEVER
MAGNETO
MUFFLER
OIL COOLER (OPTIONAL)
OIL HOSE
OIL PUMP
REAR CALIPER
REAR CUSHION LEVER
REAR FENDER
REAR MASTER CYLINDER
REAR SHOCK ABSORBER
REAR SWINGING ARM
REAR WHEEL
RIGHT HANDLE LEVER
SEAT
STAND - REAR BRAKE
STEERING STEM
TAIL LAMP
TRANSMISSION
TRIP METER
WIRING HARNESS
up