×
Buy Suzuki DS Parts Online
home
DS80 1981 (X) USA (E03)
AIR CLEANER
8 products
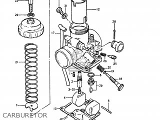
CARBURETOR
37 products
CLUTCH
22 products
CRANKCASE
16 products
CRANKCASE COVER
14 products
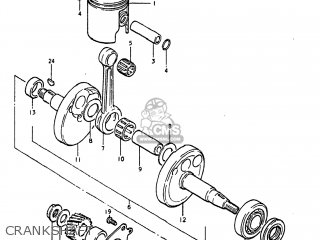
CRANKSHAFT
31 products
CYLINDER
21 products
ELECTRICAL
12 products
FRAME
7 products
FRAME COVER (DS80T)
10 products
FRAME COVER (DS80X
12 products
FRONT FORK
36 products
FRONT WHEEL
25 products
FUEL COCK
8 products
FUEL TANK
16 products
GEAR SHIFTING
34 products
HANDLEBAR - CONTROL CABLE
19 products
HEADLAMP
10 products
HEADLAMP HOUSING - FRONT FENDER
12 products
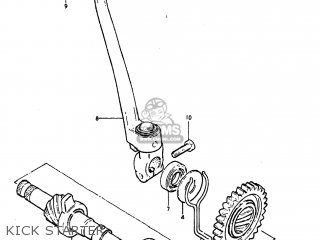
KICK STARTER
10 products
LEFT HANDLE SWITCH
9 products
MAGNETO
20 products
MUFFLER
24 products
OIL PUMP
24 products
OIL TANK
6 products
PROP STAND - BRAKE PEDAL
25 products
REAR FENDER
4 products
REAR SWINGING ARM
27 products
REAR WHEEL
33 products
RIGHT HANDLE SWITCH
17 products
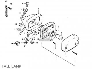
TAIL LAMP
18 products
TRANSMISSION
37 products
up
popular products
2751146000
SPROCKET,ENGINE(NT:13)
Suzuki
2751146700
SPROCKET,ENGINE
Suzuki
1315046011
VALVE ASSY,REED
Suzuki
1326846010
SPRING
Suzuki