×
Buy Suzuki GN Parts Online
home
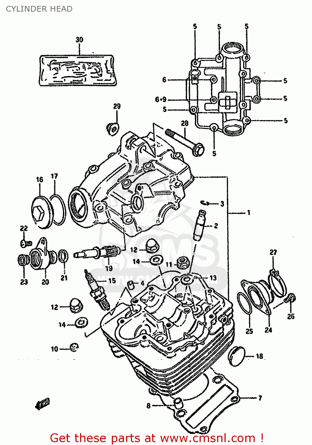
CYLINDER HEAD
GN125E 1982 (Z) SINGAPORE (E30)
Cylinder head diagram GN125E 1982 (Z) SINGAPORE (E30)
CYLINDER HEAD GN125E 1982 (Z) SINGAPORE (E30)
×
prices are in EUR
ref
part #
description
quantity
1-1
1110005200
ref: 1-1
E.NO.100050~100583 E
HEAD ASSEMBLY,CYLINDER
€ 532.50
1-2
1110005201
ref: 1-2
~E.NO.100049 E.NO.10
HEAD ASSEMBLY,CYLINDER
€ 532.50
1-3
1110005261
ref: 1-3
E.NO.107567~109585-1
HEAD ASSEMBLY,CYLINDER
€ 761.00
1-4
1110005263
ref: 1-4
E.NO.109586~MODEL K/
HEAD ASSY,CYLINDER
€ 761.00
2
1111505270
ref: 2
GUIDE,VALVE
€ 20.00
3
0938110004
ref: 3
RING,SNAP
€ 1.50
4
0920608001
ref: 4
PIN(6.2X8X11)
€ 2.00
5
0155006357
ref: 5
BOLT
€ 3.00
6
0155006607
ref: 6
BOLT
€ 3.00
7
1114105201
ref: 7
GASKET,CYLINDER HEAD (NAS)
€ 8.00
8
0421111169
ref: 8
PIN
€ 2.00
9
0916806023
ref: 9
GASKET(5.8X13X1.2) (NAS)
€ 2.00
10
1115145000
ref: 10
PAD,CYLINDER HEAD
€ 3.50
11-1
0915908031
ref: 11-1
~E.NO.114463
NUT
€ 2.00
11-2
0831610087
ref: 11-2
E.NO.114464~
NUT
€ 2.50
12-1
0915908029
ref: 12-1
~E.NO.114463
NUT
€ 6.50
12-2
0915908074
ref: 12-2
E.NO.114464~
NUT
€ 7.50
13
0916008039
ref: 13
WASHER(8.5X19X2.3)
€ 2.50
14-1
0916808012
ref: 14-1
~E.NO.137509
GASKET (NAS)
€ 5.00
14-2
0916808021
ref: 14-2
E.NO.137510~
GASKET(8.5X17X2.3) (NAS)
€ 3.00
15-1
0948200144
ref: 15-1
SPARK PLUG D8EA
€ 3.50
15-2
0948200145
ref: 15-2
SPARK PLUG X24ES-U
€ 3.50
15-3
0948200275
ref: 15-3
SPARK PLUG A6YC
€ 3.50
15-4
0948200149
ref: 15-4
MODEL Z/D/K/M E4,E18
SPARK PLUG DR8ES-L
€ 3.50
15-5
0948200399
ref: 15-5
MODEL R E2,E4,E21,E2
PLUG,SPARK(DR8EA)
€ 3.50
15-6
0948200223
ref: 15-6
E4,E18,E21,E22,E34 M
PLUG,SPARK(X24ESR-U)
€ 3.50
15-7
0948200276
ref: 15-7
E4,E18,E21,E34 MODEL
SPARK PLUG
€ 0.00
16
1117537111
ref: 16
CAP,INSPECTION HOLE
€ 15.50
17
0928030001
ref: 17
O RING(D:3,ID:29.5)
€ 2.00
18
0924122002
ref: 18
PLUG(OD:22.5)
€ 6.00
19
2643105201
ref: 19
GEAR,TACHOMETER DRIVEN
€ 21.50
20
2644149000
ref: 20
SLEEVE,TACHOMETER DRIVE GEAR
€ 19.50
21
2645145000A
ref: 21
SEAL,TACHOMETER DRIVEN
€ 4.50
22
0912605101
ref: 22
SCREW
€ 0.00
23
0928905002
ref: 23
SEAL,OIL(5X12X8)
€ 11.00
24
1311005300
ref: 24
PIPE,INTAKE
€ 37.00
25
0928032006
ref: 25
O RING(D:2.4,ID:31.7)
€ 2.50
26-1
0211236165
ref: 26-1
MODEL Z/D/K/M/N
SCREW
€ 2.50
26-2
0211236163
ref: 26-2
MODEL R
SCREW
€ 2.50
27
0940244208
ref: 27
CLAMP
€ 6.50
28
0910308081
ref: 28
BOLT(8X50)
€ 4.00
29
0831931087
ref: 29
NUT
€ 3.00
30
1140105862
ref: 30
-11401-05861
GASKET SET (NAS)
€ 86.50
up
all assemblies
* COLOR CHART *
* CATALOG PREFACE *
* CONVERSION CHART *
CYLINDER HEAD
CYLINDER
CRANKCASE
CRANKCASE COVER
CRANKSHAFT
STARTER CLUTCH
CAM SHAFT-VALVE
CAM CHAIN
CARBURETOR
AIR CLEANER
MUFFLER
OIL PUMP
CLUTCH
TRANSMISSION
GEAR SHIFTING
STARTING MOTOR (MODEL M/N/R)
MAGNETO
BATTERY
ELECTRICAL (MODEL N/R)
SPEEDOMETER-TACHOMETER
SPEEDOMETER-TACHOMETER (E30)
HEADLAMP
HEADLAMP (E4 F.NO.140198~)
HEADLAMP (MODEL N/R E30)
TURN SIGNAL LAMP (MODEL Z/D/K/M)
TURN SIGNAL LAMP (MODEL Z E2)
TURN SIGNAL LAMP (MODEL Z/D/K E4)
TURN SIGNAL LAMP (MODEL N/R E30)
REAR COMBINATION LAMP
REAR COMBINATION LAMP (E2,E4,E21,E34)
REAR COMBINATION (MODEL N/R E30)
WIRING HARNESS (MODEL N/R E30)
FRAME
STAND
REAR BRAKE
FOOTREST
FUEL TANK (MODEL Z)
FUEL TANK (MODEL D/K/M/N/R)
FUEL COCK
SEAT
FRAME COVER (MODEL Z)
FRAME COVER (MODEL D/K/M/N/R)
FRONT FORK
FRONT FENDER-HEADLAMP HOUSING
FRONT WHEEL (GN125Z/D/K/M/R)
FRONT WHEEL (GN125EZ/ED/EK/EM/EN/ER E30)
HANDLEBAR-FRONT CABLE (MODEL N,GN125ER)
HANDLE SWITCH (MODEL N,GN125ER)
CALIPER (MODEL Z)
FRONT CALIPERS (MODEL M E34,MODEL N/R)
BRAKE HOSE
FRONT MASTER CYLINDER (MODEL M/N/R)
REAR SWINGING ARM
CHAIN CASE-REAR SHOCK ABSOBER
REAR FENDER
REAR WHEEL (GN125Z/D/K/M/R)
REAR WHEEL (GN125EZ/ED/EK/EM/EN/ER E30)
OPTIONAL
up