×
Buy Suzuki GN Parts Online
home
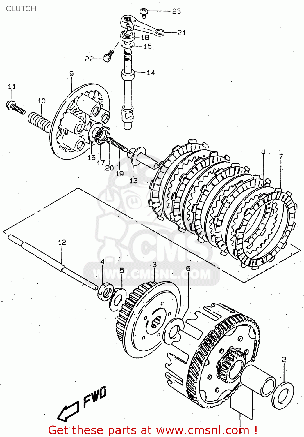
CLUTCH
GN125E 1998 (W) SINGAPORE (E30)
Clutch diagram GN125E 1998 (W) SINGAPORE (E30)
CLUTCH GN125E 1998 (W) SINGAPORE (E30)
×
prices are in EUR
ref
part #
description
quantity
1
2120005880
ref: 1
NT:20/59
GEAR ASSY,PRIMARY(NT:20/59)
€ 186.00
2
0821120353
ref: 2
WASHER
€ 3.00
3
2141105200
ref: 3
HUB,CLUTCH SLEEVE
€ 51.00
4
0914016005
ref: 4
NUT
€ 5.00
5
0916916003
ref: 5
WASHER
€ 2.50
6
0821120352
ref: 6
WASHER
€ 3.50
7
2144113A01
ref: 7
PLATE,CLUTCH DRIVE(T:3.0) (NAS)
€ 7.50
8
2145119A00
ref: 8
PLATE,CLUTCH DRIVEN (NAS)
€ 5.00
9
2146214102
ref: 9
PLATE,CLUTCH PRESSURE
€ 16.00
10
0944015014
ref: 10
SPRING
€ 4.50
11
0911605003
ref: 11
MODEL V/W
BOLT 5X16
€ 3.00
11
0911605020
ref: 11
MODEL X
BOLT(5X16)
€ 3.00
12
2311005202
ref: 12
ROD,CLUTCH PUSH
€ 11.00
13
2312138201
ref: 13
PIECE,CLUTCH PUSH
€ 17.00
14
2312205200
ref: 14
CAMSHAFT,CLUTCH RELEASE
€ 34.00
15
0918110195
ref: 15
SHIM(10X20X1)
€ 2.00
16
0916015045
ref: 16
WASHER(15.5X28X1)
€ 4.50
17
0926315003
ref: 17
BEARING(15X28X2)
€ 7.50
18
0928210012
ref: 18
SEAL,OIL(10X20X6)
€ 7.50
19
0913406010
ref: 19
SCREW(6X25)
€ 3.50
20
0914006023
ref: 20
NUT
€ 2.50
21
2327146010
ref: 21
ARM,CLUTCH RELEASE
€ 15.50
22
0150006167
ref: 22
BOLT
€ 3.00
23
0214206103
ref: 23
SCREW 6X10
€ 2.00
up
all assemblies
* COLOR CHART *
* CATALOG PREFACE *
* CONVERSION CHART *
CYLINDER HEAD
AIR CLEANER
MUFFLER
OIL PUMP
CLUTCH
TRANSMISSION
GEAR SHIFTING
STARTING MOTOR
MAGNETO
BATTERY
ELECTRICAL
CYLINDER
SPEEDOMETER - TACHOMETER (GN125V/W/X)
SPEEDOMETER - TACHOMETER (GN125EV/EW/EX)
HEADLAMP (E2,E71,P9)
HEADLAMP (E4,E18,E21,E22)
HEADLAMP (GN125E E1,E30)
TURN SIGNAL LAMP (E1,E2,E4,E18,E21,E22,E71,P9)
TURN SIGNAL LAMP (GN125E E1,E30)
REAR COMBINATION LAMP (E1,E71,P9)
REAR COMBINATION LAMP (E2,E4,E21)
REAR COMBINATION LAMP (E18,E22)
REAR COMBINATION (GN125E E1,E30)
WIRING HARNESS (GN125V/W/X)
WIRING HARNESS (GN125EV/EW/EX)
HANDLE SWITCH
FRAME
STAND
FOOTREST
CARRIER
CRANKCASE
FUEL TANK (MODEL V/W)
FUEL TANK (MODEL X)
FUEL COCK
FRAME COVER (MODEL V/W)
FRAME COVER (MODEL X)
FRONT FENDER - HEADLAMP HOUSING
HANDLEBAR - FRONT CABLE
HANDLE LEVER
REAR FENDER
SEAT
FRONT DAMPER
STEERING STEM
CRANKCASE COVER
FRONT WHEEL (GN125V/W/X)
FRONT WHEEL (GN125EV/EW/EX)
FRONT CALIPER
FRONT MASTER CYLINDER
REAR SWINGING ARM
REAR SHOCK ABSOBER
REAR WHEEL (GN125V/W/X)
REAR WHEEL (GN125EV/EW/EX)
OPTIONAL
CRANKSHAFT
STARTER CLUTCH
CAM SHAFT - VALVE
CAM CHAIN
CARBURETOR
up