Buy Suzuki GN Parts Online

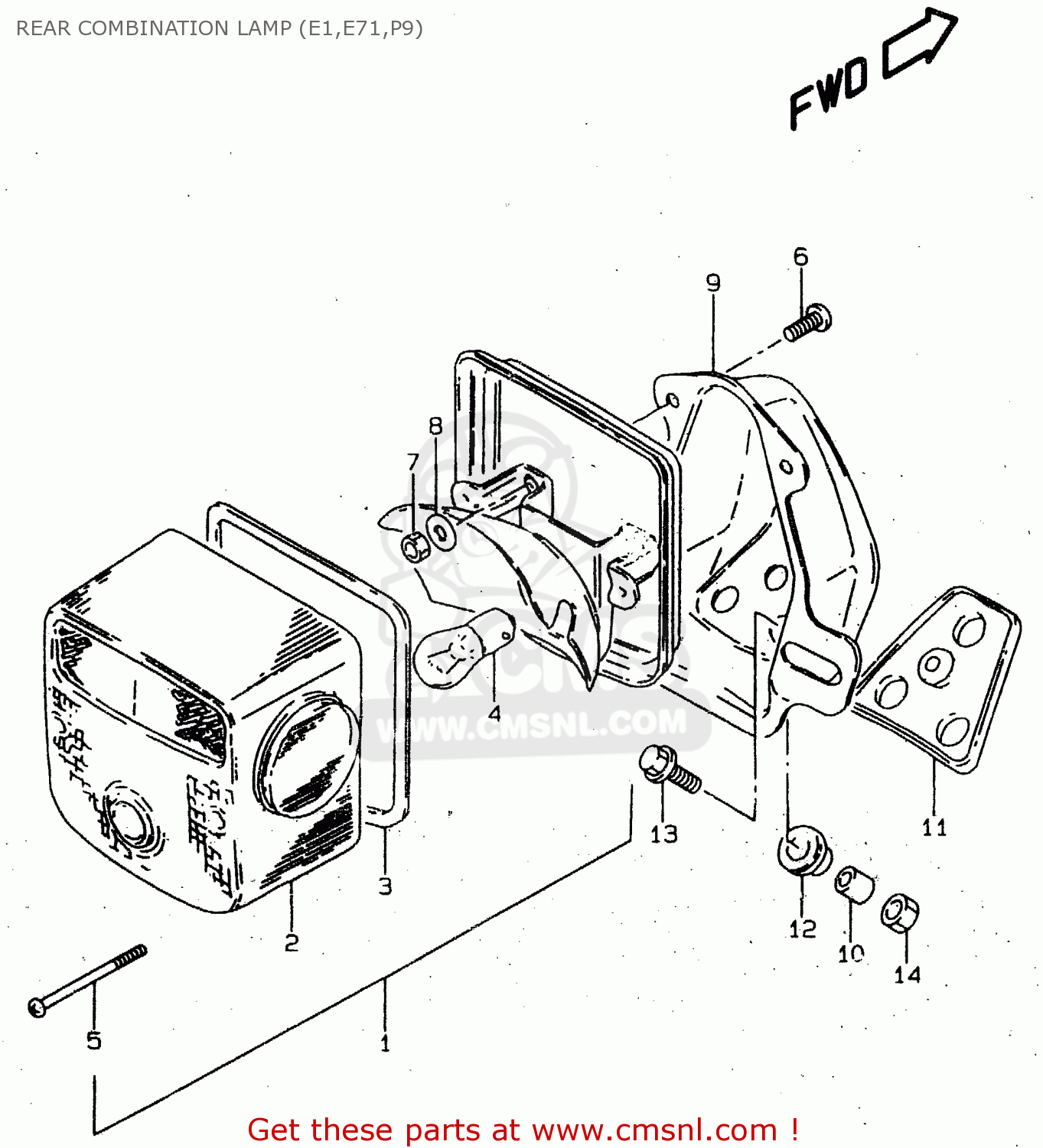
REAR COMBINATION LAMP (E1,E71,P9)

GN125U 1998 (W) GERMANY (E22)

Rear combination lamp (e1,e71,p9) diagram GN125U 1998 (W) GERMANY (E22)

REAR COMBINATION LAMP (E1,E71,P9) GN125U 1998 (W) GERMANY (E22)
REAR COMBINATION LAMP (E1,E71,P9) GN125U 1998 (W) GERMANY (E22)
REAR COMBINATION LAMP (E1,E71,P9) GN125U 1998 (W) GERMANY (E22)
prices are in EUR
ref
part #
description
quantity
1
3572005311999
ref: 1
LAMP UNIT, TAIL
€ 115.50

2
3571248624
ref: 2
LENS,RR COMBIN
€ 66.00

3
3571330510
ref: 3
GASKET (NAS)
3571330510
€ 6.00

4
0947112035
ref: 4
BULB(12V23W)
0947112035
€ 5.50

5
0912504002
ref: 5
SCREW (4X55)
0912504002
€ 1.50

6
0211205127
ref: 6
SCREW
0211205127
€ 2.50

7
0831000057
ref: 7
NUT
0831000057
€ 2.50

8
0832201057
ref: 8
WASHER
0832201057
€ 2.50

9
3573026470
ref: 9
BRACKET UNIT,TAIL LAMP
3573026470
€ 104.00

10
3576626470
ref: 10
SPACER
3576626470
€ 2.50

11
3576526470
ref: 11
CUSHION
3576526470
€ 10.50

12
3576426470
ref: 12
CUSHION
3576426470
€ 2.50

13
0911606167
ref: 13
BOLT(6X20)
0911606167
€ 2.50

14
0831000063
ref: 14
NUT 6MM
0831000063
€ 2.50