Buy Suzuki GN Parts Online

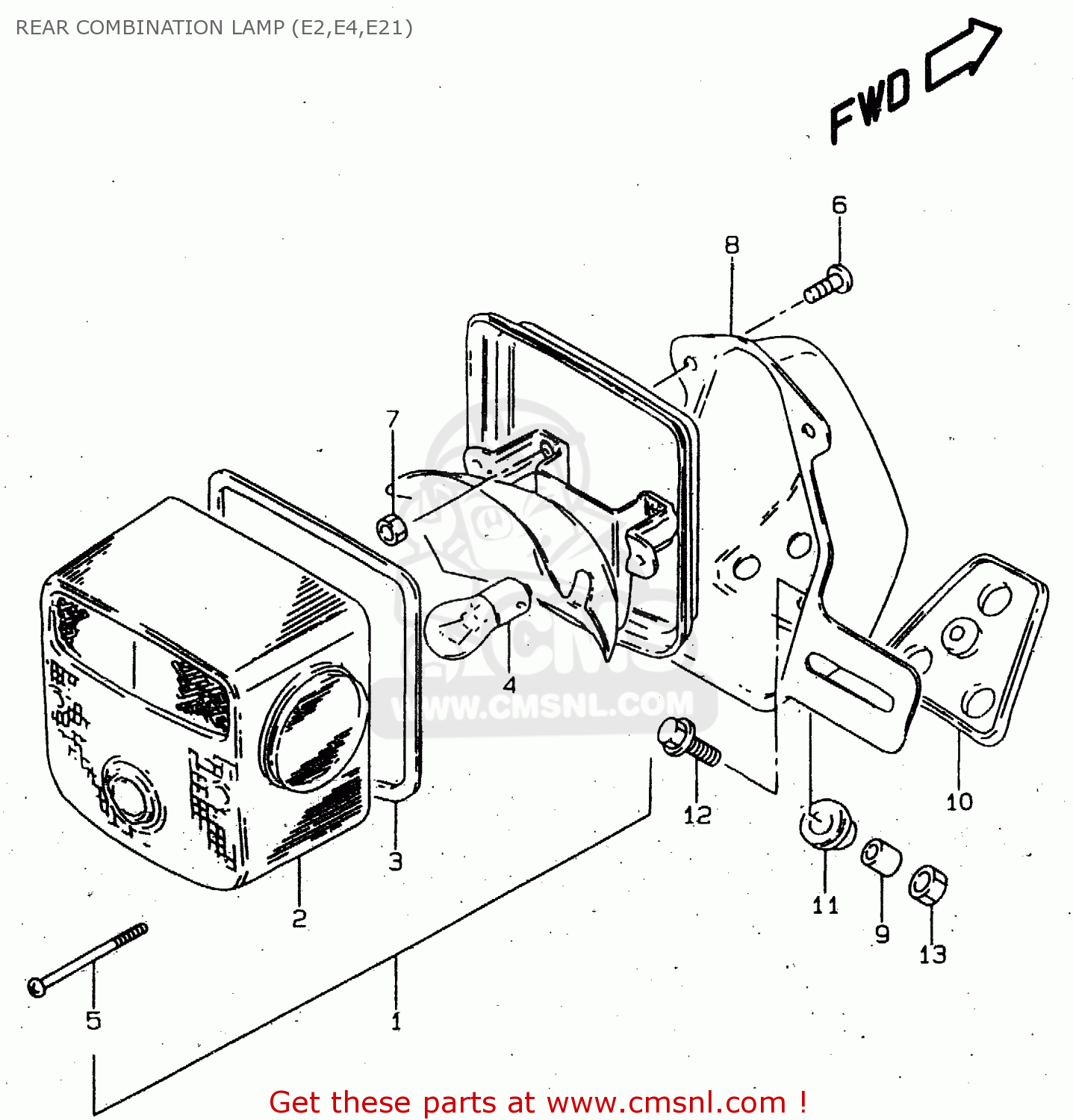
REAR COMBINATION LAMP (E2,E4,E21)

GN125U 1998 (W) GERMANY (E22)

Rear combination lamp (e2,e4,e21) diagram GN125U 1998 (W) GERMANY (E22)

REAR COMBINATION LAMP (E2,E4,E21) GN125U 1998 (W) GERMANY (E22)
REAR COMBINATION LAMP (E2,E4,E21) GN125U 1998 (W) GERMANY (E22)
REAR COMBINATION LAMP (E2,E4,E21) GN125U 1998 (W) GERMANY (E22)
prices are in EUR
ref
part #
description
quantity
1
3572038350
ref: 1
LAMP UNIT,RR COMBNATION
€ 138.00

2
3571238350
ref: 2
LENS
3571238350
€ 66.00

3
3571330510
ref: 3
GASKET (NAS)
3571330510
€ 6.00

4
0947112083
ref: 4
BULB(12V21/5W)
0947112083
€ 6.00

5
0912504002
ref: 5
SCREW (4X55)
0912504002
€ 1.50

6
0211206127
ref: 6
SCREW
0211206127
€ 2.50

7
0831000067
ref: 7
NUT
0831000067
€ 2.50

8
3573038310
ref: 8
BRACKET UNIT,TAIL LAMP
3573038310
€ 57.50

9
3576626470
ref: 9
SPACER
3576626470
€ 2.50

10
3576526470
ref: 10
CUSHION
3576526470
€ 10.50

11
3576426470
ref: 11
CUSHION
3576426470
€ 2.50

12
0911606167
ref: 12
BOLT(6X20)
0911606167
€ 2.50

13
0831000063
ref: 13
NUT 6MM
0831000063
€ 2.50