×
Buy Suzuki GN Parts Online
home
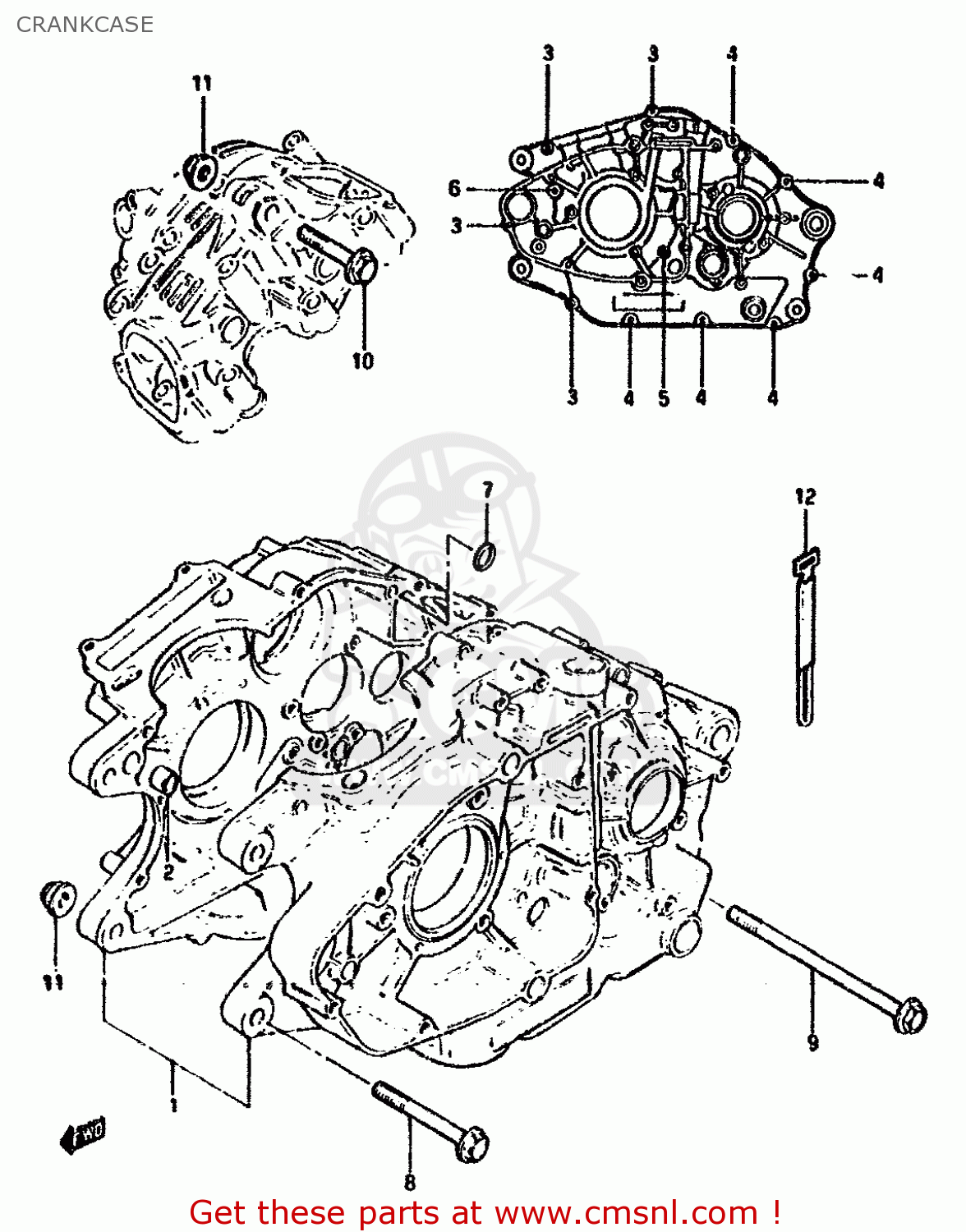
CRANKCASE
GN250 1988 (J) (E2 E22 E24 E39 E53)
Crankcase diagram GN250 1988 (J) (E2 E22 E24 E39 E53)
CRANKCASE GN250 1988 (J) (E2 E22 E24 E39 E53)
×
prices are in EUR
ref
part #
description
quantity
1
1130038861
ref: 1
CRANKCASE SET
€ 622.50
2
0920613001
ref: 2
PIN
€ 2.50
3
0154706357
ref: 3
BOLT
€ 2.50
4
0154706457
ref: 4
BOLT
€ 2.50
5-1
0154706557
ref: 5-1
MODEL F/J/K/L/M/N/P
BOLT
€ 2.50
5-2
0154706553
ref: 5-2
MODEL R
BOLT
€ 3.00
6-1
0154706607
ref: 6-1
MODEL F/J/K/L/M/N/P
BOLT
€ 3.00
6-2
0154706603
ref: 6-2
MODEL R
BOLT
€ 4.00
7
0928009005
ref: 7
O RING(D:1.9,ID:8.6)
€ 4.50
8
0910308037
ref: 8
BOLT(8X67)
€ 7.00
9
0910308070
ref: 9
BOLT(8X100)
€ 6.00
10
0910308081
ref: 10
BOLT(8X50)
€ 4.00
11
0831931087
ref: 11
NUT
€ 3.00
12
1382738300
ref: 12
CLAMP,AIR CLEANER DRAIN TUBE
€ 4.50
up
all assemblies
* COLOR CHART *
* CATALOG PREFACE *
* CONVERSION CHART *
CYLINDER HEAD
CYLINDER
CRANKCASE
CRANKCASE COVER
CRANKSHAFT
STARTER CLUTCH
CRANK BALANCER
CAM SHAFT-VALVE
CAM CHAIN
CARBURETOR
AIR CLEANER
MUFFLER
OIL PUMP
CLUTCH
TRANSMISSION
GEAR SHIFTING
STARTING MOTOR
MAGNETO
BATTERY
ELECTRICAL
SPEEDOMETER-TACHOMETER
HEADLAMP (E22,E25,E34,E39,E53)
HEADLAMP (E4)
TURN SIGNAL LAMP (E22)
TURN SIGNAL LAMP (E1,P95,MODEL M E24)
TURN SIGNAL LAMP (E25,E39)
REAR COMBINATION LAMP (E22)
REAR COMBINATION LAMP (E1,E2,E4,E24,E34,E53,P95)
REAR COMBINATION LAMP (E25,E39)
WIRING HARNESS
FRAME
STAND
REAR BRAKE
FOOTREST
FUEL TANK
FUEL COCK
SEAT
FRAME COVER
FRONT FORK
STEERING STEM
FRONT FENDER-HEADLAMP HOUSING
FRONT WHEEL (GN250EM/ER)
HANDLEBAR
RIGHT HANDLE SWITCH
LEFT HANDLE SWITCH
FRONT CALIPERS
FRONT BRAKE HOSE
MASTER CYLINDER (MODEL R)
REAR SWINGING ARM
CHAIN CASE-SHOCK ABSORBER
REAR FENDER
REAR WHEEL (GN250EM/ER)
OPTIONAL
up