×
Buy Suzuki GN Parts Online
home
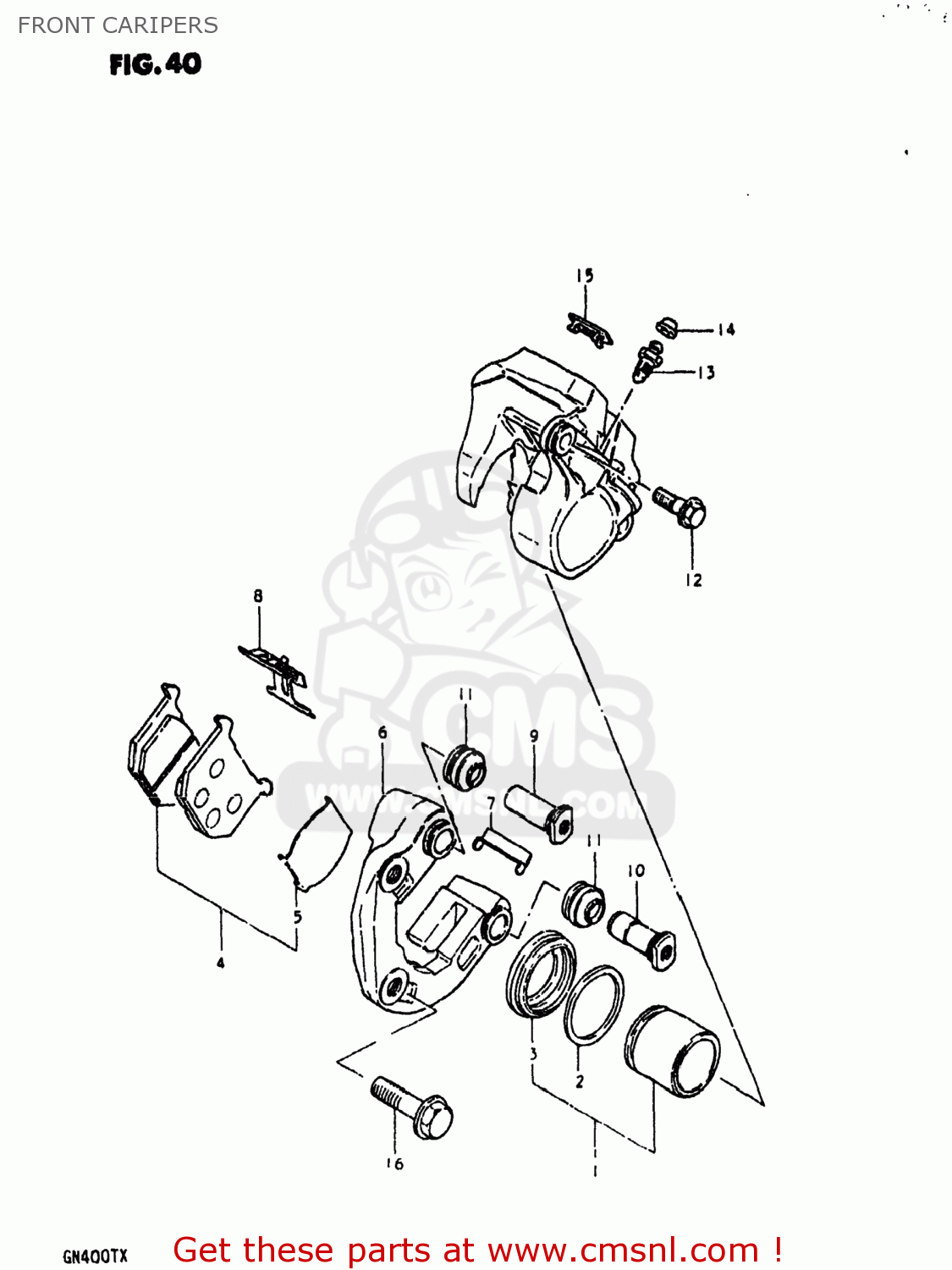
FRONT CARIPERS
GN400XX 1980 (T) USA (E03)
Front caripers diagram GN400XX 1980 (T) USA (E03)
FRONT CARIPERS GN400XX 1980 (T) USA (E03)
×
prices are in EUR
ref
part #
description
quantity
0
5930044100
ref: 0
59300-441V0
CALIPER ASSEMBLY,FRONT,LEFT
€ 162.50
1
5930145820
ref: 1
59301-45822
PISTON SET
€ 123.50
2
5910718410
ref: 2
69107-05CF0
SEAL,PISTON
€ 17.00
3
5930845200
ref: 3
BOOT,PISTON
€ 13.00
4
5930145810
ref: 4
59302-45850-XNA
PAD SET (MCA)
€ 72.50
5
5937145200
ref: 5
SHIM,PAD
€ 15.00
6
5930044830
ref: 6
59300-44831
CARRIER,CALIPER,LEFT
€ 70.00
7
5931645200
ref: 7
59316-45201
GUIDE,PAD
€ 20.50
8
5931545200
ref: 8
SPRING,PAD
€ 31.50
9
5930545200
ref: 9
AXLE NO.1
€ 15.00
10
5930645200
ref: 10
AXLE NO.2
€ 13.50
11
5931245200
ref: 11
BOOT,AXLE
€ 11.00
12
5931445200
ref: 12
59314-45201
BOLT,CALIPER HOUSING
€ 13.00
13
5912118410
ref: 13
BLEEDER
€ 8.50
14
5912218410
ref: 14
55156-66310
CAP,BREATHER
€ 6.50
15
5932445200
ref: 15
59324-45201
COVER,INDICATOR
€ 9.50
16
0151710408
ref: 16
01550-10407
BOLT
€ 4.00
up
all assemblies
AIR CLEANER
CAM CHAIN
CAM SHAFT - VALVE
CARBURETOR
CHAIN CASE - SHOCK ABSORBER
CLUTCH
CRANKCASE
CRANKCASE COVER
CRANKSHAFT
CYLINDER
CYLINDER HEAD
ELECTRICAL
FOOTREST
FRAME
FRAME COVER (GN400T
FRAME COVER (GN400TX
FRONT BRAKE HOSE
FRONT CARIPERS
FRONT FORK
FRONT WHEEL (GN400T
FRONT WHEEL (GN400XT
FUEL COCK
FUEL TANK (GN400T
FUEL TANK (GN400TX
GEAR SHIFTING
HANDLEBAR
HEADLAMP
HEADLAMP HOUSING - FRONT FENDER
KICK STARTER
LEFT HANDLE SWITCH
MAGNETO
MASTER CYLINDER (GN400T
MASTER CYLINDER (GN400XT
MUFFLER
OIL PUMP
REAR COMBINATION LAMP
REAR FENDER
REAR SWINGING ARM
REAR WHEEL (GN400T
REAR WHEEL (GN400XT
RIGHT HANDLE SWITCH
SEAT
SPEEDOMETER - TACHOMETER
STAND
STEERING STEM
TRANSMISSION
TURN SIGNAL LAMP
WIRING HARNESS
up