Buy Suzuki GP Parts Online

CYLINDER

GP100 1979 (N) (E01 E02 E06 E13 E14 E24 E30)

Cylinder diagram GP100 1979 (N) (E01 E02 E06 E13 E14 E24 E30)

CYLINDER GP100 1979 (N) (E01 E02 E06 E13 E14 E24 E30)
CYLINDER GP100 1979 (N) (E01 E02 E06 E13 E14 E24 E30)
CYLINDER GP100 1979 (N) (E01 E02 E06 E13 E14 E24 E30)
prices are in EUR
ref
part #
description
quantity
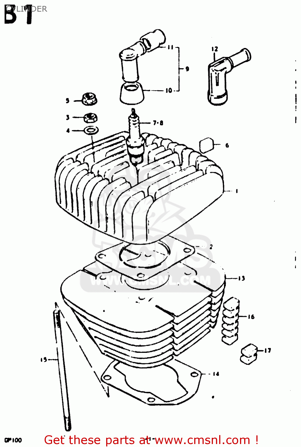
1-1
1111139212
ref: 1-1

(N, UN = E2, E24)
HEAD,CYLINDER
€ 0.00

2
1114139211
ref: 2
GASKET, CYLINDER HEAD (MCA)
1114139211
€ 13.00

3
0914008005
ref: 3
NUT (8MM)
0914008005
€ 2.00

4
0832221088
ref: 4
WASHER
0832221088
€ 2.50

6
1125225000
ref: 6
PAD,CYLINDER
1125225000
€ 5.50

7-1
0948200057
ref: 7-1
SPARK PLUG
€ 4.50

8-1
0948200058
ref: 8-1
SPARK PLUG W24FS
€ 4.00

12-1
3351022610
ref: 12-1

E2
CAP,SPARK PLUG
3351022610
€ 61.50

13
1121039212
ref: 13
CYLINDER
€ 0.00

14
1124139101
ref: 14
GASKET, CYLINDER (MCA)
1124139101
€ 7.00

15
0910808028
ref: 15
BOLT,STUD
0910808028
€ 6.00

16
1125139100
ref: 16
RUBBER PAD, CYLINDER (1)
1125139100
€ 7.50

17
1125139110
ref: 17
PAD,CYLINDER
€ 7.50