×
Buy Suzuki GS Parts Online
home
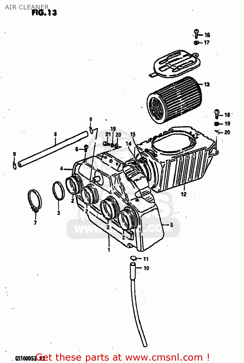
AIR CLEANER
GS1000 1982 (Z) USA (E03)
Air cleaner diagram GS1000 1982 (Z) USA (E03)
AIR CLEANER GS1000 1982 (Z) USA (E03)
×
prices are in EUR
ref
part #
description
quantity
1
1371049300
ref: 1
CASE ASSY, FRONT
€ 0.00
2
1388149020
ref: 2
13881-49021
TUBE,AIR CLEANER OUTLET
€ 18.00
3
1388547030
ref: 3
RING,CARBURETOR AIR INLET HOSE
€ 8.00
4
1383145500
ref: 4
13831-49020
COVER,AIR CLEA
€ 30.50
5
1383245500
ref: 5
13832-49020
COVER
€ 25.00
6
0211204106
ref: 6
02112-0410A
SCREWM4X0.7X10
€ 1.50
7
0940264306
ref: 7
09402-64203
CLAMP
€ 7.00
8
1385100220
ref: 8
09352-11153-600
TUBE,BREATHER
€ 15.00
9
0940114301
ref: 9
CLIP
€ 2.00
10
1387000010
ref: 10
13870-11458
DRAIN TUBE
€ 15.00
11
0940114301
ref: 11
CLIP
€ 2.00
12
1370045810
ref: 12
CLEANER SET,AIR,REAR
€ 176.50
13
1378045500
ref: 13
FILTER,AIR CLEANER
€ 41.00
14
1379549000
ref: 14
HOSE,AIR CLEANER
€ 42.00
15
1379649000
ref: 15
BAND
€ 7.00
16
0211205128
ref: 16
02112-05127
SCREW
€ 2.50
17
0832121058
ref: 17
08321-0105A
LOCK WASHER
€ 2.00
18
0211206208
ref: 18
02112-06207
SCREW
€ 2.00
19
0832121068
ref: 19
08321-01067
LOCK WASHER
€ 2.50
20
0832221068
ref: 20
08322-01067
WASHER
€ 2.50
21
0110706208
ref: 21
01500-06207
BOLT
€ 2.50
up
all assemblies
AIR CLEANER
BATTERY
CAM CHAIN
CAM SHAFT-VALVE
CARBURETOR
CHAIN CAGE-REAR SHOCK ASSOABER
CLUTCH
COWLING
CRANKCASE
CRANKCASE COVER
CRANKSHAFT
CYLINDER
CYLINDER HEAD
CYLINDER HEAD COVER (E.NO.101417~)
CYLINDER HEAD COVER (~E.NO.101416)
ELECTRICAL
FOOTREST
FRAME
FRAME COVER
FRONT BRAKE HOSE
FRONT CALIPERS
FRONT DAMPER
FRONT FENDER
FRONT MASTER CYLINDER
FRONT WHEEL
FUEL COCK
FUEL TANK
GEAR SHIFTING
GENERATOR
HANDLEBAR
HASTER CYLINDER
HEADLAMP
LEFT HANDLE SWITCH
MUFFLER
OIL PUMP-OIL FILTER
REAR BRAKE HOSE
REAR CARIPERS
REAR COMBINATION LAMP
REAR FENDER
REAR SWINGING ARM
REAR WHEEL
RIGHT HANDLE SWITCH
SEAT
SIGNAL GENERATOR
SPEEDOMETER-TACHOMETER
STAND
STARTER CLUTCH
STARTING MOTOR
STEERING STEM
TRANSMISSION
TURN SIGNAL LAMP
WIRING HARNESS
up