×
Buy Suzuki GS Parts Online
home
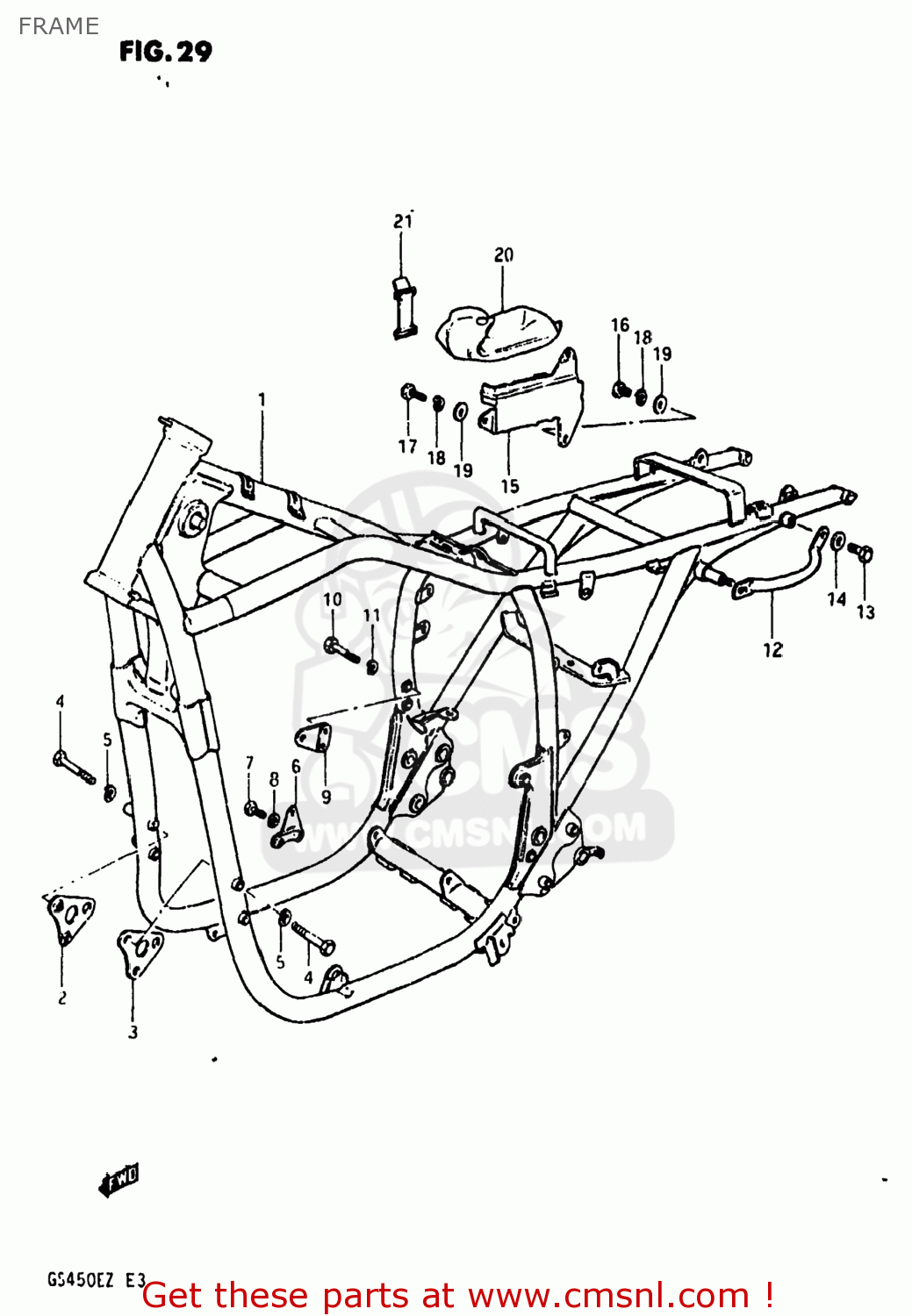
FRAME
GS450SX 1980 (T) USA (E03)
Frame diagram GS450SX 1980 (T) USA (E03)
FRAME GS450SX 1980 (T) USA (E03)
×
prices are in EUR
ref
part #
description
quantity
1
4110044100019
ref: 1
FRAME
€ 0.00
2
4193044000019
ref: 2
PLATE,ENGINE MOUNTING
€ 8.00
3
4194044000019
ref: 3
PLATE,ENGINE MOUNTING
€ 8.00
4
0110708608
ref: 4
01500-0860B
BOLT
€ 2.50
5
0832121088
ref: 5
08321-01087
LOCK WASHER
€ 2.50
6
4192044100019
ref: 6
PLATE,ENGINE MOUNTING
€ 0.00
7
0110708168
ref: 7
01500-0816B
BOLT
€ 2.00
8
0832121088
ref: 8
08321-01087
LOCK WASHER
€ 2.50
9
4191044000019
ref: 9
PLATE,ENGINE MOUNTING
€ 0.00
10
0110708458
ref: 10
01500-08453
BOLT 8X45
€ 3.00
11
0832121088
ref: 11
08321-01087
LOCK WASHER
€ 2.50
12
4161144100
ref: 12
GRIP,FRAME HANDLE
€ 18.50
13
0110708168
ref: 13
01500-0816B
BOLT
€ 2.00
14
0832211088
ref: 14
08322-01087
WASHER
€ 2.50
15
4155144100
ref: 15
HOLDER,TOOL
€ 28.50
16
0211206128
ref: 16
02112-06127
SCREW 6X12
€ 2.50
17
0211206208
ref: 17
02112-06207
SCREW
€ 2.00
18
0832121068
ref: 18
08321-01067
LOCK WASHER
€ 2.50
19
0832221068
ref: 19
08322-01067
WASHER
€ 2.50
20
0980006800
ref: 20
09800-06801
TOOL SET
€ 52.00
21
0946200072
ref: 21
BAND
€ 8.50
up
all assemblies
AIR CLEANER
BATTERY
CAM CHAIN
CAM SHAFT - VALVE
CARBURETOR
CHAIN CASE - SHOCK ABSORBER
CLUTCH
COWLING
COWLING (GS450ST/SX)
CRANKCASE
CRANKCASE COVER
CRANKSHAFT
CRANKSHAFT BALANCER
CYLINDER
CYLINDER HEAD
CYLINDER HEAD COVER (E.NO.162953~)
CYLINDER HEAD COVER (~E.NO.162952)
ELECTRICAL
FOOTREST
FRAME
FRAME COVER (MODEL T)
FRAME COVER (MODEL X)
FRAME COVER (MODEL Z)
FRONT BRAKE HOSE
FRONT CALIPERS
FRONT FORK (MODEL T
FRONT FORK (MODEL Z)
FRONT MASTER CYLINDER
FRONT WHEEL
FUEL COCK
FUEL TANK (MODEL T)
FUEL TANK (MODEL X)
FUEL TANK (MODEL Z)
GEAR SHIFTING
GENERATOR
HANDLEBAR (GS450ET
HANDLEBAR (GS450ST
HEADLAMP
HEADLAMP HOUSING - FRONT FENDER
LEFT HANDLE SWITCH (GS450ET
LEFT HANDLE SWITCH (GS450EZ)
LEFT HANDLE SWITCH (GS450ST
MUFFLER
OIL FILTER - OIL PUMP
REAR CONBINATION LAMP
REAR FENDER
REAR SWINGING ARM
REAR WHEEL
RIGHT HANDLE SWITCH (GS450ET
RIGHT HANDLE SWITCH (GS450EZ)
RIGHT HANDLE SWITCH (GS450ST
SEAT (MODEL T)
SEAT (MODEL X)
SEAT (MODEL Z)
SEAT TAIL COVER (MODEL T)
SEAT TAIL COVER (MODEL X)
SEAT TAIL COVER (MODEL Z)
SIGNAL GENERATOR
SPEEDOMETER - TACHOMETER
STAND - REAR BRAKE
STARTER CLUTCH
STARTING MOTOR
STEERING STEM (MODEL T
STEERING STEM (MODEL Z)
TRANSMISSION
TURN SIGNAL LAMP
WIRING HARNESS
up