Buy Suzuki GS Parts Online

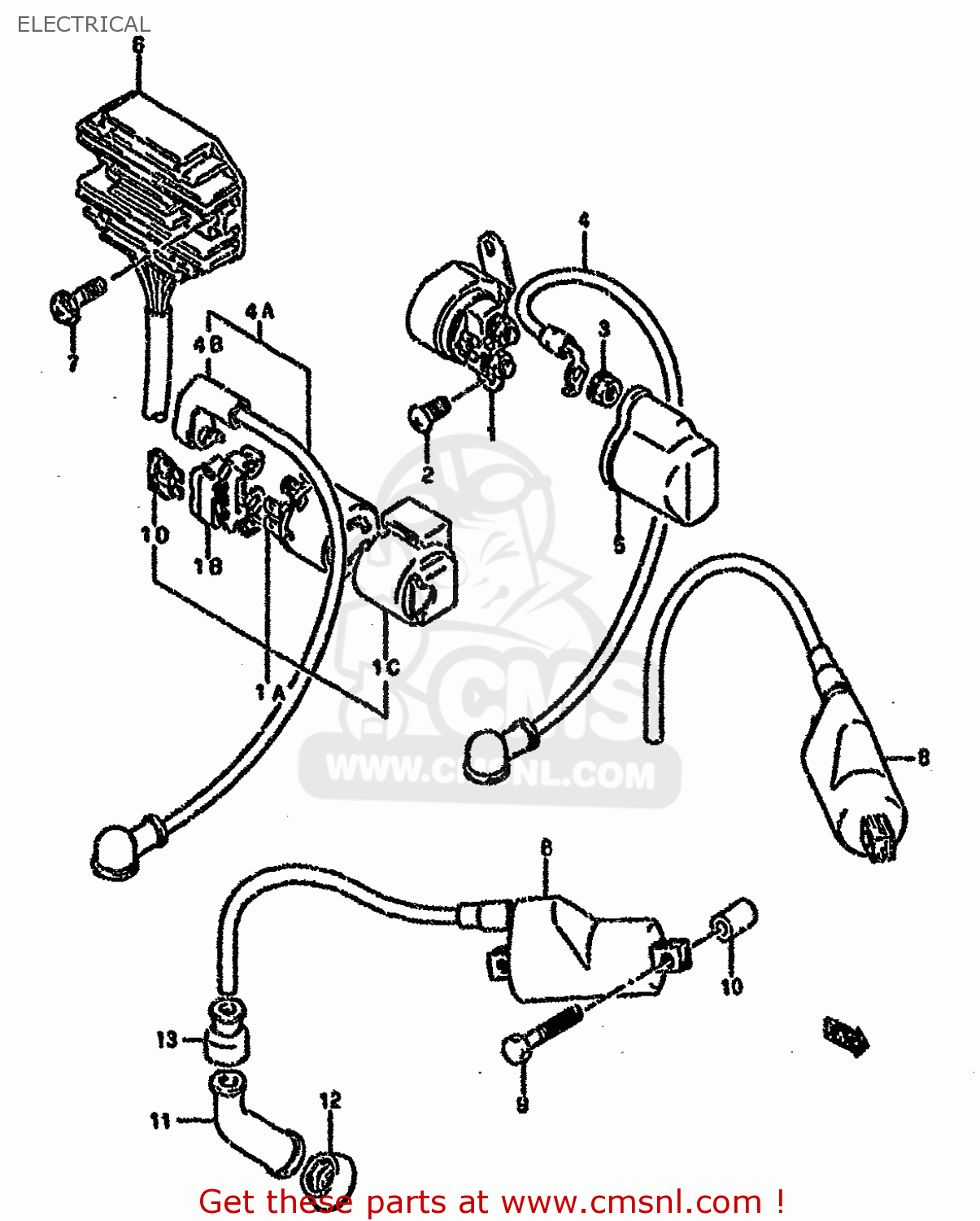
ELECTRICAL

GS500E 1995 (S) (E02 E04 E22 E25 E34 E37) / P9

Electrical diagram GS500E 1995 (S) (E02 E04 E22 E25 E34 E37) / P9

ELECTRICAL GS500E 1995 (S) (E02 E04 E22 E25 E34 E37) / P9
ELECTRICAL GS500E 1995 (S) (E02 E04 E22 E25 E34 E37) / P9
ELECTRICAL GS500E 1995 (S) (E02 E04 E22 E25 E34 E37) / P9
prices are in EUR
ref
part #
description
quantity
1
3180049100
ref: 1

MODEL K
RELAY ASSY,STARTING MOTOR
3180049100
€ 97.00

1A
3180001D00
ref: 1A

MODEL L/M/N/P/R/S/T
RELAY ASSY,STARTING MOTOR
3180001D00
€ 116.50

1B
3184101D00
ref: 1B

MODEL L/M/N/P/R/S/T
TERMINAL,RELAY
3184101D00
€ 25.00

1C
3189207D00
ref: 1C

MODEL L/M/N/P/R/S/T
BRACKET,STARTING MOTOR RELAY
3189207D00
€ 13.50

1D
0948120101
ref: 1D

MODEL L/M/N/P/R/S/T
FUSE(20A)
0948120101
€ 2.00

2
0211206103
ref: 2

MODEL K
SCREW
0211206103
€ 1.50

3
0836135066
ref: 3
NUT
€ 2.00

4
3385004A00
ref: 4

MODEL K,-33850-01D00
WIRE,STARTER MOTOR LEAD
€ 34.50

4A
3385001D10
ref: 4A

MODEL L/M/N/P/R/S/T
WIRE,STARTER MOTOR LEAD
€ 25.00

4B
3362401D10
ref: 4B

MODEL L/M/N/P/R/S/T
CAP,STARTER RELAY TERMINAL
3362401D10
€ 9.50

5
3186146D00
ref: 5

MODEL K,-31861-44500
CAP,STARTER RELAY
3186146D00
€ 6.50

6-1
3280030B01
ref: 6-1

MODEL K/L/M/N
RECTIFIER ASSY
€ 390.00

6-2
3280033C00
ref: 6-2

MODEL P/R/S/T
RECTIFIER ASSEMBLY
€ 390.00

7-1
0215206206
ref: 7-1

MODEL K/L/M/N/P
SCREW
€ 2.50

7-2
0214206203
ref: 7-2

MODEL R/S/T
SCREW
0214206203
€ 2.00

8
3341001D00
ref: 8
COIL ASSY,IGNITION
3341001D00
€ 154.00

9-1
0110706406
ref: 9-1

MODEL K/L/M/N/P
BOLT
€ 2.00

9-2
0150006403
ref: 9-2

MODEL R/S/T
BOLT
0150006403
€ 2.00

10
0918006204
ref: 10
SPACER(6.2X12X18)
0918006204
€ 6.50

11-1
3351038B00
ref: 11-1

MODEL K/L/M
CAP,SPARK PLUG
3351038B00
€ 23.50

11-2
3351022010
ref: 11-2

MODEL N/P E1,E24 MOD
CAP ASSY,SPARK PLUG
3351022010
€ 19.50

11-3
3351038B00
ref: 11-3

MODEL N/P E2,E4,E17,
CAP,SPARK PLUG
3351038B00
€ 23.50

12
3354124510
ref: 12
SEAL,SPARK PLUG CAP
3354124510
€ 8.00

13
3354238B00
ref: 13
SEAL,HIGH TENSION CORD
3354238B00
€ 5.00