Buy Suzuki GS Parts Online

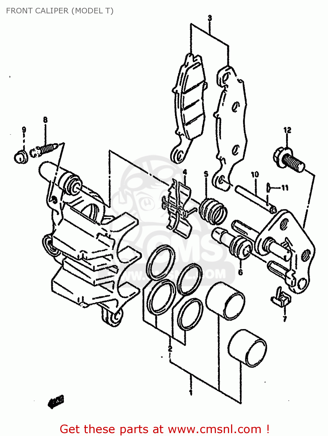
FRONT CALIPER (MODEL T)

GS500E 1995 (S) (E02 E04 E22 E25 E34 E37) / P9

Front caliper (model t) diagram GS500E 1995 (S) (E02 E04 E22 E25 E34 E37) / P9

FRONT CALIPER (MODEL T) GS500E 1995 (S) (E02 E04 E22 E25 E34 E37) / P9
FRONT CALIPER (MODEL T) GS500E 1995 (S) (E02 E04 E22 E25 E34 E37) / P9
FRONT CALIPER (MODEL T) GS500E 1995 (S) (E02 E04 E22 E25 E34 E37) / P9
prices are in EUR
ref
part #
description
quantity
0
5910033D00
ref: 0
CALIPER ASSEMBLY,FRONT,RIGHT
€ 552.00

1
5930033830
ref: 1
PISTON SET
€ 71.00

2
5930033840
ref: 2
SEAL SET,PISTON
5930033840
€ 26.50

3
5910033850
ref: 3
PAD SET (NAS)
5910033850
€ 55.50

4
5911533D00
ref: 4
SPRING,PAD,R
5911533D00
€ 13.50

5
5911244B00
ref: 5
BOOT,AXLE
5911244B00
€ 8.00

6
5931336500
ref: 6
INSULATOR,AXLE
5931336500
€ 6.00

7
5911633D00
ref: 7
GUIDE,PAD
5911633D00
€ 7.50

8
5912118410
ref: 8
BLEEDER
5912118410
€ 8.50

9
5515666310
ref: 9
CAP,BLEEDER PLUG
5515666310
€ 6.50

10
5914144B01
ref: 10
PIN,PAD
5914144B01
€ 9.00

11
6914245000
ref: 11
CLIP,PAD PIN
6914245000
€ 5.00

12
0155010253
ref: 12
BOLT
0155010253
€ 3.50

11
5915001D00
ref: 11
CARRIER,CALIPER
5915001D00
€ 73.00

12
5912118410
ref: 12
BLEEDER
5912118410
€ 8.50

13
5912218410
ref: 13
CAP,BREATHER
5912218410
€ 6.50

14-1
0712010258
ref: 14-1

MODEL K/L/M/N/P
BOLT
0712010258
€ 4.50

14-2
0712010253
ref: 14-2

MODEL R
BOLT
0712010253
€ 3.00

14-3
0155010253
ref: 14-3

MODEL S
BOLT
0155010253
€ 3.50