×
Buy Suzuki GS Parts Online
home
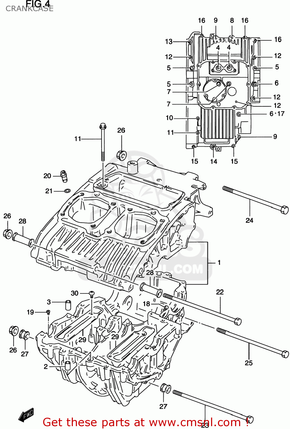
CRANKCASE
GS500E 2000 (Y) USA CANADA (E03) (E28)
Crankcase diagram GS500E 2000 (Y) USA CANADA (E03) (E28)
CRANKCASE GS500E 2000 (Y) USA CANADA (E03) (E28)
×
prices are in EUR
ref
part #
description
quantity
1
1130144890
ref: 1
11301-44891
CRANKCASE SET
€ 1,629.00
2
0920613004
ref: 2
PIN(10.4X13X22)
€ 3.00
3
0920611017
ref: 3
PIN(8.4X11X20)
€ 7.00
4
0713008703
ref: 4
07130-0870B
BOLT
€ 4.50
5
0910308182
ref: 5
BOLT(8X125)
€ 4.50
6
0910308134
ref: 6
BOLT(8X110)
€ 3.00
7
0910308230
ref: 7
BOLT(8X100)
€ 3.50
8
0155008653
ref: 8
01550-0865A
BOLT
€ 3.50
9
0155008453
ref: 9
01550-0845A
BOLT
€ 3.00
10
0910306033
ref: 10
BOLT(6X125)
€ 4.00
11
0910306067
ref: 11
BOLT(6X105)
€ 4.00
12
0155006903
ref: 12
01550-0690B
BOLT (6X90)
€ 3.50
13
0155006703
ref: 13
01550-0670B
BOLT
€ 3.00
14
0155006653
ref: 14
01550-0665A
BOLT
€ 2.50
15
0155006507
ref: 15
BOLT
€ 2.00
16
0155006453
ref: 16
01550-0645A
BOLT (6X45)
€ 2.50
17
0916808008
ref: 17
09168-08016
GASKET 8.2X14X1 (NAS)
€ 1.00
18
0949322010
ref: 18
JET,AIR
€ 12.00
19
0949332002
ref: 19
JET
€ 12.50
20
0949324008
ref: 20
JET
€ 16.00
21
0928003003
ref: 21
O RING(D:1.05,ID:3.1)
€ 2.50
22
0910310137
ref: 22
BOLT(10X255)
€ 10.50
23
0910310212
ref: 23
BOLT(10X240)
€ 15.50
24
0910310127
ref: 24
BOLT(10X170)
€ 18.00
25
0910310278
ref: 25
BOLT(10X160)
€ 10.50
26
0915910078
ref: 26
NUT
€ 5.00
27
1161101D10
ref: 27
SPACER,ENG MTG(L:16.8)
€ 8.00
28
1161045410
ref: 28
SPACER,ENGINE MOUNT(L:65)
€ 12.50
29
1152144100
ref: 29
PLATE,OIL SEPARATOR
€ 3.00
30
0211206123
ref: 30
02112-0612A
SCREW
€ 1.50
up
all assemblies
AIR CLEANER
BATTERY
CAM CHAIN
CAM SHAFT - VALVE
CANISTER (E33)
CARBURETOR
CLUTCH
COWLING (OPTIONAL)
CRANKCASE
CRANKCASE COVER
CRANKSHAFT
CRANKSHAFT BALANCER
CUSHION LEVER
CYLINDER
CYLINDER HEAD
CYLINDER HEAD COVER
ELECTRICAL
FOOTREST
FRAME
FRAME COVER (MODEL V)
FRAME COVER (MODEL W)
FRAME COVER (MODEL X)
FRAME COVER (MODEL Y)
FRONT CALIPER
FRONT DAMPER
FRONT FENDER
FRONT MASTER CYLINDER
FRONT WHEEL
FUEL COCK
FUEL TANK(MODEL V)
FUEL TANK(MODEL W/X)
FUEL TANK(MODEL Y)
GEAR SHIFTING
GENERATOR
HANDLE LEVER
HANDLE SWITCH
HANDLEBAR
HEADLAMP
HEADLAMP HOUSING
MUFFLER
OIL FILTER - OIL PUMP
REAR CALIPER
REAR COMBINATION LAMP
REAR FENDER (MODEL V/W/X)
REAR FENDER (MODEL Y)
REAR MASTER CYLINDER
REAR SWINGING ARM
REAR WHEEL
SEAT
SIGNAL GENERATOR
SPEEDOMETER - TACHOMETER
STAND - REAR BRAKE
STARTER CLUTCH
STARTING MOTOR
STEERING STEM
TRANSMISSION
TURNSIGNAL LAMP
WIRING HARNESS
up