Buy Suzuki GS Parts Online

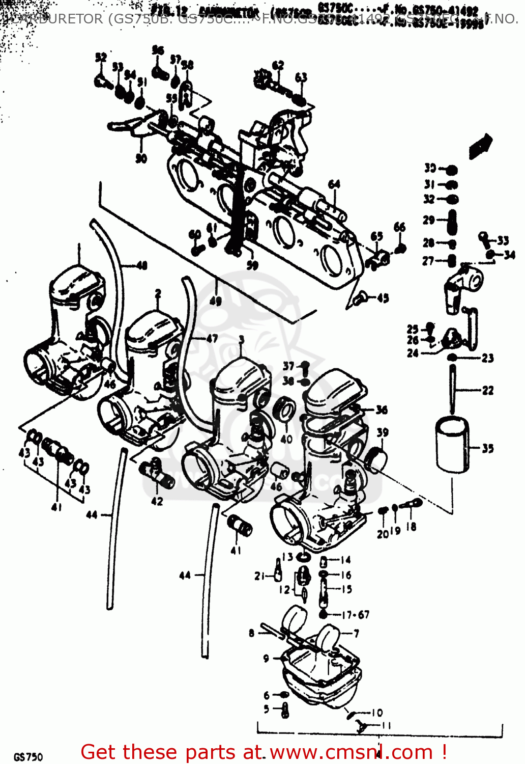
CARBURETOR (GS750B. GS750C....~F.NO.GS750-41492 GS750EC...~F.NO.

GS750N 1977 (B) USA (E03)

Carburetor (gs750b. gs750c....~f.no.gs750-41492 gs750ec...~f.no. diagram GS750N 1977 (B) USA (E03)

CARBURETOR (GS750B. GS750C....~F.NO.GS750-41492 GS750EC...~F.NO. GS750N 1977 (B) USA (E03)
CARBURETOR (GS750B. GS750C....~F.NO.GS750-41492 GS750EC...~F.NO. GS750N 1977 (B) USA (E03)
CARBURETOR (GS750B. GS750C....~F.NO.GS750-41492 GS750EC...~F.NO. GS750N 1977 (B) USA (E03)
prices are in EUR
ref
part #
description
quantity

all assemblies