×
Buy Suzuki GSX Parts Online
home
RADIATOR HOSE
GSX1300RZ HAYABUSA 2006 (K6) USA (E03)
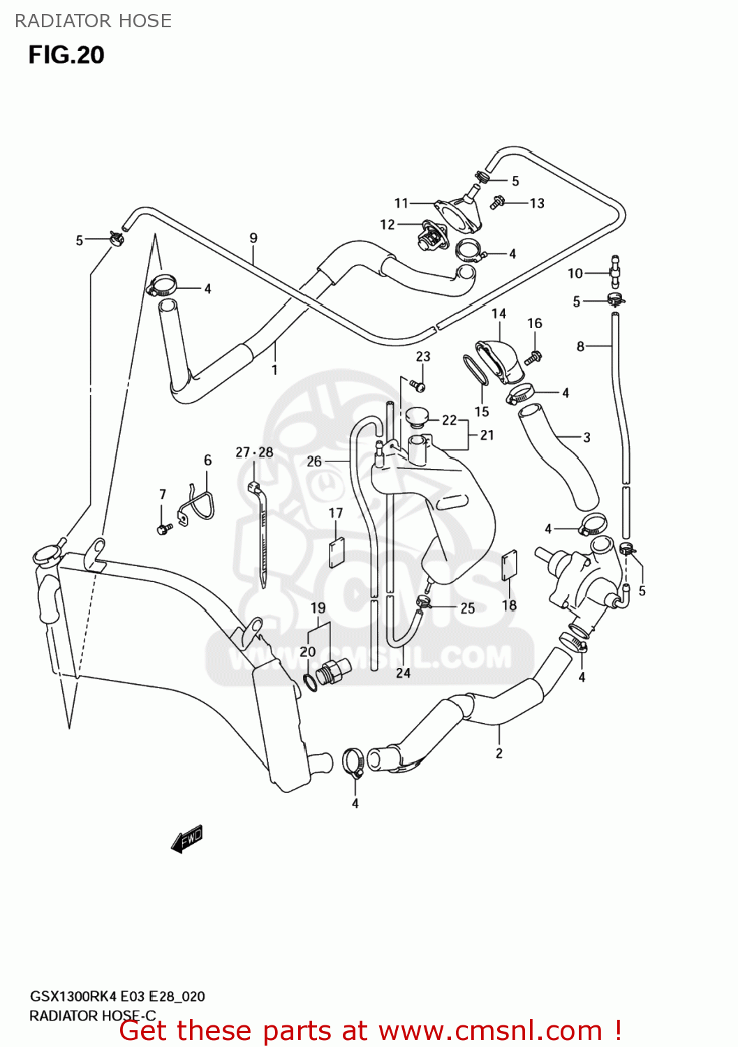
Radiator hose diagram GSX1300RZ HAYABUSA 2006 (K6) USA (E03)
RADIATOR HOSE GSX1300RZ HAYABUSA 2006 (K6) USA (E03)
×
prices are in EUR
ref
part #
description
quantity
1
1785124F01
ref: 1
HOSE,RADIATOR INLET
€ 76.00
2
1785224F00
ref: 2
HOSE,RADIATOR OUTLET
€ 60.00
3
1785324F00
ref: 3
HOSE,CYLINDERL INLET
€ 17.50
4
0940238511
ref: 4
CLAMP
€ 11.50
5
0940112409
ref: 5
CLAMP
€ 3.50
6
1785924F00
ref: 6
CLAMP,RADIATOR INLET HOSE
€ 9.50
7
0155006103
ref: 7
01550-0610A
BOLT
€ 3.00
8
1785424F00
ref: 8
HOSE,WATER BYPASS NO.1
€ 16.00
9
1785524F00
ref: 9
HOSE,WATER BYPASS NO.2
€ 45.50
10
0936209011
ref: 10
BOLT UNION
€ 6.50
11
1766124F00
ref: 11
COVER,THERMOSTAT
€ 45.50
12-1
1767050F00
ref: 12-1
THERMOSTAT,WATER 82 DEG
€ 24.00
12-2
1767076G00
ref: 12-2
THERMOSTAT,WATER 82 DEG
€ 23.50
13
0154706203
ref: 13
01547-0620B
SCREW
€ 3.00
14-1
1786133E10
ref: 14-1
17861-33E20
CONNECTOR,CYL.
€ 20.50
14-2
1786133E20
ref: 14-2
CONNECTOR,CYLINDER WATER INLET
€ 20.50
15
1786333E00
ref: 15
O RING,CYL WATER CONNECTOR
€ 5.00
16
0155006203
ref: 16
01550-0620A
BOLT
€ 2.50
17
5182701A00
ref: 17
CUSHION,HEAD LAMP HOUSING
€ 3.00
18
5314548B00
ref: 18
CUSHION,FR FENDER
€ 2.00
19
1768033E00
ref: 19
SWITCH,RADIATOR FAN
€ 54.00
20
1768950F00
ref: 20
O-RING
€ 2.50
21
1791024F00
ref: 21
TANK ASSY,RESERVOIR
€ 90.00
22
1793212C00
ref: 22
CAP,RESERVOIR TANK
€ 4.50
23
0913606022
ref: 23
SCREW(6X20)
€ 3.00
24
1798121810
ref: 24
HOSE,RESERVOIR TANK
€ 21.50
25
0940108411
ref: 25
CLIP
€ 3.50
26
1798238810
ref: 26
HOSE,RESERVOIR TANK OUTLET
€ 18.00
27
0940718402
ref: 27
CLAMP(L:165)
€ 2.50
28
0940718402
ref: 28
CLAMP(L:165)
€ 2.50
up
all assemblies
2ND AIR
AIR CLEANER
BATTERY
BRACKET - STEERING DAMPER
CAM CHAIN
CAMSHAFT - VALVE
CLUTCH
CLUTCH HOSE
COWL BODY INSTALLATION PARTS
COWLING BODY (GSX1300RK6)
COWLING BODY (GSX1300RZK6)
COWLING BODY (GSX1300RZK7)
COWLING BODY (MODEL K4)
COWLING BODY (MODEL K5)
CRANK BALANCER
CRANKCASE
CRANKCASE COVER
CRANKSHAFT
CYLINDER
CYLINDER HEAD
CYLINDER HEAD COVER
ELECTRICAL
EVAP SYSTEM (E33)
FOOTREST
FRAME
FRAME COVER (GSX1300RK6)
FRAME COVER (GSX1300RZK6)
FRAME COVER (GSX1300RZK7)
FRAME COVER (MODEL K4)
FRAME COVER (MODEL K5)
FRONT BRAKE HOSE
FRONT CALIPER
FRONT FENDER (GSX1300RZK7)
FRONT FENDER (MODEL K4)
FRONT FENDER (MODEL K5/K6)
FRONT FORK DAMPER
FRONT WHEEL
FUEL TANK (GSX1300RK6)
FUEL TANK (GSX1300RZK6)
FUEL TANK (GSX1300RZK7)
FUEL TANK (MODEL K4)
FUEL TANK (MODEL K5)
GASKET SET
GEAR SHIFTING
HANDLE LEVER
HANDLE SWITCH
HANDLEBAR
HEADLAMP
LABEL
MAGNETO
MUFFLER
OIL COOLER
OIL PAN - OIL PUMP
PUMP ASSY
RADIATOR
RADIATOR HOSE
REAR CALIPER
REAR CUSHION LEVER
REAR FENDER
REAR MASTER CYLINDER
REAR SWINGING ARM
REAR WHEEL
SEAT (MODEL K4)
SEAT (MODEL K5)
SEAT (MODEL K6)
SEAT (MODEL K7)
SPEEDOMETER
STAND
STARTER CLUTCH
STARTING MOTOR
TAIL LAMP
THROTTLE BODY
TRANSMISSION
TURNSIGNAL LAMP (MODEL K4)
TURNSIGNAL LAMP (MODEL K5/K6/K7)
UNDER COWL INSTALLATION PARTS
UNDER COWLING (GSX1300RK4)
UNDER COWLING (GSX1300RK5)
UNDER COWLING (GSX1300RK6)
UNDER COWLING (GSX1300RZK4)
UNDER COWLING (GSX1300RZK5)
UNDER COWLING (GSX1300RZK6)
UNDER COWLING (GSX1300RZK7)
WATER PUMP
WIRING HARNESS
up