×
Buy Suzuki GSXR Parts Online
home
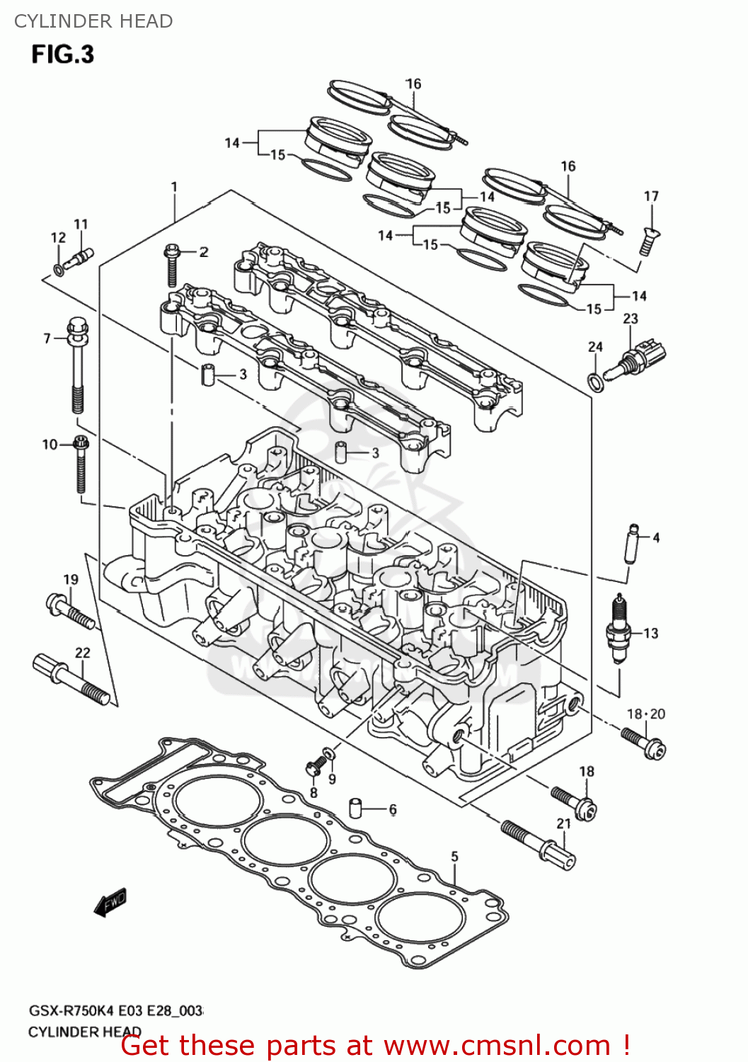
CYLINDER HEAD
GSXR750X 2004 (K4) USA (E03)
Cylinder head diagram GSXR750X 2004 (K4) USA (E03)
CYLINDER HEAD GSXR750X 2004 (K4) USA (E03)
×
prices are in EUR
ref
part #
description
quantity
1
1110030G00
ref: 1
HEAD ASSY,CYLINDER
€ 1,803.50
2
0910306266
ref: 2
BOLT(6X40)
€ 3.00
3
0920608007
ref: 3
PIN(6.2X8X16)
€ 3.00
4
1111529G70
ref: 4
GUIDE,VALVE(OS:0.3)
€ 20.00
5
1114135F00
ref: 5
GASKET,CYLINDER HEAD (NAS)
€ 63.50
6
0421111169
ref: 6
PIN
€ 2.00
7
1111730G00
ref: 7
BOLT,CYLINDER HEAD(L:105)
€ 8.50
8
0910306222
ref: 8
BOLT(6X12)
€ 2.00
9
0916806023
ref: 9
GASKET(5.8X13X1.2) (NAS)
€ 2.00
10
0712006503
ref: 10
07120-0650B
BOLT,CYL.OIL P
€ 2.50
11
0949380005
ref: 11
JET(8)
€ 13.00
12
0928004004
ref: 12
O RING(D:1.2,ID:4)
€ 2.50
13-1
0948200458
ref: 13-1
PLUG,SPARK(NGK CR9E)
€ 8.50
13-2
0948200459
ref: 13-2
PLUG,SPARK(U27ESR-N)
€ 8.50
13-3
0948200456
ref: 13-3
PLUG,SPARK(CR8E)
€ 7.00
13-4
0948200460
ref: 13-4
PLUG,SPARK(CR10E)
€ 8.50
13-5
0948200457
ref: 13-5
PLUG,SPARK(U24ESR-N)
€ 7.00
13-6
0948200461
ref: 13-6
PLUG,SPARK(U31ESR-N)
€ 8.50
14
1310130G00
ref: 14
PIPE ASSY,INTAKE
€ 38.50
15
0928046006
ref: 15
O RING(D:2.4,ID:47X42)
€ 9.00
16-1
1317030G00
ref: 16-1
13170-30G01
CLAMP COMP,INT
€ 20.00
16-2
1317030G01
ref: 16-2
CLAMP,INTAKE PIPE
€ 20.00
17
0212206163
ref: 17
02122-0616A
SCREW ,6X16
€ 2.50
18
0910610069
ref: 18
BOLT(10X45)
€ 5.00
18
0910610069
ref: 18
BOLT(10X45)
€ 5.00
19
0910610070
ref: 19
BOLT(10X55)
€ 5.00
19
0910610070
ref: 19
BOLT(10X55)
€ 5.00
20
0910610069
ref: 20
BOLT(10X45)
€ 5.00
21
1161229G00
ref: 21
BOLT,ENGINE MOUNTING HEAD
€ 25.50
22
1161329G00
ref: 22
BOLT,ENGINE MOUNTING HEAD
€ 25.50
23
1365010G00
ref: 23
SENSOR,WATER TEMP
€ 70.00
24
0916812017
ref: 24
GASKET(12X17X1) (NAS)
€ 2.00
up
all assemblies
2ND AIR
AIR CLEANER
BATTERY
CAM CHAIN
CAM SHAFT - VALVE
CLUTCH
COWLING BODY (MODEL K4)
COWLING BODY (MODEL K5)
CRANKCASE
CRANKCASE COVER
CRANKSHAFT
CYLINDER HEAD
CYLINDER HEAD COVER
ELECTRICAL
EVAPO SYSTEM (E33)
FOOTREST
FRAME
FRAME COVER (MODEL K4)
FRAME COVER (MODEL K5)
FRONT BRAKE HOSE
FRONT CALIPER (GSX-R750K4/K5)
FRONT CALIPER (GSX-R750XK5)
FRONT DAMPER
FRONT FENDER
FRONT MASTER CYLINDER
FRONT WHEEL (GSX-R750K4/K5)
FRONT WHEEL (GSX-R750XK5)
FUEL PUMP
FUEL TANK (GSX-R750K5)
FUEL TANK (MODEL K4)
FUEL TANK GSX-R750XK5)
GASKET SET
GEAR SHIFTING
GENERATOR
HANDLE LEVER
HANDLE SWITCH
HANDLEBAR
HEADLAMP
INSTALLATION PARTS
INSTALLATION PARTS (2)
LABEL
MUFFLER
OIL COOLER
OIL PAN - OIL PUMP
RADIATOR
RADIATOR HOSE
REAR CALIPER
REAR CUSHION LEVER
REAR FENDER
REAR MASTER CYLINDER
REAR SWINGING ARM
REAR WHEEL (GSX-R750K4/K5)
REAR WHEEL (GSX-R750XK5)
SEAT
SEAT TAIL BOX (GSX-R750K4)
SEAT TAIL BOX (GSX-R750K5)
SEAT TAIL BOX (GSX-R750XK5)
SIGNAL GENERATOR
SPEEDOMETER
STAND
STARTER CLUTCH
STARTING MOTOR
STEERING STEM
TAIL LAMP
THROTTLE BODY
THROTTLE BODY HOSE/JOINT
TRANSMISSION
TURN SIGNAL LAMP
UNDER COWLING (GSX-R750K5)
UNDER COWLING (GSX-R750XK5)
UNDER COWLING (MODEL K4)
WATER PUMP
WIRING HARNESS (GSX-R750K4/K5)
WIRING HARNESS (GSX-R750XK5)
up