×
Buy Suzuki RG Parts Online
home
RG125F 1993 (P) (E01 E15 E17 E18 E34)
* COLOR CHART *
0 products
* CATALOG PREFACE *
0 products
* CATALOG PREFACE *
0 products
* CONVERSION CHART *
0 products
CYLINDER
43 products
EXHAUST VALVE (MODEL R)
38 products
CRANKCASE
33 products
CRANKCASE COVER
30 products
CRANK SHAFT
41 products
STARTER CLUTCH
11 products
CRANK BALANCER
14 products
CARBURETOR
50 products
AIR CLEANER
9 products
MUFFLER
29 products
OIL PUMP
31 products
WATER PUMP
24 products
RADIATOR
19 products
CLUTCH
23 products
TRANSMISSION
39 products
GEAR SHIFTING
53 products
STARTING MOTOR
11 products
MAGNETO
10 products
BATTERY
13 products
ELECTRICAL
20 products
SPEEDOMETER
43 products
HEADLAMP
10 products
TURN SIGNAL LAMP (E2, E4, E15, E17, E18, E34)
25 products
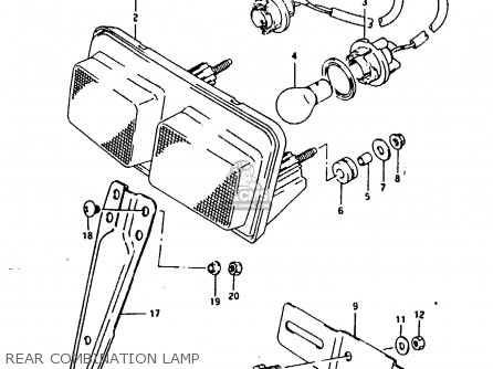
REAR COMBINATION LAMP
25 products
WIRING HARNESS
28 products
FRAME
9 products
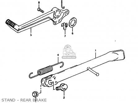
STAND - REAR BRAKE
15 products
FOOTREST
26 products
FUEL TANK
18 products
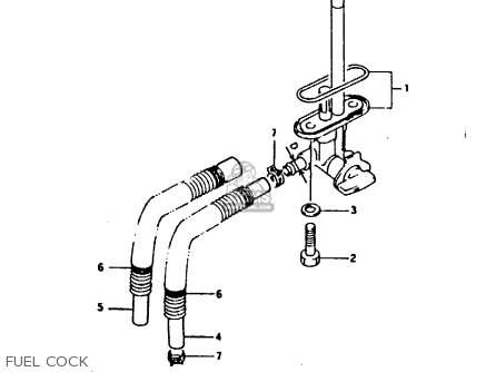
FUEL COCK
8 products
OIL TANK
8 products
SEAT (MODEL R)
34 products
FRAME COVER (MODEL R)
51 products
FRONT DAMPER (MODEL R)
32 products
STEERING STEM
17 products
FRONT FENDER
8 products
FRONT WHEEL
20 products
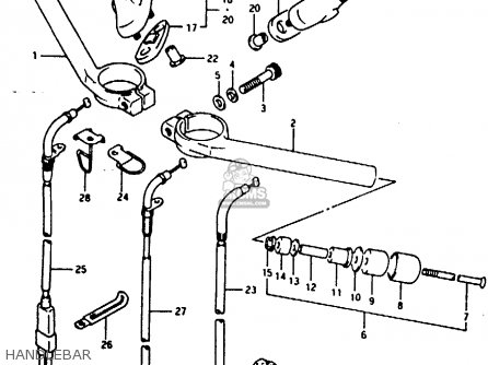
HANDLEBAR
39 products
HANDLE SWITCH
29 products
FRONT CALIPER
17 products
FRONT MASTER CYLINDER
34 products
REAR SWINGING ARM
20 products
REAR CUSHION LEVER
21 products
REAR FENDER
19 products
REAR WHEEL
42 products
REAR CALIPER
17 products
REAR MASTER CYLINDER
42 products
COWLING BODY (MODEL N A0Y)
28 products
CWLING BOOY (MODEL N 019)
27 products
COWLING BOOY (MODEL P ILE)
28 products
COWLING BODY (MODEL P 019)
27 products
COWLING BODY (MODEL R)
33 products
COWLING FITTING SET
50 products
OPTIONAL
18 products
up
popular products
0944009028
SPRING
Suzuki
2751003D00
SPROCKET, ENGINE (NT:15)
Suzuki
6862317D00
LABEL,CAUTION
Suzuki
0940240501
CLAMP
Suzuki