×
Buy Suzuki RM Parts Online
home
RM100 1981 (X)
* COLOR CHART *
0 products
* CATALOG PREFACE *
0 products
* CONVERSION CHART *
0 products
CYLINDER
26 products
CRANKCASE
17 products
CRANKCASE COVER
19 products
CRANKSHAFT
28 products
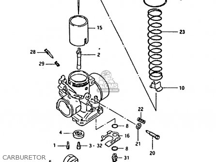
CARBURETOR
46 products
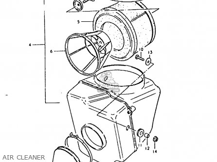
AIR CLEANER
16 products
MUFFLER
30 products
CLUTCH
24 products
TRANSMISSION
45 products
GEAR SHIFTING
26 products
KICK STARTER
22 products
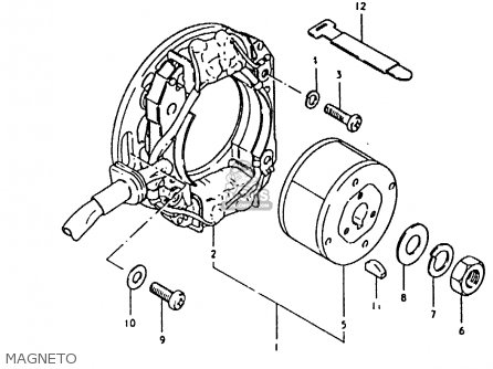
MAGNETO
15 products
ELECTRICAL
14 products
FRAME - SEAT
25 products
STAND - FOOTREST
25 products
REAR BRAKE
25 products
FUEL TANK (RM100N, RM100T)
25 products
FUEL TANK (RM100X)
22 products
FUEL COCK
10 products
FRAME COVER (RM100N, RM100T)
13 products
FRAME COVER (RM100X)
10 products
FRONT FORK (RM100N)
34 products
FRONT FORK (RM100T, RM100X)
34 products
FRONT FENDER
12 products
FRONT WHEEL
38 products
HANDLEBAR (RM100N, RM100T)
22 products
HANDLEBAR (RM100X)
18 products
HANDLE GRIP - LEVER (RM100N)
20 products
HANDLE GRIP - LEVER (RM100T)
20 products
RIGHT HANDLE GRIP (RM100X)
14 products
LEFT HANDLE GRIP (RM100X)
10 products
REAR SWINGING ARM (RM100N)
35 products
REAR SWINGING ARM (RM100T, RM100X)
43 products
CHAIN GUIDE - TENSIONER (RM100N)
23 products
CHAIN GUIDE (RM100T)
15 products
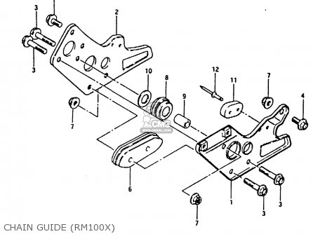
CHAIN GUIDE (RM100X)
12 products
REAR FENDER
18 products
REAR WHEEL (RM100N, RM100T)
51 products
REAR WHEEL (RM100X)
42 products
OPTIONAL
15 products
up
popular products
5811040210
CABLE,FRONT BRAKE
Suzuki
6526133030
PROTECTOR,INNER TUBE
Suzuki
2474148000
RETAINER,CNTR SHAFT BEARING
Suzuki
1338341500
NEEDLE JET
Suzuki