×
Buy Suzuki RM Parts Online
home
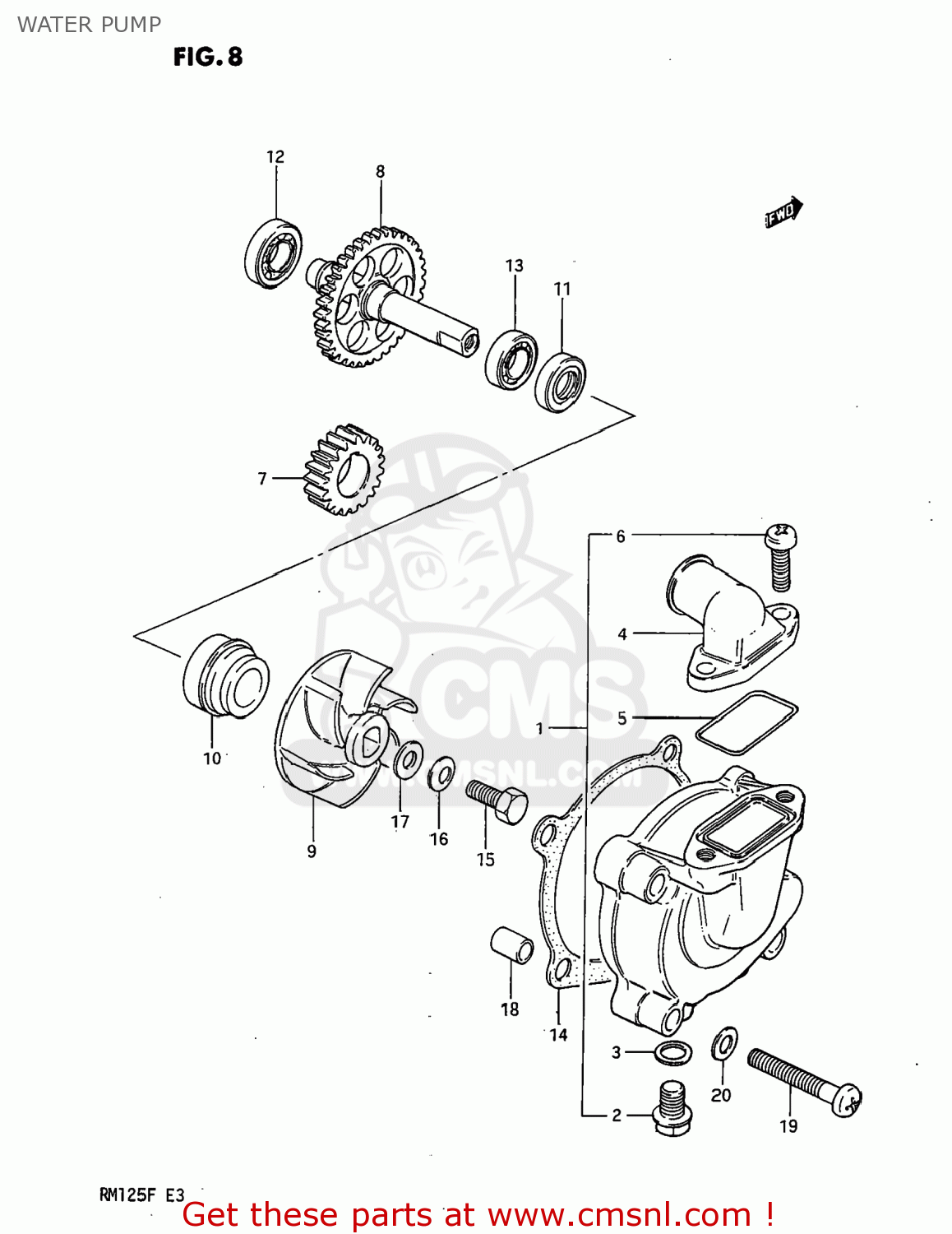
WATER PUMP
RM125 1985 (F) USA (E03)
Water pump diagram RM125 1985 (F) USA (E03)
WATER PUMP RM125 1985 (F) USA (E03)
×
prices are in EUR
ref
part #
description
quantity
1-1
1741014110
ref: 1-1
17410-14120
CASE,WATER PUMP
€ 81.50
1-2
1741014120
ref: 1-2
CASE,WATER PUMP
€ 81.50
2
1741514300
ref: 2
BOLT,DRAIN
€ 2.00
3-1
1741314100
ref: 3-1
09168-08016
GASKET,DRAIN (NAS)
€ 1.00
3-2
0916808008
ref: 3-2
09168-08016
GASKET 8.2X14X1 (NAS)
€ 1.00
4-1
1741214300
ref: 4-1
17412-28E00
CONNECTOR
€ 23.50
4-2
1741214310
ref: 4-2
17412-28E00
CONNECTOR
€ 23.50
5
1741414300
ref: 5
O RING,WATER PUMP CONNECTOR
€ 3.00
6
0211206165
ref: 6
02112-0616A
SCREW
€ 2.00
7
1745114300
ref: 7
GEAR,WATER PUMP DRIVE
€ 20.00
8
1746114300
ref: 8
GEAR,WATER PUMP DRIVEN(NT:36)
€ 87.50
9
1749114110
ref: 9
IMPELLER,WATER PUMP
€ 18.50
10-1
1747014100
ref: 10-1
17470-02F00
SEAL,WATER PUMP SHAFT
€ 21.50
10-2
1747019A00
ref: 10-2
17470-02F00
SEAL,WATER PUMP SHAFT
€ 21.50
11
0928310004
ref: 11
SEAL,OIL(10X21X5)
€ 5.00
12
0926210004
ref: 12
BEARING(10X22X6)
€ 22.00
13
0926212003
ref: 13
08113-69010
BEARING
€ 20.50
14
1743114111
ref: 14
17431-14111-H17
GASKET,WATER PUMP CASE (MCA)
€ 16.00
15
0910006099
ref: 15
BOLT(6X13)
€ 2.50
16
0916406006
ref: 16
WASHER
€ 3.00
17
0916806016
ref: 17
09168-06025
GASKET (NAS)
€ 3.50
18
0421109129
ref: 18
PIN
€ 2.00
19
0211206405
ref: 19
02112-0640A
SCREW
€ 2.00
20
0916806015
ref: 20
09168-06023
WASHER
€ 2.00
up
all assemblies
AIR CLEANER
CARBURETOR
CHAIN GUIDE
CLUTCH
CRANKCASE
CRANKCASE COVER
CRANKSHAFT
CUSHION LEVER
CYLINDER
DISC COVER (OPTIONAL) MODEL F
ELECTRICAL
FRAME - SEAT
FRAME COVER
FRONT CALIPER (MODEL F)
FRONT FENDER
FRONT FORK (MODEL E)
FRONT FORK (MODEL F)
FRONT HOSE (MODEL F)
FRONT MASTER CYLINDER (MODEL F)
FRONT WHEEL (MODEL E)
FRONT WHEEL (MODEL F)
FUEL COCK
FUEL TANK
GEAR SHIFTING
HANDLEBAR (MODEL E)
HANDLEBAR (MODEL F)
KICK STARTER
LEFT HANDLE GRIP (MODEL F)
LEFT HANDLE SWITCH (MODEL E)
MAGNETO
MUFFLER
PANEL COVER (OPTIONAL) (MODEL E)
RADIATOR
REAR BRAKE
REAR FENDER
REAR SWINGING ARM
REAR WHEEL (MODEL E)
REAR WHEEL (MODEL F)
RIGHT HANDLE SWITCH (MODEL E)
RIGHT HANDLE SWITCH (MODEL F)
SHOCK ABSORBER (MODEL E)
SHOCK ABSORBER (MODEL F)
STAND - FOOTREST
STEERING STEM (MODEL F)
TRANSMISSION (MODEL E)
TRANSMISSION (MODEL F)
WATER PUMP
up