×
Buy Suzuki RM Parts Online
home
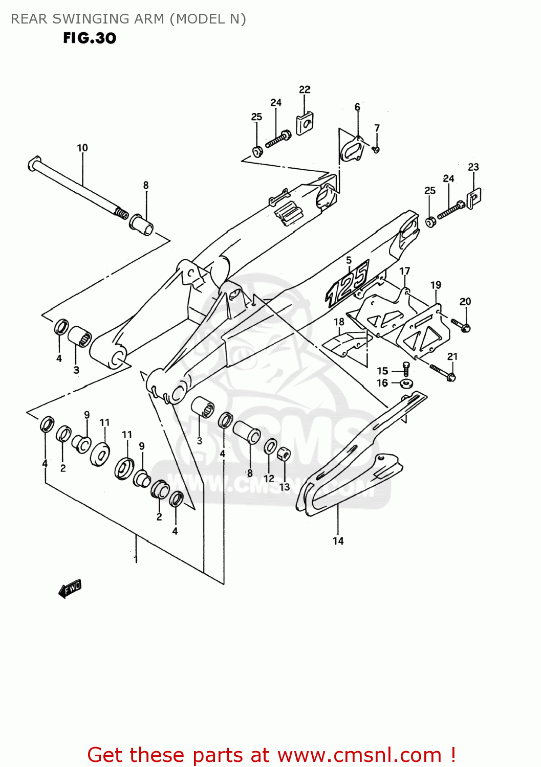
REAR SWINGING ARM (MODEL N)
RM125 1994 (R) USA (E03)
Rear swinging arm (model n) diagram RM125 1994 (R) USA (E03)
REAR SWINGING ARM (MODEL N) RM125 1994 (R) USA (E03)
×
prices are in EUR
ref
part #
description
quantity
1
6100043D01
ref: 1
SWING ARM ASSEMBLY,REAR
€ 1,262.00
2
6126128C00
ref: 2
BUSHING,SWGARM PIVOT
€ 22.00
3
0926322017
ref: 3
BEARING(22X29X30)
€ 20.50
4
0928522001
ref: 4
SEAL,OIL(22X29X4)
€ 6.00
5
6838127C1012R
ref: 5
EMBLEM,SWING ARM
€ 8.00
6
6112828C30
ref: 6
PLATE,SWING ARM,REAR
€ 13.00
7
0912005004
ref: 7
09126-05009
SCREW
€ 3.00
8
6125128C00
ref: 8
61251-05D00
SPACER,REAR SWING ARM
€ 18.50
9
6125228C00
ref: 9
SPACER,SWGARM PIVOT INNER
€ 17.50
10
6121128C00
ref: 10
SHAFT,RR SWINGINGARM PIVOT
€ 50.50
11
6126228C10
ref: 11
COVER,SWINGINGARM PIVOT
€ 5.00
12
0832211168
ref: 12
08322-01167
WASHER
€ 2.50
13
0915916007
ref: 13
NUT
€ 12.00
14
6127327C01
ref: 14
BUFFER,CHAIN TOUCH DEFENSE
€ 58.50
15
0154706167
ref: 15
BOLT
€ 2.00
16
0916906057
ref: 16
WASHER
€ 4.50
17
6134127C20
ref: 17
GUIDE,CHAIN
€ 33.00
18
6134827C20
ref: 18
DEFENSE,CHAIN GUIDE
€ 28.50
19
6134227C20
ref: 19
PLATE,CHAIN GUIDE,OUTER
€ 35.50
20
0910306146
ref: 20
09103-06143
BOLT
€ 2.50
21
0912606013
ref: 21
SCREW(6X40)
€ 5.50
22
6144528C30
ref: 22
WASHER,CHAIN ADJUSTER
€ 20.00
23
6144643D00
ref: 23
WASHER,CHAIN ADJUSTER,L
€ 29.00
24
0910008287
ref: 24
BOLT(8X50)
€ 3.50
25
0915908034
ref: 25
NUT
€ 2.00
up
all assemblies
AIR CLEANER (MODEL N)
AIR CLEANER (MODEL P/R/S)
CARBURETOR (MODEL N/P)
CARBURETOR (MODEL R/S)
CLUTCH
CRANKCASE
CRANKCASE COVER- WATER PUMP
CRANKSHAFT
CUSHION LEVER (MODEL N)
CUSHION LEVER (MODEL P/R/S)
CYLINDER
ELECTRICAL
EXHAUST VALVE
FRAME - SEAT (MODEL N/P)
FRAME - SEAT (MODEL R/S)
FRAME COVER (MODEL N)
FRAME COVER (MODEL P/R/S)
FRONT CALIPER (MODEL N/P/R)
FRONT CALIPER (MODEL S)
FRONT DAMPER (MODEL N)
FRONT DAMPER (MODEL P)
FRONT DAMPER (MODEL R)
FRONT DAMPER (MODEL S)
FRONT FENDER - FRONT NUMBER PLATE
FRONT MASTER CYLINDER
FRONT WHEEL
FUEL COCK
FUEL TANK (MODEL N)
FUEL TANK (MODEL P/R/S)
GEAR SHIFTING
HANDLE SWITCH (MODEL S)
HANDLE SWITCH (N/P/R)
HANDLEBAR
KICK STARTER
LABEL
MAGNETO
MUFFLER
RADIATOR (MODEL N/P)
RADIATOR (MODEL R/S)
REAR BRAKE
REAR CALIPER (MODEL P/R)
REAR CALIPER (MODEL S)
REAR CALIPERS (MODEL N)
REAR FENDER (MODEL N)
REAR FENDER (MODEL P/R/S)
REAR MASTER CYLINDER (MODEL N)
REAR MASTER CYLINDER (MODEL P/R/S)
REAR SWINGING ARM (MODEL N)
REAR SWINGING ARM (MODEL P/R/S)
REAR WHEEL
SHOCK ABSORBER (MODEL N)
SHOCK ABSORBER (MODEL P)
SHOCK ABSORBER (MODEL R)
SHOCK ABSORBER (MODEL S)
STAND - FOOTREST
STEERING STEM (MODEL N)
STEERING STEM (MODEL P/R/S)
TRANSMISSION
up