×
Buy Suzuki RM Parts Online
home
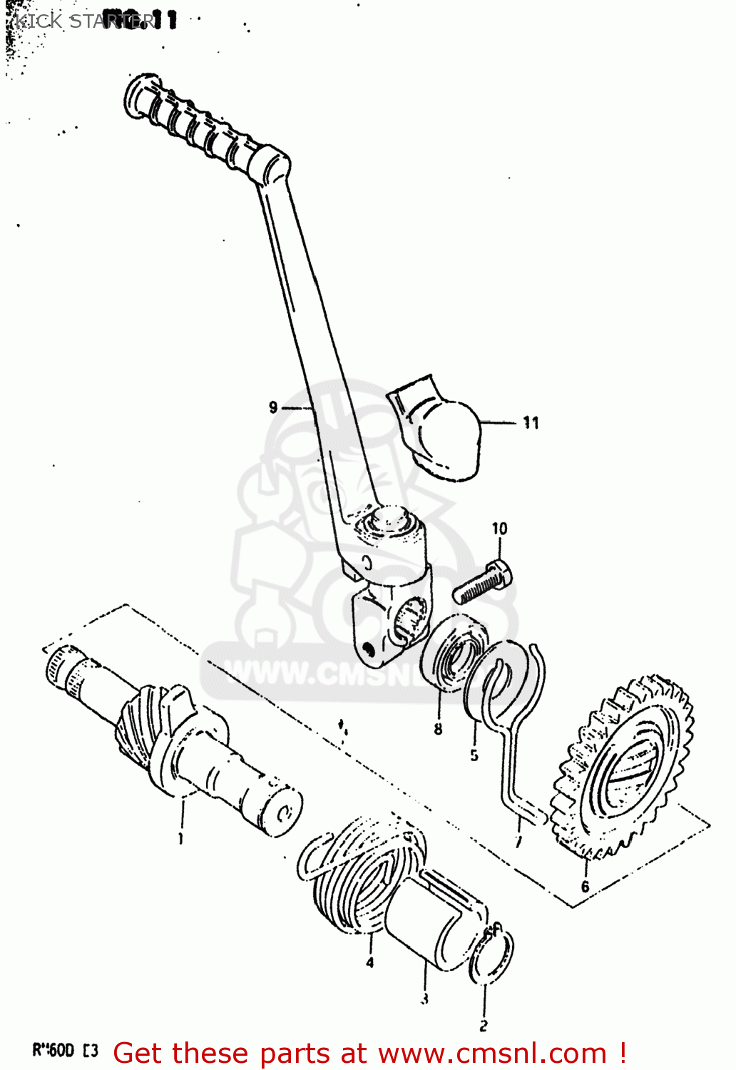
KICK STARTER
RM60 1982 (Z) USA (E03)
Kick starter diagram RM60 1982 (Z) USA (E03)
KICK STARTER RM60 1982 (Z) USA (E03)
×
prices are in EUR
ref
part #
description
quantity
1
2621046910
ref: 1
SHAFT,KICK STARTER
€ 77.50
2
0833131169
ref: 2
08331-3116A
CIRCLIP,16MM
€ 2.00
3
2622146000
ref: 3
GUIDE,KICK STARTER SFT SPRING
€ 5.50
4
0944840001
ref: 4
SPRING
€ 5.50
5
0916014005
ref: 5
09160-14046-XC0
WASHER
€ 4.50
6
2624146000
ref: 6
GEAR,KICK STARTER DRIVE(NT:30)
€ 42.50
7
0938428001
ref: 7
RETAINER,SNAP
€ 2.50
8
0928514001
ref: 8
SEAL,OIL(14X24X6)
€ 9.50
9
2630046900
ref: 9
LEVER ASSY,KICK STARTER
€ 265.00
10
0110706208
ref: 10
01500-06207
BOLT
€ 2.50
11
2634146900
ref: 11
COVER,KICK STARTER PEDAL
€ 6.50
up
all assemblies
AIR CLEANER
CARBURETOR
CDI UNIT - IGNITION COIL
CHAIN CASE - CHAIN TENSIONER
CLUTCH
CRANKCASE
CRANKCASE COVER
CRANKSHAFT
CYLINDER
FRAME - SEAT
FRAME COVER (MODEL D)
FRAME COVER (MODEL Z)
FRONT FENDER
FRONT FORK (MODEL D)
FRONT FORK (MODEL Z)
FRONT WHEEL
FUEL COCK
FUEL TANK (MODEL D)
FUEL TANK (MODEL Z)
GEAR SHIFTING
HANDLE GRIP - HANDLE SWITCH
HANDLEBAR
KICK STARTER
MAGNETO
MUFFLER
REAR FENDER
REAR SWINGING ARM
REAR WHEEL
STAND
TRANSMISSION
up