×
Buy Suzuki RM Parts Online
home
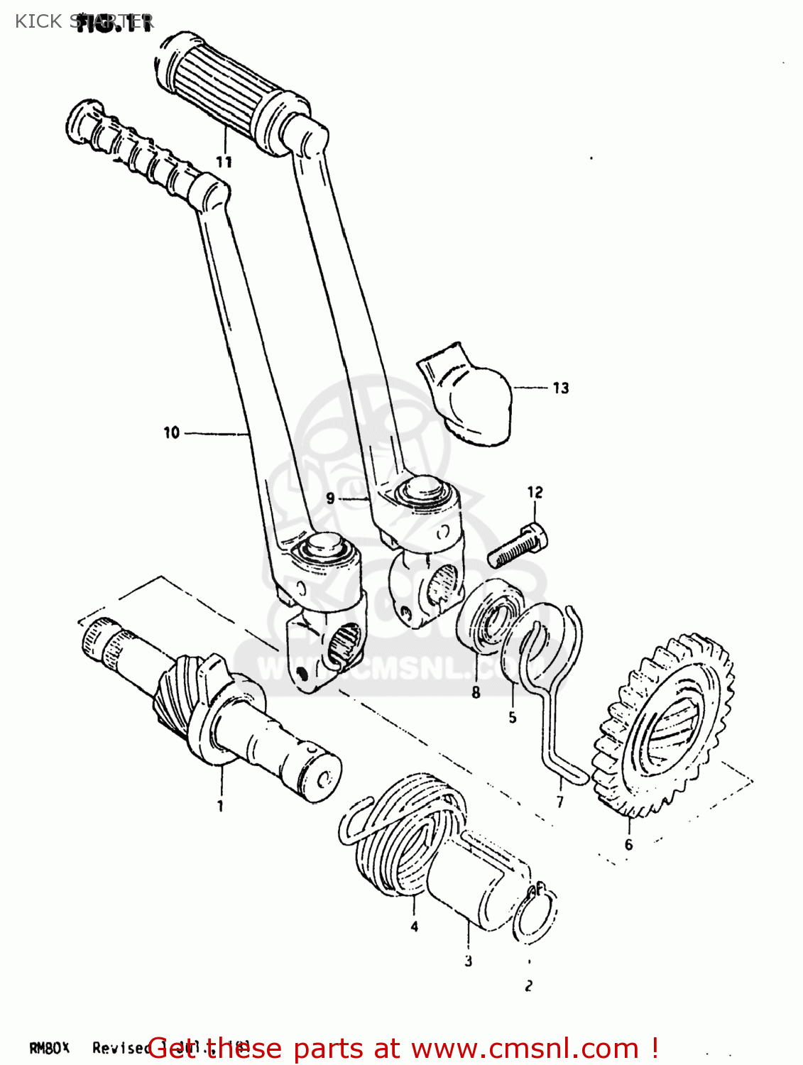
KICK STARTER
RM80 1981 (X) USA (E03)
Kick starter diagram RM80 1981 (X) USA (E03)
KICK STARTER RM80 1981 (X) USA (E03)
×
prices are in EUR
ref
part #
description
quantity
1
2621046910
ref: 1
SHAFT,KICK STARTER
€ 77.50
2
0833131169
ref: 2
08331-3116A
CIRCLIP,16MM
€ 2.00
3
2622146000
ref: 3
GUIDE,KICK STARTER SFT SPRING
€ 5.50
4
0944840001
ref: 4
SPRING
€ 5.50
5
0916014005
ref: 5
09160-14046-XC0
WASHER
€ 4.50
6
2624146000
ref: 6
GEAR,KICK STARTER DRIVE(NT:30)
€ 42.50
7
0938428001
ref: 7
RETAINER,SNAP
€ 2.50
8
0928514001
ref: 8
SEAL,OIL(14X24X6)
€ 9.50
9
2630046001
ref: 9
26300-46900
LEVER ASSEMBLY,KICK STARTER
€ 265.00
10
2630046900
ref: 10
LEVER ASSY,KICK STARTER
€ 265.00
11
2635201000
ref: 11
RUBBER,KICK STARTER PEDAL
€ 4.00
12
0110706208
ref: 12
01500-06207
BOLT
€ 2.50
13
2634146900
ref: 13
COVER,KICK STARTER PEDAL
€ 6.50
up
all assemblies
AIR CLEANER
CARBURETOR
CDI UNIT - IGNITION COIL
CHAIN GUIDE (RM80T)
CHAIN GUIDE (RM80X)
CLUTCH
CRANKCASE
CRANKCASE COVER
CRANKSHAFT
CYLINDER
FRAME - SEAT
FRAME COVER (RM80T)
FRAME COVER (RM80X)
FRONT FENDER
FRONT FORK
FRONT WHEEL
FUEL TANK (RM80T)
FUEL TANK (RM80X)
GEAR SHIFTING
HANDLE GRIP - LEVER
HANDLEBAR - CONTROL CABLE
KICK STARTER
MAGNETO
MUFFLER
OPTIONAL (OFF-ROAD SOUND KIT)
REAR BRAKE
REAR FENDER
REAR SWINGING ARM
REAR WHEEL
STAND
TRANSMISSION
up