×
Buy Suzuki RV Parts Online
home
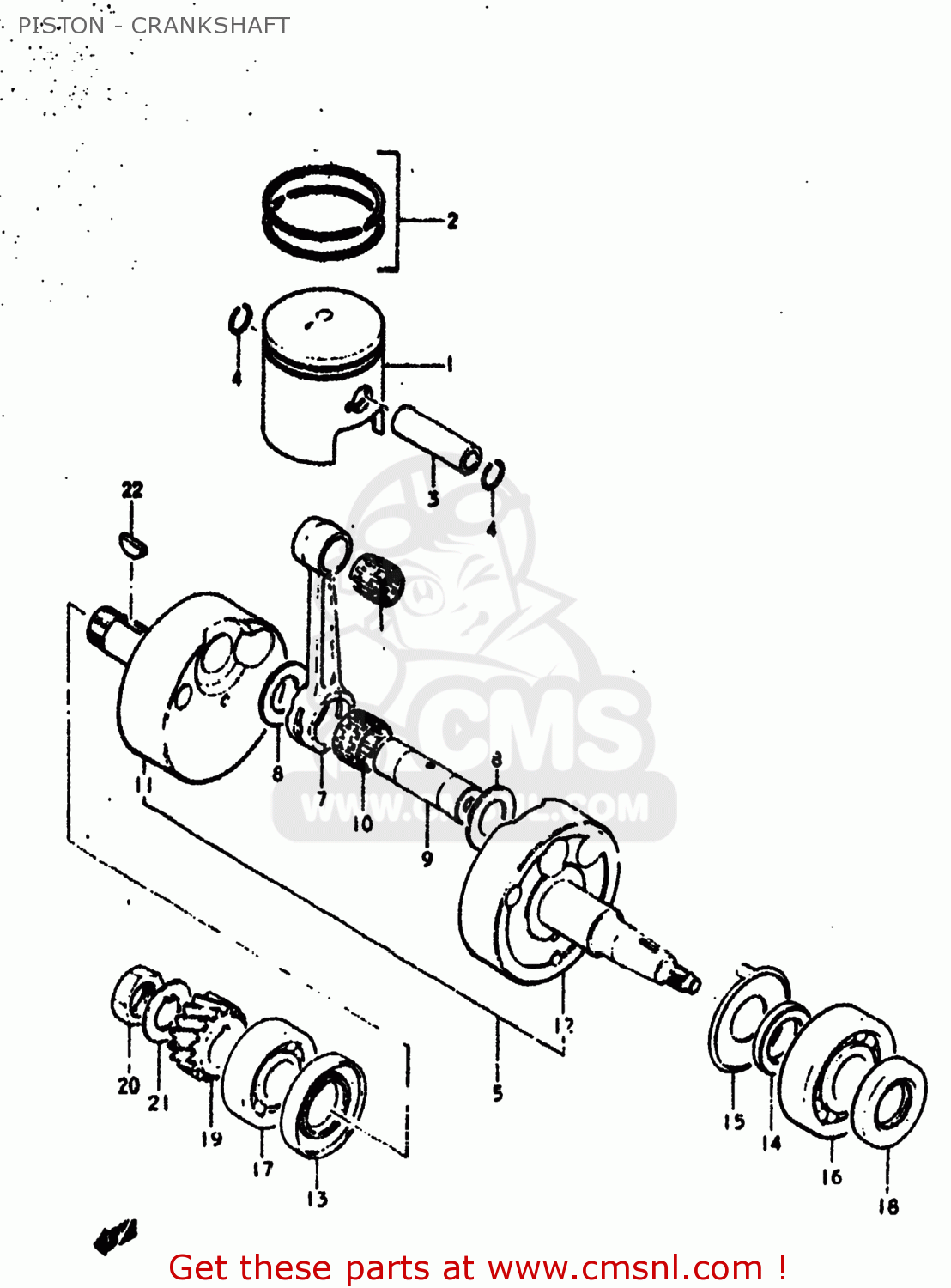
PISTON - CRANKSHAFT
RV125 1975 (M) USA (E03)
Piston - crankshaft diagram RV125 1975 (M) USA (E03)
PISTON - CRANKSHAFT RV125 1975 (M) USA (E03)
×
prices are in EUR
ref
part #
description
quantity
1-1
1211027300
ref: 1-1
PISTON
€ 99.00
1-2
1211028000
ref: 1-2
12110-48001
PISTON
€ 99.00
1-3
1211028003
ref: 1-3
12110-48001
PISTON
€ 99.00
1-4
1211028710
ref: 1-4
12100-48000-050
PISTON
€ 105.00
1-5
1211028720
ref: 1-5
12100-48000-100
PISTON
€ 80.50
2-1
1214028010
ref: 2-1
12140-28021
RING SET,PISTON
€ 45.50
2-2
1214028710
ref: 2-2
12140-28011-050
RING SET,PISTON
€ 45.50
2-3
1214028720
ref: 2-3
12140-28011-100
RING SET,PISTON
€ 60.50
3
1215128000
ref: 3
12151-05200
PIN,PISTON
€ 7.50
4
0938114001
ref: 4
RING,SNAP 14MM
€ 2.00
5-1
1220028300
ref: 5-1
CRANKSHAFT ASSEMBLY
€ 195.50
5-2
1220028302
ref: 5-2
CRANKSHAFT ASSEMBLY
€ 195.50
6-1
0926314004
ref: 6-1
09263-14022
BEARING
€ 11.00
6-2
0926314006
ref: 6-2
09263-14022
BEARING
€ 11.00
7
1216112000
ref: 7
12161-39300
CONNECTING ROD
€ 59.00
8
0916019001
ref: 8
WASHER(19X32X1)
€ 4.00
9
1221128000
ref: 9
PIN,CRANK
€ 35.50
10
0926319007
ref: 10
09263-19009
BEARING
€ 16.50
11
1222128002
ref: 11
12221-28003
CRANKSHAFT
€ 67.50
12
1226128003
ref: 12
12261-41001
CRANKSHAFT,LEFT
€ 76.00
13
0928326007
ref: 13
SEAL,OIL(26X52X8)
€ 8.00
14
0918025041
ref: 14
SPACER
€ 4.50
15
1251128002
ref: 15
PLATE,CRANKSHAFT OIL GUIDE
€ 7.50
16
0926925013
ref: 16
BEARING(25X62X17)
€ 45.00
17
0926220009
ref: 17
09262-20073
BEARING
€ 19.00
18
0928325037
ref: 18
09283-25066
OIL SEAL
€ 8.00
19
2111128000
ref: 19
21111-28001
GEAR,PRIMARY DRIVE
€ 45.50
20
0914018002
ref: 20
NUT
€ 4.50
21
0916618001
ref: 21
WASHER
€ 3.50
22
0834131059
ref: 22
KEY
€ 3.00
up
all assemblies
AIR CLEANER
CARBURETOR
CLUTCH
CONTROL CABLE
CRANKCASE
CYLINDER
ELECTRICAL
ELECTRICAL (2)
ELECTRICAL (3)
ENGINE COVER (RV125K
ENGINE COVER (RV125M
FRAME - FRAME COVER
FRONT FENDER
FRONT FORK (RV125K)
FRONT FORK (RV125L
FRONT WHEEL
FUEL TANK
GEAR SHIFTING
HANDLE SWITCH
HANDLEBAR
HEADLAMP
KICK STARTER
MAGNETO
MUFFLER
OIL PUMP
OIL TANK
PISTON - CRANKSHAFT
REAR COMBINATION LAMP
REAR FENDER
REAR SWINGING ARM
REAR WHEEL
REDUCTION SHIFTING (RV125M
SEAT
SPEEDOMETER - TACHOMETER (RV125K
SPEEDOMETER - TACHOMETER (RV125M
STAND - FOOTREST
TRANSMISSION (RV125K
TRANSMISSION (RV125M
TURN SIGNAL LAMP
up