×
Buy Suzuki RV Parts Online
home
RV90 1974 (L) USA (E03)
AIR CLEANER
30 products
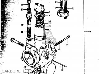
CARBURETOR
31 products
CLUTCH
27 products
CYLINDER - CRANKCASE
46 products
ELECTRICAL (A)
25 products
ELECTRICAL (B)
22 products
ENGINE COVER
30 products
FLYWHEEL MAGNETO (RV90K
22 products
FLYWHEEL MAGNETO (RV90M
25 products
FRAME
37 products
FRONT FENDER
20 products
FRONT FORK (RV90K)
33 products
FRONT FORK COVER (RV90K)
7 products
FRONT TANK (RV90L
46 products
FRONT WHEEL
43 products
FUEL TANK
35 products
GEAR SHIFTING
39 products
GRIP - HANDLE SWITCH (RV90K
30 products
GRIP - HANDLE SWITCH (RV90M
41 products
HANDLEBAR - CABLE
37 products
HEADLAMP (RV90K
21 products
HEADLAMP (RV90M
25 products
KICK STARTER
19 products
MUFFLER
27 products
OIL PUMP
19 products
OIL TANK
13 products
OPTIONAL (RV90L
12 products
PISTON - CRANKSHAFT
48 products
REAR COMBINATION LAMP
18 products
REAR FENDER
16 products
REAR SWINGING ARM
33 products
REAR WHEEL
51 products
SEAT
16 products
SPEEDOMETER (RV90K)
13 products
SPEEDOMETER (RV90L
18 products
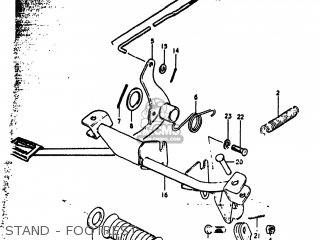
STAND - FOOTREST
24 products
TRANSMISSION
45 products
TURN SIGNAL LAMP
22 products
up
popular products
1216123000
ROD,CONNECTING
Suzuki
3561303610
GASKET,TURNSIGNAL LENS (NAS)
Suzuki
0932012014
CUSHION
Suzuki
0928707001
SEAL,DUST(7X16X75)
Suzuki