×
Buy Suzuki SB Parts Online
home
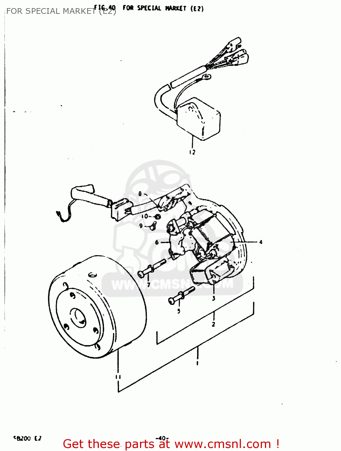
FOR SPECIAL MARKET (E2)
SB200 1979 (N) (E02)
For special market (e2) diagram SB200 1979 (N) (E02)
FOR SPECIAL MARKET (E2) SB200 1979 (N) (E02)
×
prices are in EUR
ref
part #
description
quantity
1
3210010300
ref: 1
MAGNETO ASSY
€ 0.00
2
3210110300
ref: 2
STATOR ASSY
€ 0.00
3
3213110200
ref: 3
COIL,LIGHTING(A)
€ 49.00
4
3213210200
ref: 4
COIL, LIGHTING B
€ 61.50
5
3235110200
ref: 5
SCREW
€ 1.50
6
3214010200
ref: 6
COIL, PRINAR,
€ 114.50
7
3235110210
ref: 7
SCREW
€ 1.50
8
3215110200
ref: 8
COIL,PULSER
€ 71.00
9
0211204208
ref: 9
SCREW
€ 1.00
10
0832121048
ref: 10
LOCK WASHER
€ 2.00
11
3210210300
ref: 11
ROTOR
€ 0.00
12
3290010300
ref: 12
C.D.I. UNIT ASSY
€ 90.00
up
all assemblies
* COLOR CHART *
* CATALOG PREFACE *
* CATALOG PREFACE *
* CONVERSION CHART *
CYLINDER
CRANKCASE
CRANKCASE COVER
CRANKSHAFT
STARTER CLUTCH
CARBURETOR
AIR CLEANER
MUFFLER
OIL PUMP
CLUTCH
TRANSMISSION
GEAR SHIFTING
KICK STARTER
STARTING MOTOR
MAGNETO
BATTERY
SPEEDOMETER
HEADLAMP
TURN SIGNAL LAMP
REAR COMBINATION LAMP
ELECTRICAL
FRAME
STAND - FOOTREST
FUEL TANK
OIL TANK - FRAME COVER
SEAT
FRONT FORK
FRONT FENDER
FRONT WHEEL
HANDLEBAR
RIGHT HANDLE SWITCH
LEFT HANDLE SWITCH
REAR SWINGING ARM
REAR FENDER
REAR WHEEL
OPTIONAL
FOR SPECIAL MARKET (E2)
FOR SPECIAL MARKET (E2)
FOR SPECIAL MARKET (E2)
FOR SPECIAL MARKET (E2)
FOR SPECIAL MARKET (E2)
FOR SPECIAL MARKET (E2)
up