×
Buy Suzuki TS Parts Online
home
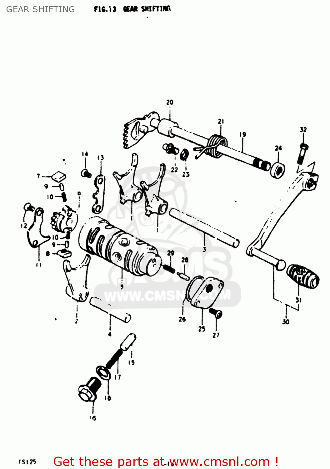
GEAR SHIFTING
TS125 1978 (C) USA (E03)
Gear shifting diagram TS125 1978 (C) USA (E03)
GEAR SHIFTING TS125 1978 (C) USA (E03)
×
prices are in EUR
ref
part #
description
quantity
1-1
2521148000
ref: 1-1
25211-41301
FORK,GEAR SHIFT NO.1
€ 78.00
1-2
2521148001
ref: 1-2
25211-41301
FORK,GEAR SHIFT NO.1
€ 78.00
2-1
2522148000
ref: 2-1
25221-41X00
FORK,GEAR SHIFT NO.2
€ 75.50
2-2
2522141301
ref: 2-2
25221-41X00
FORK,GEAR SHIFT NO.2
€ 75.50
3
2541148000
ref: 3
25411-48001
SHAFT,GEAR SHIFT FORK
€ 15.00
4
2542148000
ref: 4
25421-35410
SHAFT,GEAR SHIFT FORK
€ 21.00
5-1
2531048001
ref: 5-1
CAM,GEAR SHIFT
€ 0.00
5-2
2531048400
ref: 5-2
CAM,GEAR SHIFT
€ 100.00
6
2532211000
ref: 6
25322-31310
RETAINER,GEAR SHIFT CAM
€ 15.50
7
2532311000
ref: 7
25323-34201
PAWL,GEAR SHIFT NO.1
€ 7.00
8
2532411000
ref: 8
25324-34201
PAWL,GEAR SHIFT NO.2
€ 7.00
9
0926105003
ref: 9
PIN(5X8)
€ 2.00
10
0944004003
ref: 10
SPRING
€ 2.00
11
2533111001
ref: 11
LIFTER,GEAR SHIFT PAWL
€ 5.00
12
0212206128
ref: 12
02122-06127
SCREW
€ 3.50
13
2534148000
ref: 13
25341-40001
GUIDE,GEAR SHIFTING CABLE
€ 7.50
14
0212206108
ref: 14
02122-0610A
SCREW
€ 1.50
15
2535111000
ref: 15
25351-11010
STOPPER,GEAR SHIFTING
€ 7.00
16
2535211000
ref: 16
25352-11010
BOLT,GEAR SHAFT CAM STOPPER
€ 5.00
17
0944005007
ref: 17
SPRING
€ 1.50
18
0916814004
ref: 18
GASKET(14X19.2X2) (NAS)
€ 2.50
19
2551048000
ref: 19
SHAFT,GEAR SHIFT
€ 80.00
20
0918012068
ref: 20
SPACER(12X20X15.3)
€ 3.50
21
0944426013
ref: 21
SPRING
€ 4.00
22
2567101000
ref: 22
25671-01011
STOPPER,GEAR SHIFT CAM
€ 3.50
23
0916208005
ref: 23
08321-01087
WASHER
€ 2.50
24
0928512002
ref: 24
09285-12006
OIL SEAL
€ 7.00
25
3772029350
ref: 25
BODY,GEAR SHIFT SWITCH
€ 11.50
26
0928026003
ref: 26
09280-26005
O-RING (D:2.4 ID:26.2)
€ 3.00
27
0211205128
ref: 27
02112-05127
SCREW
€ 2.50
28
0920905011
ref: 28
PIN(5X15.5)
€ 2.00
29
0944004010
ref: 29
SPRING
€ 2.00
30
2560030501
ref: 30
LEVER ASSY,GEAR SHIFT
€ 34.00
31
2565216500
ref: 31
RUBBER,GEAR SHIFT PEDAL
€ 4.50
32
0110706208
ref: 32
01500-06207
BOLT
€ 2.50
up
all assemblies
AIR CLEANER
BATTERY
CARBURETOR (TS125C)
CARBURETOR (TS125N)
CLUTCH
CRANKCASE
CRANKCASE COVER
CYLINDER
ELECTRICAL
FRAME
FRAME COVER
FRONT FENDER
FRONT FORK
FRONT WHEEL
FUEL COCK
FUEL TANK
GEAR SHIFTING
HANDLEBAR
HEADLAMP
KICK STARTER
LEFT HANDLE SWITCH
MAGNETO (KOKUSAN)
MAGNETO (NO)
MUFFLER
OIL PUMP
OIL TANK
PISTON - CRANKSHAFT
REAR BRAKE
REAR COMBINATION LAMP
REAR FENDER
REAR SWINGING ARM
REAR WHEEL
RIGHT HANDLE SWITCH
SEAT
SPEEDOMETER (TS125N)
SPEEDOMETER - TACHOMETER (TS125C)
STAND - FOOTREST
TRANSMISSION (TS125C)
TRANSMISSION (TS125N)
TURN SIGNAL LAMP
WIRING HARNESS
up