×
Buy Suzuki TS Parts Online
home
AIR CLEANER
TS250 1979 (N) USA (E03)
Air cleaner diagram TS250 1979 (N) USA (E03)
AIR CLEANER TS250 1979 (N) USA (E03)
×
prices are in EUR
ref
part #
description
quantity
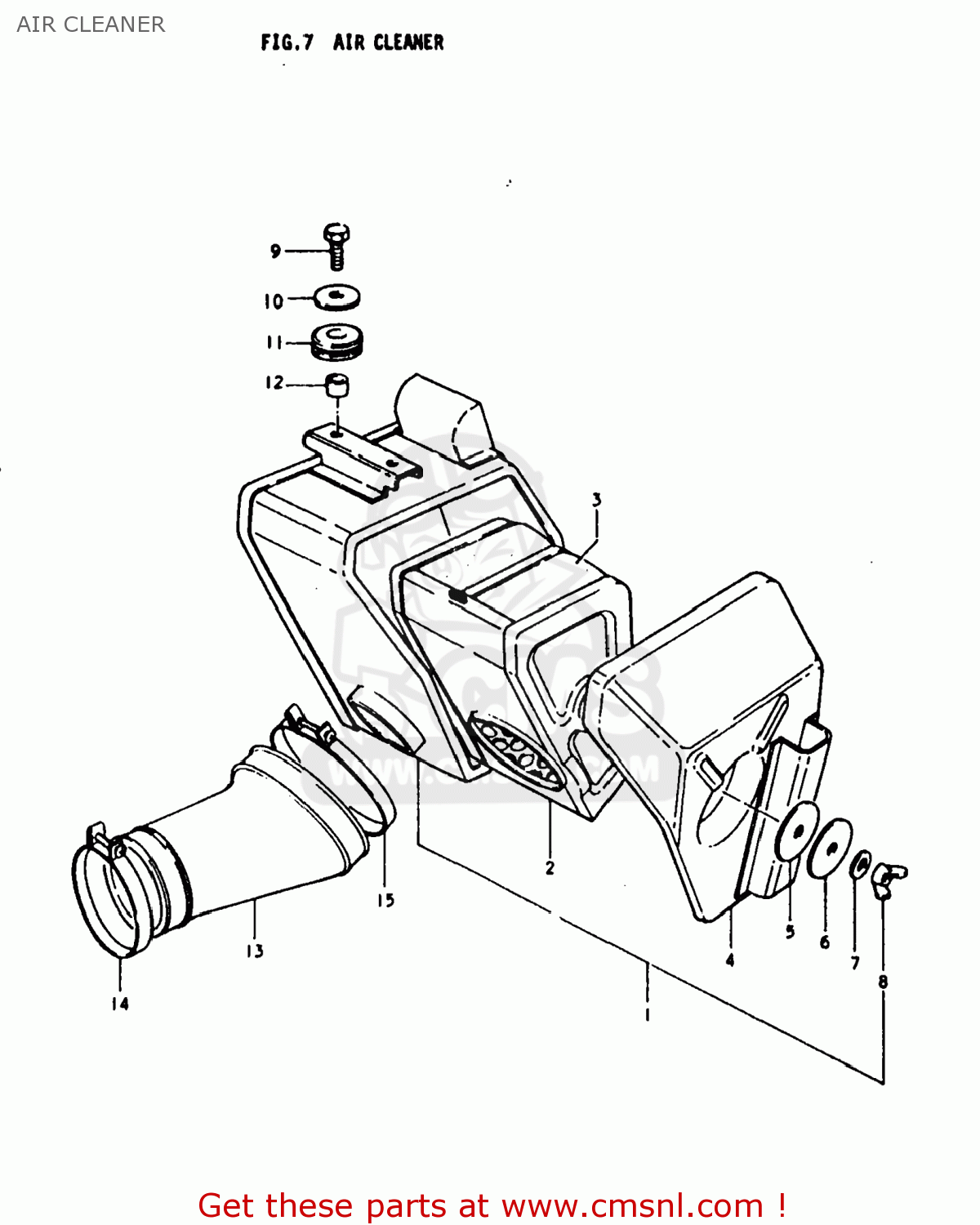
1-1
1370030510
ref: 1-1
CLEANER ASSEMBLY,AIR
€ 0.00
1-2
1370030511
ref: 1-2
CLEANER ASSEMBLY,AIR
€ 66.50
2
1378030510
ref: 2
FILTER ASSY
€ 44.50
3
1378130510
ref: 3
FILTER
€ 17.00
4
1377130510
ref: 4
CAP,AIR CLEANER
€ 8.50
5
1378928010
ref: 5
SEAL
€ 2.00
6
1372828010
ref: 6
WASHER,AIR CLEANER ELEMENT
€ 2.00
7
0832221068
ref: 7
08322-01067
WASHER
€ 2.50
8
0914406003
ref: 8
08317-12063
NUT
€ 2.00
9
0110706168
ref: 9
01500-06167
BOLT, UPPER
€ 3.00
10
0916006027
ref: 10
09160-06077
WASHER (6.5X20X1.2)
€ 2.00
11
0932008007
ref: 11
09320-08021
CUSHION
€ 4.50
12
0918007005
ref: 12
09180-06259
SPACER (7X9X7)
€ 3.00
13
1388130500
ref: 13
HOSE,CARBURETOR AIR INLET
€ 16.00
14
0940252306
ref: 14
CLAMP
€ 7.00
15
0940266306
ref: 15
CLAMP
€ 8.50
up
all assemblies
AIR CLEANER
BATTERY
CARBURETOR
CHAIN CASE
CLUTCH
CRANKCASE
CRANKCASE COVER
CRANKSHAFT
CYLINDER
ELECTRICAL
FRAME
FRONT FENDER
FRONT FORK
FRONT WHEEL
FUEL TANK
GEAR SHIFTING
HANDLEBAR
HEADLAMP
KICK STARTER
LEFT HANDLE SWITCH
MAGNETO
MUFFLER
OIL PUMP
OIL TANK - FRAME COVER
REAR BRAKE
REAR COMBINATION LAMP
REAR FENDER
REAR SWINGING ARM
REAR WHEEL
RIGHT HANDLE SWITCH
SEAT
SPEEDOMETER - TACHOMETER
STAND - FOOTREST
TRANSMISSION
TURN SIGNAL LAMP
WIRING HARNESS
up