×
Buy Suzuki TS Parts Online
home
CARBURETOR
TS75 1976 (A) USA (E03)
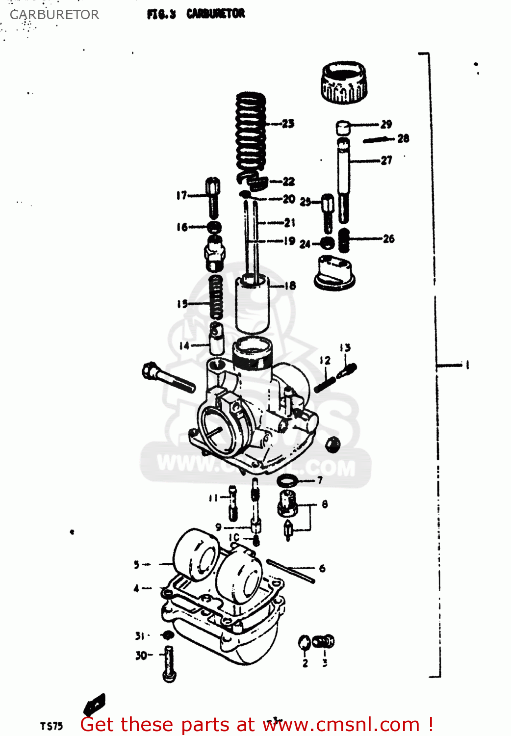
Carburetor diagram TS75 1976 (A) USA (E03)
CARBURETOR TS75 1976 (A) USA (E03)
×
prices are in EUR
ref
part #
description
quantity
1
1320026110
ref: 1
CARBURETOR ASSEMBLY
€ 95.50
2
1324905010
ref: 2
GASKET,DRAIN,PLUG (NAS)
€ 2.00
3
1324705010
ref: 3
PLUG
€ 6.50
4
1325101010
ref: 4
13251-01011
GASKET,FLOAT CHAMBER (NAS)
€ 6.00
5
1325202010
ref: 5
FLOAT
€ 14.50
6
1325411010
ref: 6
PIN,FLOAT
€ 3.50
7
1339201010
ref: 7
GASKET,NEEDLE VALVE (NAS)
€ 2.50
8
1337026010
ref: 8
13370-23010
VALVE ASSEMBLY,NEEDLE
€ 37.00
9
0949400133
ref: 9
JET,NEEDLE
€ 7.50
10
0949177001
ref: 10
JET
€ 5.00
11
0949222002
ref: 11
09492-22006
JET
€ 8.50
12
1326801010
ref: 12
SPRING
€ 4.00
13
1326901010
ref: 13
SCREW,PILOT AIR
€ 15.50
14
1341101010
ref: 14
PLUNGER,STARTER
€ 15.50
15
1341701010
ref: 15
SPRING
€ 4.00
16
1366103010
ref: 16
NUT
€ 4.00
17
1357703010
ref: 17
13577-48110
ADJUSTER,CABLE
€ 8.50
18
1355126110
ref: 18
VALVE,THROTTLE
€ 50.00
19
1338319010
ref: 19
NEEDLE,JET
€ 14.50
20
1339412110
ref: 20
13394-40D00
CLIP,NEEDLE
€ 3.50
21
1329605010
ref: 21
ROD,THROTTLE VALVE STOP
€ 6.50
22
1358101010
ref: 22
13581-07910
PLATE,THROTTLE VALVE
€ 6.50
23
1357305010
ref: 23
SPRING,THROTTLE VALVE
€ 4.00
24
1366103010
ref: 24
NUT
€ 4.00
25
1357703010
ref: 25
13577-48110
ADJUSTER,CABLE
€ 8.50
26
1326803010
ref: 26
SPRING
€ 4.00
27
1326705010
ref: 27
SCREW,THROTTLE STOP
€ 11.50
28
0411112108
ref: 28
04111-1210A
PIN 12X10
€ 2.00
29
1368808010
ref: 29
CAP,THROTTLE VALVE STOP SCREW
€ 5.00
30
0211104208
ref: 30
02112-0420A
SCREW
€ 1.00
31
0832121048
ref: 31
08321-0104A
LOCK WASHER
€ 2.50
up
all assemblies
AIR CLEANER
CARBURETOR
CLUTCH
CRANKCASE COVER
CYLINDER - CRANKCASE
ELECTRICAL (1)
ELECTRICAL (2)
FLYWHEEL MAGNETO
FRAME
FRONT FENDER - CABLE
FRONT FORK
FRONT WHEEL
FUEL TANK
GEAR SHIFTING
HEADLAMP
KICK STARTER
MUFFLER
OIL PUMP
OIL TANK - FRAME COVER
PISTON - CRANKSHAFT
PROP STAND - BRAKE PEDAL
REAR COMBINATION LAMP (TS75B)
REAR COMBINATION LAMP (TS75M
REAR FENDER
REAR SWINGING ARM
REAR WHEEL
SEAT
SPEEDOMETER
THROTTLE GRIP - HANDLE SWITCH
TRANSMISSION
TURN SIGNAL LAMP
up