×
Buy Suzuki TU Parts Online
home
TU250X 1998 (W) (E02 E04 E17 E24 E25 E34 E39)
* COLOR CHART *
0 products
* CATALOG PREFACE *
0 products
* CATALOG PREFACE *
0 products
* CONVERSION CHART *
0 products
CYLINDER HEAD
30 products
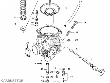
CARBURETOR
42 products
AIR CLEANER
12 products
MUFFLER
16 products
OIL PUMP
20 products
CLUTCH
29 products
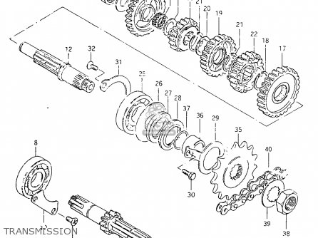
TRANSMISSION
44 products
GEAR SHIFTING
36 products
STARTING MOTOR
17 products
MAGNETO
8 products
BATTERY
8 products
CYLINDER
8 products
ELECTRICAL
16 products
SPEEDOMETER
23 products
HEADLAMP
20 products
TURNSIGNAL LAMP
24 products
REAR COMBINATION LAMP
22 products
WIRING HARNESS
22 products
HANDLE SWITCH
8 products
FRAME
24 products
STAND
12 products
FOOTREST
17 products
CRANKCASE
11 products
FUEL TANK
17 products
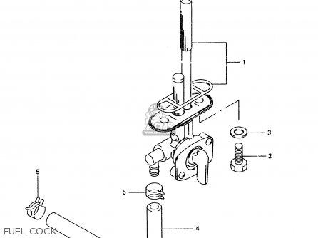
FUEL COCK
5 products
FRAME COVER
18 products
HEADLAMP HOUSING
16 products
HANDLEBAR
21 products
HANDLE LEVER
22 products
REAR FENDER
13 products
WARNING LABEL
15 products
REAR BRAKE ROD
7 products
SEAT
19 products
CRANKCASE COVER
28 products
SEAT TAIL COVER
19 products
FRONT DAMPER
24 products
STEERING STEM
23 products
FRONT WHEEL
15 products
FRONT CALIPER
15 products
FRONT MASTER CYLINDER
14 products
REAR SWINGING ARM
17 products
CHAIN CASE
13 products
REAR WHEEL
36 products
OPTIONAL
15 products
CRANKSHAFT
27 products
STARTER CLUTCH
11 products
CRANK BALANCER
11 products
CAM SHAFT - VALVE
25 products
CAM CHAIN
10 products
up
popular products
1274932400
KEY,SPROCKET
Suzuki
5153025D00
BRACKET,HEADLAMP,R
Suzuki
2475138201
RETAINER,DRIVE SHAFT OIL SEAL
Suzuki
5830025D00
CABLE ASSY,THROTTLE NO.1
Suzuki