×
Buy Suzuki VS Parts Online
home
VS700GLP INTRUDER 1989 (K) USA (E03)
AIR CLEANER (FRONT)
13 products
AIR CLEANER (REAR)
14 products
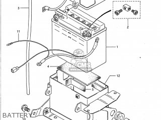
BATTERY
16 products
CAM CHAIN
12 products
CAMSHAFT - VALVE
30 products
CANISTER (FOR CALIFORNIA)
32 products
CARBURETOR (FRONT)
62 products
CARBURETOR (REAR)
59 products
CLUTCH
30 products
CLUTCH HOSE
3 products
CLUTCH MASTER CYLINDER
15 products
CRANKCASE
51 products
CRANKCASE COVER
32 products
CRANKSHAFT
35 products
CYLINDER
15 products
CYLINDER HEAD (FRONT)
60 products
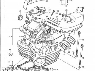
CYLINDER HEAD (REAR)
60 products
ELECTRICAL
26 products
FOOTREST
25 products
FRAME
55 products
FRAME COVER
36 products
FRONT BRAKE HOSE
6 products
FRONT CALIPER
20 products
FRONT FORK
25 products
FRONT MASTER CYLINDER (MODEL J)
10 products
FRONT MASTER CYLINDER (MODEL K/L/M)
10 products
FRONT WHEEL
18 products
FUEL COCK
6 products
FUEL TANK (MODEL J/K/L)
36 products
FUEL TANK (MODEL M)
24 products
GEAR SHIFTING
44 products
HANDLE SWITCH (MODEL J)
21 products
HANDLE SWITCH (MODEL K/L/M)
21 products
HANDLEBAR - CONTROL CABLE
14 products
HEADLAMP
19 products
HEADLAMP HOUSING - FRONT FENDER
11 products
MAGNETO
12 products
MUFFLER
18 products
OIL PUMP - FUEL PUMP
24 products
PILLION RIDER HANDLE
33 products
PROP STAND - REAR BRAKE
38 products
PROPELLER SHAFT - FINAL DRIVE GEAR
53 products
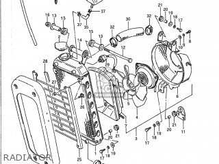
RADIATOR
46 products
REAR COMBINATION LAMP
36 products
REAR FENDER
14 products
REAR SWINGING ARM
40 products
REAR WHEEL
36 products
SEAT
29 products
SECONDARY DRIVE GEAR
28 products
SPEEDOMETER
34 products
STARTER CLUTCH
6 products
STARTING MOTOR (MODEL J/K/L)
18 products
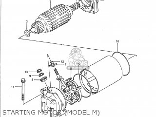
STARTING MOTOR (MODEL M)
14 products
STEERING STEM
23 products
TRANSMISSION
36 products
TURN SIGNAL LAMP
26 products
WATER PUMP
29 products
WIRING HARNESS
37 products
up
popular products
3576538A30
CUSHION
Suzuki
2744538A00030
SHIM,FINAL DRIVE GEAR
Suzuki
1284538A01
ARM,INTAKE VALVE ROCKER RR
Suzuki
2744538A00040
SHIM,FINAL DRIVE GEAR
Suzuki