×
Buy Suzuki ZR Parts Online
home
ZR50KE 1981 (X) (E02 E16 E22 E41)
* COLOR CHART *
0 products
* CATALOG PREFACE *
0 products
* CONVERSION CHART *
0 products
CYLINDER
19 products
CRANKCASE
14 products
CRANKCASE COVER
16 products
CRANKSHAFT
30 products
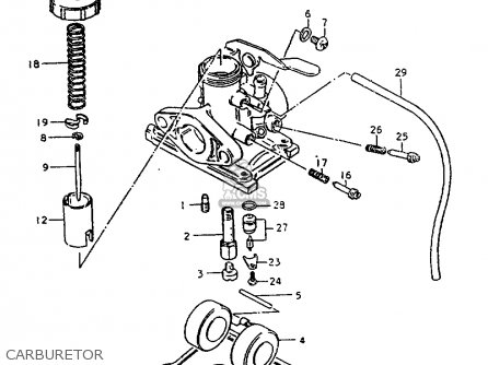
CARBURETOR
33 products
AIR CLEANER
9 products
MUFFLER
9 products
OIL PUMP
22 products
CLUTCH
21 products
TRANSMISSION
38 products
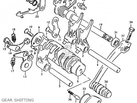
GEAR SHIFTING
39 products
KICK STARTER
21 products
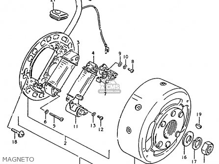
MAGNETO
21 products
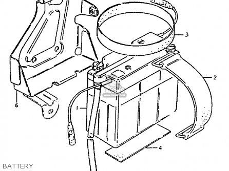
BATTERY
11 products
SPEEDOMETER - TACHOMETER
25 products
HEADLAMP
14 products
TURN SIGNAL LAMP
20 products
REAR COMBINATION LAMP
26 products
ELECTRICAL
22 products
FRAME
14 products
STAND - REAR BRAKE
30 products
FUEL TANK
17 products
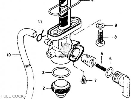
FUEL COCK
11 products
SEAT
37 products
FRAME COVER
13 products
FRONT FORK
41 products
HEADLAMP HOUSING - FRONT FENDER
12 products
FRONT WHEEL (ZR50KEX)
16 products
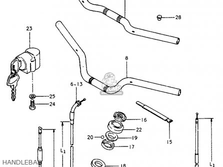
HANDLEBAR
31 products
HANDLE SWITCH
19 products
CALIPERS
19 products
REAR SWINGING ARM
24 products
REAR FENDER
17 products
REAR WHEEL
40 products
OPTIONAL
28 products
up
popular products
3565239280
LENS
Suzuki
0944308017
SPRING
Suzuki
2642222701
SHAFT,TACHOMETER DRIVEN GEAR
Suzuki
1214046110
RING SET,PISTON
Suzuki