×
Buy Suzuki DR Parts Online
home
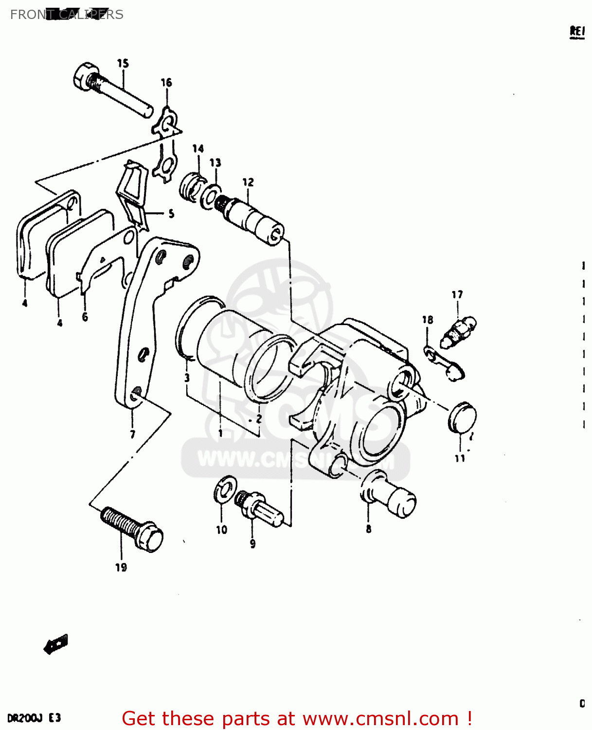
FRONT CALIPERS
DR200 1988 (J)
Front calipers diagram DR200 1988 (J)
FRONT CALIPERS DR200 1988 (J)
×
prices are in EUR
ref
part #
description
quantity
0
5930042A01
ref: 0
MODEL G/H
CALIPER ASSEMBLY,FRONT,LEFT
€ 324.00
0
5930042A10
ref: 0
MODEL J
CALIPER ASSEMBLY,FRONT,LEFT
€ 324.00
1
5930013810
ref: 1
PISTON SET,CALIPERS
€ 43.50
2
5910713A00
ref: 2
SEAL,PISTON
€ 12.50
3
5910813A00
ref: 3
BOOT,PISTON
€ 12.50
4-1
5934042A00
ref: 4-1
MODEL G/H
PAD
€ 59.00
4-2
5934042A10
ref: 4-2
MODEL J
PAD
€ 59.00
5
5931513A00
ref: 5
SPRING,PAD
€ 4.00
6
5937113A00
ref: 6
SHIM
€ 5.50
7
5935113A01
ref: 7
BRACKET
€ 36.00
8
5938613A00
ref: 8
BOOT
€ 6.50
9
5938213A00
ref: 9
BOLT,PIN
€ 7.00
10
5931413A00
ref: 10
WASHER,WAVE
€ 2.00
11
5938413A00
ref: 11
DUST SEAL
€ 5.50
12
5930513A01
ref: 12
PIN,SLIDE
€ 11.50
13
5930613A00
ref: 13
SPRING,FRICTION
€ 2.50
14
5930313A00
ref: 14
BOOT,PIN
€ 5.50
15
5934513A00
ref: 15
PIN,HANGER
€ 6.50
16
5934613A00
ref: 16
WASHER
€ 2.50
17
5912101A00
ref: 17
BLEEDER
€ 9.00
18
5912201A00
ref: 18
CAP,BLEEDER
€ 5.00
19
0151708307
ref: 19
BOLT 8X30
€ 4.00
up
all assemblies
* COLOR CHART *
* CATALOG PREFACE *
* CONVERSION CHART *
CYLINDER HEAD
CYLINDER
CRANKCASE
CRANKCASE COVER
CRANKSHAFT
CAM SHAFT - VALVE
CAM CHAIN
CARBURETOR
AIR CLEANER
MUFFLER
OIL PUMP
CLUTCH
TRANSMISSION
GEAR SHIFTING
KICK STARTER
MAGNETO
ELECTRICAL
TRIP METER
HEADLAMP
REAR COMBINATION LAMP
WIRING HARNESS
FRAME
STAND - REAR BRAKE
FOOTREST
FUEL TANK (MODEL J)
FUEL COCK
SEAT
FRAME COVER
FRONT FORK
STEERING STEM (MODEL G)
STEERING STEM (MODEL H/J)
HEADLAMP HOUSING
FRONT FENDER
FRONT WHEEL
HANDLEBAR
RIGHT HANDLE SWITCH
LEFT HANDLE SWITCH
FRONT CALIPERS
FRONT BRAKE HOSE
FRONT MASTER CYLINDER
REAR SWINGING ARM
REAR CUSHION
REAR FENDER
REAR WHEEL
OPTIONAL
up