×
Buy Suzuki DR Parts Online
home
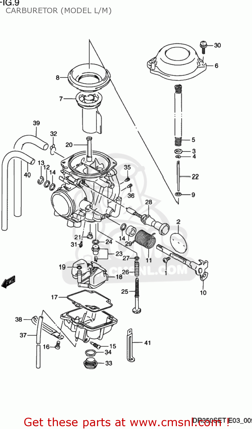
CARBURETOR (MODEL L/M)
DR350SE 1994 (R) USA (E03)
Carburetor (model l/m) diagram DR350SE 1994 (R) USA (E03)
CARBURETOR (MODEL L/M) DR350SE 1994 (R) USA (E03)
×
prices are in EUR
ref
part #
description
quantity
 
1320014D20
ref:  
CARBURETOR ASSY
€ 0.00
 
1320014D30
ref:  
CARBURETOR ASSEMBLY
€ 226.00
1
1360442A00
ref: 1
13604-44080
SCREW
€ 3.50
2
1355145B00
ref: 2
VALVE,THROTTLE (115)
€ 21.00
3
1338242A00
ref: 3
RING
€ 3.50
4
1339401D00
ref: 4
E RING
€ 4.50
5
1341744B00
ref: 5
SPRING
€ 6.00
6
1350201D00
ref: 6
COVER,DIAPHRAGM
€ 36.00
7
1355144B10
ref: 7
VALVE PISTON
€ 74.50
8
1350744B00
ref: 8
DIAPHRAGM
€ 29.00
9
1338747010
ref: 9
RING
€ 7.50
10
1355014D10
ref: 10
SHAFT ASSEMBLY
€ 50.00
11
1357314D10
ref: 11
SPRING
€ 7.00
12
1355747070
ref: 12
GASKET,THROTTLE SHAFT (NAS)
€ 4.00
13
1361744080
ref: 13
E RING
€ 3.50
14
1355644B00
ref: 14
SEAL
€ 3.50
15
1324702340
ref: 15
PLUG,DRAIN
€ 5.50
16
1360205128
ref: 16
02112-05127
SCREW
€ 2.50
17
1325844B00
ref: 17
GASKET,FLOAT CHAMBER (NAS)
€ 8.50
18-1
1324014D10
ref: 18-1
FLOAT ASSY
€ 65.50
18-1
1324014D10
ref: 18-1
FLOAT ASSY
€ 65.50
18-2
1324014D20
ref: 18-2
FLOAT ASSY
€ 46.00
19
1337446710
ref: 19
O RING
€ 4.50
20
0949400691
ref: 20
09494-00883
JET,NEEDLE (O-6)
€ 40.50
21
0949127009
ref: 21
JET,MAIN(135)
€ 10.50
22
1338314D20
ref: 22
NEEDLE,JET
€ 12.50
23
1337044B00
ref: 23
13370-02D00
VALVE ASSEMBLY,NEEDLE
€ 46.50
24
1337444080
ref: 24
13374-35C00
O-RING,NEEDLE VALVE
€ 6.00
25
1326714D10
ref: 25
SCREW,ADJUSTER
€ 22.50
26
1337514D10
ref: 26
SPRING
€ 6.50
27
1342738300
ref: 27
WASHER
€ 1.50
28
1341114D20
ref: 28
PLUNGER ASSY
€ 43.50
29
1357428A00
ref: 29
RING
€ 4.50
30
1360234390
ref: 30
02112-7516A
SCREW
€ 2.50
31
0949235010
ref: 31
JET,PILOT(37.5)
€ 10.50
32
1367148B10
ref: 32
09401-10401
CLIP
€ 1.50
33
1324732210
ref: 33
SCREW,GUIDE
€ 13.00
34
1324941310
ref: 34
O RING,DRAIN PLUG
€ 5.00
35
0949326004
ref: 35
JET,AIR(1.3)
€ 14.50
36
0949360004
ref: 36
JET,AIR(0.6)
€ 11.00
37
1368336A00
ref: 37
09352-30503-600
HOSE
€ 8.00
38
1367105A20
ref: 38
09404-06433
CLIP
€ 3.00
39
1368343410
ref: 39
09352-70113-600
HOSE
€ 17.50
40
1368732C00
ref: 40
44420-44AR0
HOSE
€ 13.00
41
0940406401
ref: 41
09404-06432
CLAMP L:35
€ 2.50
up
all assemblies
AIR CLEANER (MODEL L/M/N/P)
AIR CLEANER (MODEL R/S/T)
BATTERY (MODEL L/M/N/P)
BATTERY (MODEL R/S/T)
CAM CHAIN
CAM SHAFT - VALVE (MODEL L/M/N/P)
CAM SHAFT - VALVE (MODEL R/S/T)
CANISTER (CALIFORNIA ONLY)
CARBURETOR (MODEL L/M)
CARBURETOR (MODEL N/P)
CARBURETOR (MODEL R/S/T)
CLUTCH
CRANK BALANCER
CRANKCASE (MODEL L/M/N/P)
CRANKCASE (MODEL R/S/T)
CRANKCASE COVER (MODEL L/M/N/P)
CRANKCASE COVER (MODEL R/S/T)
CRANKSHAFT
CYLINDER
CYLINDER HEAD
ELECTRICAL
FOOTREST
FRAME (MODEL L/M/N/P)
FRAME (MODEL R/S/T)
FRAME COVER (MODEL L/M)
FRAME COVER (MODEL N/P/R/S)
FRAME COVER (MODEL T)
FRONT CALIPER
FRONT DAMPER
FRONT FENDER
FRONT MASTER CYLINDER
FRONT WHEEL
FUEL COCK
FUEL TANK (MODEL L/M)
FUEL TANK (MODEL N/P)
FUEL TANK (MODEL R/S/T)
GEAR SHIFTING
HANDLE SWITCH (MODEL L/M/N/P/R/S)
HANDLE SWITCH (MODEL T)
HANDLEBAR (MODEL L/M)
HANDLEBAR (MODEL N/P)
HANDLEBAR (MODEL R/S/T)
HEADLAMP
HEADLAMP COVER
KICK STARTER (MODEL L/M/N/P)
LEFT HANDLE LEVER (MODEL L/M/N/P)
LEFT HANDLE LEVER (MODEL R/S/T)
MAGNETO (MODEL L/M/N)
MAGNETO (MODEL P)
MAGNETO (MODEL R/S/T)
MUFFLER
OIL COOLER (OPTIONAL
OIL HOSE
OIL PUMP
REAR CALIPER (MODEL L/M)
REAR CALIPER (MODEL N/P)
REAR CALIPER (MODEL R/S/T)
REAR CUSHION LEVER
REAR FENDER (MODEL L/M/N/P)
REAR FENDER (MODEL R/S/T)
REAR GRIP
REAR MASTER CYLINDER
REAR SHOCK ABSORBER
REAR SWINGING ARM (MODEL L/M/N/P)
REAR SWINGING ARM (MODEL R/S/T)
REAR WHEEL (MODEL L/M/N/P/R/S)
REAR WHEEL (MODEL T)
RIGHT HANDLE LEVER (MODEL L/M)
RIGHT HANDLE LEVER (MODEL N/P/R/S/T)
SEAT
SPEEDOMETER
STAND - REAR BRAKE
STARTER CLUTCH (MODEL R/S/T)
STARTING MOTOR (MODEL R/S)
STARTING MOTOR (MODEL T)
STEERING STEM
TAIL LAMP
TRANSMISSION
TURN SIGNAL LAMP
WIRING HARNESS
up