×
Buy Suzuki DR Parts Online
home
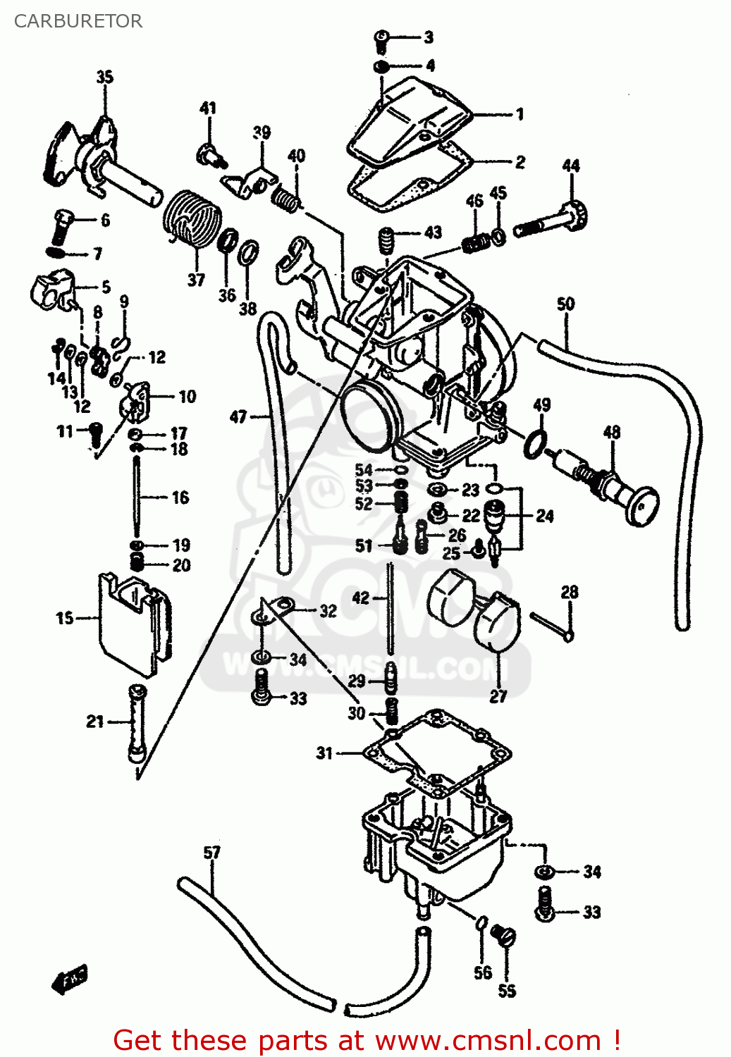
CARBURETOR
DR600SU 1986 (G) GERMANY (E22)
Carburetor diagram DR600SU 1986 (G) GERMANY (E22)
CARBURETOR DR600SU 1986 (G) GERMANY (E22)
×
prices are in EUR
ref
part #
description
quantity
0
1320014A01
ref: 0
CARBURETOR ASSY
€ 509.50
0
1320014A60
ref: 0
MODEL K E22
CARBURETOR ASSY
€ 0.00
1
1326114A00
ref: 1
CAP, TOP
€ 0.00
2
1326614A00
ref: 2
GASKET,CARBURETOR TOP (NAS)
€ 4.50
3
0211204106
ref: 3
SCREWM4X0.7X10
€ 1.50
4
0832131046
ref: 4
LOCK WASHER
€ 2.50
5
1354114A00
ref: 5
ARM,THROTTLE
€ 37.50
6
1361343010
ref: 6
BOLT
€ 1.50
7
0832131056
ref: 7
LOCK WASHER
€ 3.00
8
1344714A00
ref: 8
PLATE
€ 18.00
9
1344614A00
ref: 9
SPRING
€ 4.00
10
1339814A01
ref: 10
BRACKET
€ 0.00
11
1356614A00
ref: 11
SCREW
€ 2.50
12
1344514A00
ref: 12
GASKET (NAS)
€ 3.50
13
1344914A00
ref: 13
WASHER
€ 2.00
14
1329849000
ref: 14
E-RING
€ 2.00
15
1355114A00
ref: 15
VALVE,THROTTLE
€ 115.50
16
1338314A00
ref: 16
NEEDLE,JET
€ 15.00
17
1338747010
ref: 17
RING
€ 8.00
18
1339410010
ref: 18
CLIP
€ 5.00
19
1338247010
ref: 19
WASHER,JET NEEDLE
€ 4.00
20
1338847010
ref: 20
SPRING
€ 7.50
21
0949400489
ref: 21
JET,NEEDLE(O-0)
€ 19.50
22
0949127009
ref: 22
JET,MAIN(135)
€ 11.50
23
1333244080
ref: 23
WASHER,NEEDLE NOZZLE
€ 3.00
24
1337014A00
ref: 24
VALVE ASSY,NEE
€ 48.50
25
1360243410
ref: 25
SCREW
€ 2.50
26
0949220008
ref: 26
FROM 09492-20002
JET,PILOT 20
€ 11.50
27
1325214A00
ref: 27
FLOAT
€ 25.00
28
1325492311
ref: 28
PIN,FLOAT
€ 2.00
29
1349314A00
ref: 29
PLUNGER
€ 7.50
30
1327109400
ref: 30
SPRING
€ 5.50
31
1325114A00
ref: 31
GASKET,FLOAT CHAMBER (NAS)
€ 8.50
32
1369316600
ref: 32
PLATE
€ 8.00
33
0211205166
ref: 33
SCREW
€ 2.50
34
0832131056
ref: 34
LOCK WASHER
€ 3.00
35
1355314A00
ref: 35
SHAFT ASSY
€ 34.00
36
1355632410
ref: 36
SEAL
€ 7.50
37
1357314A00
ref: 37
SPRING
€ 8.50
38
1357438200
ref: 38
RING,THROTTLE SHAFT
€ 5.00
39
1349014A00
ref: 39
LEVER
€ 10.50
40
1349414A00
ref: 40
SPRING
€ 4.50
41
1361314A00
ref: 41
BOLT
€ 8.50
42
1348714A00
ref: 42
ROD,PLUNGER
€ 7.00
43
1349944500
ref: 43
BOOT, ACCELE PUMP ROD
€ 12.00
44
1326701400
ref: 44
SCREW,THROTTLE STOP
€ 10.00
45
1342738300
ref: 45
WASHER
€ 1.50
46
1327193011
ref: 46
SPRING
€ 4.50
47
1368414A00
ref: 47
HOSE (3.5X6.5X200)
€ 6.50
48
1340014A00
ref: 48
PLANGER ASSY
€ 40.50
49
1327847090
ref: 49
O RING
€ 2.50
50
1368422A00
ref: 50
L:550-350
HOSE
€ 14.00
51
1327947070
ref: 51
2.0
SCREW,PILOT
€ 12.50
52
1326847070
ref: 52
SPRING
€ 5.50
53
1329129900
ref: 53
FROM 13277-44080
WASHER
€ 2.00
54
1329529900
ref: 54
FROM 13278-44080
O RING,PILOT AIR SCREW
€ 4.00
55
1324705010
ref: 55
PLUG
€ 6.50
56
1324905010
ref: 56
GASKET,DRAIN,PLUG (NAS)
€ 2.00
57
1368337420
ref: 57
HOSE
€ 6.50
up
all assemblies
* COLOR CHART *
* CATALOG PREFACE *
* CONVERSION CHART *
CYLINDER HEAD
CYLINDER
CRANKCASE
CRANKCASE COVER
CRANKSHAFT
CRANK BALANCER
BALANCER CHAIN
CAM SHAFT-VALVE
CAM CHAIN
CARBURETOR
CARBURETOR (DR600SH/SJ/SK E18)
AIR CLEANER
MUFFLER (MODEL F)
MUFFLER (MODEL K)
OIL PUMP
OIL COOLER
CLUTCH
TRANSMISSION
GEAR SHIFTING
KICK STARTER
MAGNETO (MODEL F)
MAGNETO (MODEL G/H/J/K)
BATTERY
ELECTRICAL
SPEEDOMETER
HEADLAMP
TURN SIGNAL LAMP
REAR COMBINATION LAMP
WIRING HARNESS
FRAME (MODEL J/K)
STAND-REAR BRAKE
FOOTREST
FUEL TANK (MODEL F/G)
FUEL TANK (MODEL K)
FUEL COCK
SEAT (MODEL K)
FRAME COVER (MODEL J/K)
FRONT FORK
STEERING STEM
FRONT FORK COVER (MODEL H/J/K)
HEADLAMP HOUSING-FRONT FENDER (MODEL J/K)
HEADLAMP HOUSING-FRONT FENDER (MODEL J/K E15,16,17,18,22,24)
FRONT WHEEL
HANDLEBAR-CABLE
RIGHT HANDLE SWITCH
RIGHT HANDLE SWITCH (MODEL H/J/K E18)
LEFT HANDLE SWITCH
FRONT CALIPERS
FRONT BRAKE HOSE
FRONT MASTER CYLINDER
REAR SWINGING ARM
REAR SHOCK ABSORBER
REAR CUSHION LEVER
REAR FENDER
REAR WHEEL
OPTIONAL
up