×
Buy Suzuki DR Parts Online
home
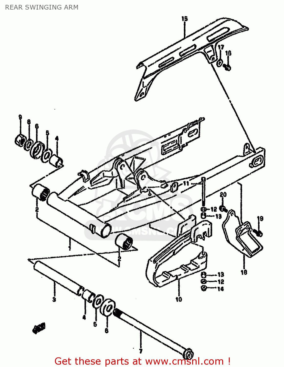
REAR SWINGING ARM
DR650RSEU 1995 (S) GERMANY (E22)
Rear swinging arm diagram DR650RSEU 1995 (S) GERMANY (E22)
REAR SWINGING ARM DR650RSEU 1995 (S) GERMANY (E22)
×
prices are in EUR
ref
part #
description
quantity
1-1
6100014A7013L
ref: 1-1
MODEL M/N-61000-12D3
SWING ARM ASSEMBLY,REAR
€ 476.50
1-2
6100012D3013L
ref: 1-2
MODEL P/R/S/T
SWING ARM ASSEMBLY,REAR
€ 476.50
2
0926322022
ref: 2
BEARING(22X29X20)
€ 29.50
3
6128214A00
ref: 3
SPACER,RR SWGARM PIVOT CTR
€ 15.00
4
6125132410
ref: 4
SPACER,RR SWGARM PIVOT
€ 9.00
5
0821116341
ref: 5
WASHER
€ 2.50
6
6126214A00
ref: 6
SEAL,RR SWGARM PIVOT DUST
€ 8.00
7-1
6121112D00
ref: 7-1
MODEL M/N
SHAFT,REAR SWING ARM
€ 39.00
7-2
6121112D10
ref: 7-2
MODEL P/R/S/T
SHAFT,RR SWINGINGARM PIVOT
€ 39.00
8-1
0832211165
ref: 8-1
MODEL M/N
WASHER (BLACK)
€ 2.00
8-2
0832211168
ref: 8-2
MODEL P
WASHER
€ 2.50
8-3
0832201163
ref: 8-3
MODEL R/S/T
WASHER, FIXED DRIVE FACE
€ 2.00
9-1
0831921165
ref: 9-1
MODEL M/N
NUT (BLACK)
€ 5.00
9-2
0831921168
ref: 9-2
MODEL P/R/S/T
NUT 16MM
€ 5.00
10
6127312D20
ref: 10
BUFFER,CHAIN TOUCH DEFENSE
€ 44.00
11
6127544B00
ref: 11
BOLT,TOUCH DEFENSE FTG
€ 4.50
12
0916005036
ref: 12
WASHER (5.5X14X1.2)
€ 2.50
13
0918006165
ref: 13
SPACER (6.6X9X6.5)
€ 3.00
14
0831931053
ref: 14
NUT
€ 3.50
15
6131014A00
ref: 15
CASE,CHAIN
€ 49.00
16-1
0151706105
ref: 16-1
MODEL M/N/P
BOLT
€ 3.00
16-2
0155006103
ref: 16-2
MODEL R/S/T
BOLT
€ 3.00
17
0916906026
ref: 17
WASHER
€ 2.50
18
6134114A03
ref: 18
GUIDE,CHAIN
€ 27.00
19-1
0151706128
ref: 19-1
MODEL M/N/P
BOLT
€ 3.00
19-2
0155006123
ref: 19-2
MODEL R/S/T
BOLT
€ 3.00
20-1
0151706167
ref: 20-1
MODEL M/N/P
BOLT 6X16
€ 1.50
20-2
0155006163
ref: 20-2
MODEL R/S/T
BOLT
€ 2.50
up
all assemblies
* CATALOG PREFACE *
* CONVERSION CHART *
CYLINDER HEAD
CYLINDER
CRANKCASE
CRANKCASE COVER
CRANKSHAFT
STARTER CLUTCH
CRANK BALANCER (MODEL P/R/S/T)
BALANCER CHAIN
CAM SHAFT-VALVE
CAM CHAIN
CARBURETOR (MODEL T)
AIR CLEANER
MUFFLER
OIL PUMP
OIL COOLER
SECOND AIR (E18,E39)
CLUTCH (MODEL R/S/T)
TRANSMISSION
GEAR SHIFTING
STARTING MOTOR
MAGNETO
BATTERY
ELECTRICAL
SPEED/TACHOMETER (MODEL S/T)
HEADLAMP (MODEL S/T)
TURNSIGNAL LAMP
REAR COMBINATION LAMP (MODEL T)
WIRING HARNESS
HANDLE SWITCH (MODEL T)
FRAME
STAND-REAR BRAKE
FOOTREST
CARRIER
FUEL TANK (MODEL T)
FUEL COCK
FRAME COVER (MODEL T)
FRONT FENDER (MODEL T)
HANDLEBAR (MODEL N/P/R/S/T)
RIGHT HANDLE LEVER (MODEL N/P/R/S/T)
LEFT HANDLE LEVER
REAR FENDER (MODEL T)
COWLING-LABEL (MODEL T)
SEAT (MODEL S/T)
FRONT FORK
STEERING STEM
FRONT WHEEL
FRONT CALIPER
FRONT BRAKE HOSE
FRONT MASTER CYLINDER
REAR SWINGING ARM
REAR CUSHION LEVER
REAR WHEEL
REAR CALIPER
REAR MASTER CYLINDER
OPTIONAL
up