×
Buy Suzuki DR Parts Online
home
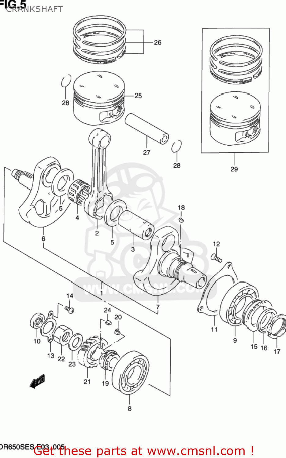
CRANKSHAFT
DR650SE 1993 (P) USA (E03)
Crankshaft diagram DR650SE 1993 (P) USA (E03)
CRANKSHAFT DR650SE 1993 (P) USA (E03)
×
prices are in EUR
ref
part #
description
quantity
1-1
1220012D00
ref: 1-1
CRANKSHAFT ASSY
€ 899.00
1-2
1220012D10
ref: 1-2
12200-12D20
CRANKSHAFT ASSEMBLY
€ 870.50
2
1216112D00
ref: 2
ROD,CONNECTING
€ 129.00
3
1221012D00
ref: 3
12210-12D10
PIN,CRANK
€ 89.50
4
0926335031
ref: 4
09263-35032
BEARING
€ 70.50
5
0916035005
ref: 5
WASHER(35X55X1)
€ 8.50
6-1
1222112D01
ref: 6-1
CRANKSHAFT,RIGHT
€ 222.00
6-2
1222112D11
ref: 6-2
CRANKSHAFT,R
€ 222.00
7-1
1226112D01
ref: 7-1
CRANKSHAFT,LEFT
€ 219.00
7-2
1226112D10
ref: 7-2
CRANKSHAFT,L
€ 264.50
8
0926235009
ref: 8
BEARING(35X80X21)
€ 75.00
9
0926245003
ref: 9
09262-45011
BEARING
€ 54.00
10
0928216002
ref: 10
SEAL,OIL(16X30X6)
€ 9.50
11
1254137400
ref: 11
RETAINER,CRANKSHAFT BEARING,L
€ 13.50
12-1
0212206167
ref: 12-1
SCREW
€ 2.50
12-2
0212206163
ref: 12-2
02122-0616A
SCREW ,6X16
€ 2.50
13
1254837400
ref: 13
RETAINER,CRANKSHAFT BEARING,R
€ 7.00
14-1
0211205087
ref: 14-1
SCREW
€ 2.00
14-2
0211205083
ref: 14-2
02112-0508A
SCREW
€ 2.00
15-1
1266237401
ref: 15-1
12662-37402
SPROCKET,BALANCER DRIVE
€ 161.00
15-2
1266237402
ref: 15-2
SPROCKET,BALANCER DRIVE
€ 161.00
16
0916440003
ref: 16
WASHER
€ 3.50
17
1266444B00
ref: 17
NUT,BAL DRIVE SPRKT
€ 26.00
18
0834131039
ref: 18
KEY
€ 2.00
19
1273137400
ref: 19
SPROCKET,CAM CHAIN DRIVE
€ 91.00
20
1274932400
ref: 20
KEY,SPROCKET
€ 13.50
21
2111112D00
ref: 21
GEAR,PRIMARY DRIVE
€ 14.50
22
0914020008
ref: 22
09140-20013
NUT (20MM)
€ 5.00
23
0916420003
ref: 23
WASHER
€ 3.00
24
0942107002
ref: 24
KEY
€ 4.50
25-1
1211112D060E0
ref: 25-1
12111-12D09-0F0
PISTON
€ 111.50
25-2
1211112D080F0
ref: 25-2
12111-12D09-0F0
PISTON
€ 111.50
26
1214012D11
ref: 26
RING SET,PISTON
€ 68.50
27
1215114A01
ref: 27
PIN,PISTON
€ 19.50
28
0938123003
ref: 28
CIRCLIP
€ 2.00
29-1
1210012D00050
ref: 29-1
12100-12D01-050
PISTON SET (OS:0.5)
€ 152.00
29-2
1210012D00100
ref: 29-2
12100-12D01-100
PISTON SET (OS:1.0)
€ 149.50
up
all assemblies
AIR CLEANER
BALANCER CHAIN
BATTERY (MODEL N/P)
BATTERY (MODEL R/S)
CAM CHAIN
CAM SHAFT - VALVE (MODEL N/P)
CAM SHAFT - VALVE (MODEL R/S)
CANISTER (FOR CALIFORNIA
CARBURETOR (MODEL N/P)
CARBURETOR (MODEL R/S)
CLUTCH (MODEL N/P)
CLUTCH (MODEL R/S)
CRANK BALANCER (MODEL N)
CRANK BALANCER (MODEL P/R/S)
CRANKCASE
CRANKCASE COVER (MODEL N/P)
CRANKCASE COVER (MODEL R/S)
CRANKSHAFT
CYLINDER
CYLINDER HEAD
ELECTRICAL (MODEL N/P)
ELECTRICAL (MODEL R/S)
FOOTREST
FRAME
FRAME COVER (MODEL N/P)
FRAME COVER (MODEL R/S)
FRONT BRAKE HOSE
FRONT CALIPER
FRONT FENDER
FRONT FORK (MODEL N/P)
FRONT FORK (MODEL R/S)
FRONT MASTER CYLINDER
FRONT WHEEL
FUEL COCK
FUEL TANK (MODEL N)
FUEL TANK (MODEL P)
FUEL TANK (MODEL R/S)
GEAR SHIFTING
HANDLEBAR
HEADLAMP
HEADLAMP HOUSING
KICK STARTER (MODEL N/P)
LEFT HANDLE SWITCH (MODEL N/P)
LEFT HANDLE SWITCH (MODEL R/S)
MAGNETO (MODEL N/P)
MAGNETO (MODEL R/S)
MUFFLER
OIL COOLER
OIL PUMP
REAR CALIPER
REAR CUSHION LEVER (MODEL N/P)
REAR CUSHION LEVER (MODEL R/S)
REAR FENDER (MODEL N/P)
REAR FENDER (MODEL R/S)
REAR MASTER CYLINDER
REAR SWINGING ARM
REAR WHEEL
RIGHT HANDLE SWITCH
SEAT
SPEEDOMETER (MODEL N/P)
SPEEDOMETER (MODEL R/S)
STAND - REAR BRAKE
STARTER CLUTCH (MODEL R/S)
STARTING MOTOR (MODEL R/S)
STEERING STEM
TAIL LAMP
TRANSMISSION
TURN SIGNAL LAMP
WIRING HARNESS (MODEL N/P)
WIRING HARNESS (MODEL R)
up